Номер по Госреестру СИ: 72358-18
72358-18 Весы лабораторные
(AS, PS, PM)
Назначение средства измерений:
Весы лабораторные серий AS, PS, PM (далее - весы) предназначены для статических измерений массы.

Внешний вид.
Весы лабораторные
Рисунок № 1

Внешний вид.
Весы лабораторные
Рисунок № 2

Внешний вид.
Весы лабораторные
Рисунок № 3

Внешний вид.
Весы лабораторные
Рисунок № 4

Внешний вид.
Весы лабораторные
Рисунок № 5

Внешний вид.
Весы лабораторные
Рисунок № 6

Внешний вид.
Весы лабораторные
Рисунок № 7

Внешний вид.
Весы лабораторные
Рисунок № 8

Внешний вид.
Весы лабораторные
Рисунок № 9

Внешний вид.
Весы лабораторные
Рисунок № 10
Общие сведения
Дата публикации - 31.03.2023
Срок свидетельства - 06.09.2024
Номер записи - 168561
ID в реестре СИ - 491264
Тип производства - серийное
Описание типа
Поверка
Интервал между поверками по ОТ - 1 год
Наличие периодической поверки - Да
Методика поверки
Модификации СИ
AS 220.3Y.B, AS 220.2R, AS 220. R2, AS 220-R2,, AS 220-R2, AS 220, X2, AS 220 Х2, AS 220 с дисплеем R2, AS 220 X2, AS 220 R2, AS 220 .R2, AS 220 -R2, AS 220, AS 202.R2, AS 200.R2, AS 110/С, AS 1000.R2, AS, 100AS,
Производитель
Изготовитель - Фирма "Radwag Wagi Elektroniczne Witold Lewandowski"
Страна - ПОЛЬША
Населенный пункт -
Уведомление о начале осуществления предпринимательской деятельности - Да
Исследование "Анализ рынка поверки Приволжского федерального округа" предоставляет исчерпывающую информацию об организациях, оказывающих услуги поверки на востоке европейской части Российской Федерации, Приуралья и Нижней Волги.
Параметры исследований:
- фильтр по работающим в округе организациям-поверителям по данным ФСА и ФГИС АРШИН
- объемы первичных и периодических поверок за период 2017г. по н.в.
- фильтр по местам осуществления деятельности
- предоставление информации в графическом и табличном видах
- детальное рассмотрение деятельности каждой из организаций округа по годам
- анализ в разрезе первичных, периодических поверок и видов измерений
- количество поверок по типам СИ в динамике по годам
- индикация импортных аналогов средств поверки (в соответствии с ПЕРЕЧЕНЕМ СИ ОТЕЧЕСТВЕННОГО ПРОИЗВОДСТВА, АНАЛОГИЧНЫХ СРЕДСТВАМ ИЗМЕРЕНИЙ ИМПОРТНОГО ПРОИЗВОДСТВА от 09.2022г)
- индикация типов СИ по ПП РФ №250 от 20.04.2010 г.
- быстрый анализ контрагентов организаций-поверителей
- анализ цен на поверку СИ по Фед. округу
Статистика
Кол-во поверок - 2554
Выдано извещений - 7
Кол-во периодических поверок - 1770
Кол-во средств измерений - 935
Кол-во владельцев - 215
Усредненный год выпуска СИ - 2019
МПИ по поверкам - 364 дн.
Приказы РСТ, где упоминается данный тип СИ
№1862 от 2018.09.06 Об утверждении типов средств измерений
Наличие аналогов СИ: Весы лабораторные (AS, PS, PM)
| ИМПОРТНОЕ СИ № в реестре, наименование СИ, обозначение, изголовитель |
ОТЕЧЕСТВЕННЫЙ АНАЛОГ № в реестре, наименование СИ, обозначение, изголовитель |
|---|---|
|
72358-18 Весы лабораторные (AS, PS, PM) Фирма "Radwag Wagi Elektroniczne Witold Lewandowski" (ПОЛЬША ) |
36468-07 Весы лабораторные (ВМ) Общество с ограниченной ответственностью "ОКБ ВЕСТА" (ООО "ОКБ Веста") (РОССИЯ г. Санкт-Петербург) |
|
72358-18 Весы лабораторные (AS, PS, PM) Фирма "Radwag Wagi Elektroniczne Witold Lewandowski" (ПОЛЬША ) |
52773-13 Весы лабораторные (ВМ-II) Общество с ограниченной ответственностью "ОКБ ВЕСТА" (ООО "ОКБ Веста") (РОССИЯ г. Санкт-Петербург) |
|
72358-18 Весы лабораторные (AS, PS, PM) Фирма "Radwag Wagi Elektroniczne Witold Lewandowski" (ПОЛЬША ) |
54970-13 Весы лабораторные (АВ) Общество с ограниченной ответственностью "ОКБ ВЕСТА" (ООО "ОКБ Веста") (РОССИЯ г. Санкт-Петербург) |
Все средства измерений Общество с ограниченной ответственностью "ОКБ ВЕСТА" (ООО "ОКБ Веста")
|
№ в реестре cрок св-ва |
Наименование СИ, обозначение, изголовитель | ОТ, МП | МПИ |
|---|---|---|---|
|
49686-12 20.04.2017 |
Весы технические, APP Фирма "Radwag Wagi Elektroniczne Witold Lewandowski" (ПОЛЬША ) |
ОТ |
1 год |
|
49688-12 20.04.2017 |
Весы аналитические, XA Фирма "Radwag Wagi Elektroniczne Witold Lewandowski" (ПОЛЬША ) |
ОТ |
1 год |
|
49689-12 20.04.2017 |
Весы лабораторные, AS, PS Фирма "Radwag Wagi Elektroniczne Witold Lewandowski" (ПОЛЬША ) |
ОТ МП |
1 год |
|
52826-13 27.02.2018 |
Микровесы, MXA Фирма "Radwag Wagi Elektroniczne Witold Lewandowski" (ПОЛЬША ) |
ОТ |
1 год |
|
58761-14 20.10.2019 |
Весы лабораторные, PS Фирма "Radwag Wagi Elektroniczne Witold Lewandowski" (ПОЛЬША ) |
ОТ |
1 год |
|
61377-15 19.08.2021 |
Весы технические, WLC, WPT Фирма "Radwag Wagi Elektroniczne Witold Lewandowski" (ПОЛЬША ) |
ОТ МП |
1 год |
|
72360-18 06.09.2024 |
Весы аналитические, XA, MYA, MUYA, UYA Фирма "Radwag Wagi Elektroniczne Witold Lewandowski" (ПОЛЬША ) |
ОТ МП |
1 год |
|
72359-18 06.09.2024 |
Компараторы массы автоматические, UMA, AK-4, AKM-2 Фирма "Radwag Wagi Elektroniczne Witold Lewandowski" (ПОЛЬША ) |
ОТ МП |
1 год |
|
72358-18 06.09.2024 |
Весы лабораторные, AS, PS, PM Фирма "Radwag Wagi Elektroniczne Witold Lewandowski" (ПОЛЬША ) |
ОТ МП |
1 год |
|
72357-18 06.09.2024 |
Компараторы массы, UYA, WAY, APP, HRP, PM Фирма "Radwag Wagi Elektroniczne Witold Lewandowski" (ПОЛЬША ) |
ОТ МП |
1 год |
|
72352-18 06.09.2024 |
Анализаторы влажности термогравиметрические, МА Фирма "Radwag Wagi Elektroniczne Witold Lewandowski" (ПОЛЬША ) |
ОТ МП |
1 год |
|
75060-19 24.05.2024 |
Весы автоматического действия, DWM xxxx ABC, DWT/RC xxx ABC, DWR xxxx ABC, DWT/HL xxxx ABC Фирма "Radwag Wagi Elektroniczne Witold Lewandowski" (ПОЛЬША ) |
ОТ МП |
1 год |
|
77361-20 03.02.2025 |
Весы неавтоматического действия, HRP Фирма "Radwag Wagi Elektroniczne Witold Lewandowski" (ПОЛЬША ) |
ОТ МП |
1 год |
Отчет IS_4 представляет собой инструмент, позволяющий получить подробную информацию о соотношении между импортными и отечественными типами СИ в рамках конкретной области измерений. Отчет позволяет оперативно выделить лидеров рынка в конкретной области измерений, оценить конкурентов, объем поверок и подобрать аналоги из утвержденных типов СИ.
Для построения отчета необходимо выбрать интересующую область измерений, год поиска и нажать кнопку "Далее".
Результаты обработки данных представлены таблицей и тремя графиками.
Таблица содержит 3 колонки (отечественные, импортные и недружественные типы СИ). По каждому типу СИ приведены номер в гос. реестре с ссылкой, наименование типа, фирма-производитель, страна, а также, кол-во поверок, выполненных в указанном году. В конце таблице приводится сводная статистика по общему количеству СИ, попавших в каждую из колонок, количеству уникальных производителей и суммарное количество поверок.
В конце отчета приводится 3 интерактивных графика в виде круговых диаграмм, визуализирующих результаты, представленные в таблице. Графики имеют возможность масштабирования и экспорта данных в Exel.
Кто поверяет Весы лабораторные (АВ)
| Наименование организации | Cтатус | Поверенные модификации | Кол-во поверок | Поверок в 2025 году | Первичных поверок | Периодических поверок | Извещений | Для юриков | Для юриков первичные | Для юриков периодические |
|---|---|---|---|---|---|---|---|---|---|---|
| ФБУ "ЯКУТСКИЙ ЦСМ" (RA.RU.311545) | РСТ | 24 | 6 | 0 | 24 | 0 | 22 | 0 | 22 | |
| ФБУ "КЕМЕРОВСКИЙ ЦСМ" (30063-12) | РСТ | 1 | 1 | 0 | 0 | 1 | 1 | 0 | ||
| АО "ПО ЭХЗ" АО "ПО "ЭЛЕКТРОХИМИЧЕСКИЙ ЗАВОД" (RA.RU.311657) | 15 | 6 | 6 | 9 | 1 | 15 | 6 | 9 | ||
| ФБУ "НОВОСИБИРСКИЙ ЦСМ" (RA.RU.311258) | РСТ | 17 | 4 | 0 | 17 | 0 | 16 | 0 | 16 | |
| АО ЧМЗ (RA.RU.311917) | 8 | 2 | 0 | 8 | 0 | 8 | 0 | 8 | ||
| ФБУ "КУРСКИЙ ЦСМ" (RA.RU.311463) | РСТ | 39 | 9 | 0 | 38 | 0 | 36 | 0 | 36 | |
| ФБУ "ПЕНЗЕНСКИЙ ЦСМ" (RA.RU.311246) | РСТ | 4 | 1 | 0 | 4 | 0 | 4 | 0 | 4 | |
| ООО "МЕТРОЛОГ" (RA.RU.311577) | 8 | 1 | 2 | 6 | 0 | 8 | 2 | 6 | ||
| ФБУ "ПЕРМСКИЙ ЦСМ" (RA.RU.311363) | РСТ | 5 | 0 | 0 | 0 | 0 | 0 | 0 | ||
| ФБУ "ТЕСТ-С.-ПЕТЕРБУРГ" (RA.RU.311501) | 2 | 0 | 0 | 0 | 0 | 0 | 0 | |||
| ФБУ "Брянский ЦСМ" (RA.RU.311364) | РСТ | 3 | 0 | 3 | 0 | 3 | 0 | 3 | ||
| ФБУ "КИРОВСКИЙ ЦСМ" (RA.RU.311362) | РСТ | 9 | 3 | 0 | 9 | 0 | 9 | 0 | 9 | |
| ФБУ "КРАСНОЯРСКИЙ ЦСМ" (RA.RU.311479) | РСТ | 69 | 19 | 2 | 63 | 1 | 69 | 2 | 63 | |
| ООО "ВЕССЕРВИС" (RA.RU.311646) | 19 | 7 | 1 | 17 | 0 | 18 | 1 | 17 | ||
| АО "ВМЗ" (RA.RU.311691) | 13 | 1 | 0 | 12 | 0 | 12 | 0 | 12 | ||
| ФБУ "САХАЛИНСКИЙ ЦСМ" (RA.RU.311389) | РСТ | 3 | 0 | 3 | 0 | 2 | 0 | 2 | ||
| ФБУ "КАЛУЖСКИЙ ЦСМ" (RA.RU.311265) | РСТ | 17 | 0 | 17 | 0 | 17 | 0 | 17 | ||
| ФБУ "ЦСМ РЕСПУБЛИКИ БАШКОРТОСТАН" (RA.RU.311406) | РСТ | 9 | 0 | 9 | 0 | 9 | 0 | 9 | ||
| ФБУ "ХАБАРОВСКИЙ ЦСМ" (RA.RU.311510) | РСТ | 6 | 1 | 0 | 6 | 0 | 6 | 0 | 6 | |
| ООО «МетрЛифтСервис» (RA.RU.314115) | 11 | 11 | 0 | 0 | 11 | 11 | 0 | |||
| ФБУ "ЦСМ ИМ. А.М. МУРАТШИНА В РЕСПУБЛИКЕ БАШКОРТОСТАН" (RA.RU.311406) | РСТ | 48 | 12 | 0 | 48 | 0 | 48 | 0 | 48 | |
| ФГУП "ВНИИМ ИМ. Д.И.МЕНДЕЛЕЕВА" (RA.RU.311541) | РСТ | 3 | 2 | 1 | 0 | 2 | 2 | 0 | ||
| ФГУП "РФЯЦ - ВНИИТФ ИМ. АКАДЕМ. Е.И. ЗАБАБАХИНА" (RA.RU.311874) | 10 | 1 | 0 | 10 | 0 | 10 | 0 | 10 | ||
| ФБУ "ОРЕНБУРГСКИЙ ЦСМ" (RA.RU.311228) | РСТ | 28 | 4 | 0 | 28 | 0 | 26 | 0 | 26 | |
| ФБУ "АСТРАХАНСКИЙ ЦСМ" (RA.RU.311475) | РСТ | 9 | 2 | 0 | 9 | 0 | 9 | 0 | 9 | |
| ФБУ "УРАЛТЕСТ" (RA.RU.311249) | РСТ | 18 | 4 | 0 | 17 | 0 | 18 | 0 | 17 | |
| ФБУ "ЧЕЛЯБИНСКИЙ ЦСМ" (RA.RU.311482) | РСТ | 7 | 0 | 0 | 0 | 0 | 0 | 0 | ||
| ООО "КИПМЕТСЕРВИС" (RA.RU.310460) | 4 | 1 | 0 | 4 | 0 | 4 | 0 | 4 | ||
| ФБУ "ЯКУТСКИЙ ЦСМ" (RA.RU.311545) | РСТ | 1 | 0 | 0 | 0 | 0 | 0 | 0 | ||
| ФБУ "ЦСМ Татарстан" (RA.RU.311394) | РСТ | 50 | 12 | 0 | 47 | 0 | 47 | 0 | 47 | |
| ООО "СТАНДАРТ" (RA.RU.312647) | 40 | 13 | 0 | 40 | 0 | 40 | 0 | 40 | ||
| ФБУ "РОСТЕСТ-МОСКВА" (RA.RU.311341) | 2 | 0 | 0 | 0 | 0 | 0 | 0 | |||
| ФБУ "СЕВЕРО-ОСЕТИНСКИЙ ЦСМ" (RA.RU.311509) | РСТ | 8 | 0 | 8 | 0 | 8 | 0 | 8 | ||
| ФБУ "ЦСМ Татарстан" (RA.RU.311394) | РСТ | 6 | 0 | 0 | 0 | 0 | 0 | 0 | ||
| ФБУ "КЕМЕРОВСКИЙ ЦСМ" (RA.RU.311469) | РСТ | 1 | 0 | 0 | 0 | 0 | 0 | 0 | ||
| ФБУ "ТЮМЕНСКИЙ ЦСМ" (RA.RU.311494) | РСТ | 9 | 0 | 4 | 1 | 4 | 0 | 4 | ||
| ООО "ГАЛОПОЛИМЕР КИРОВО-ЧЕПЕЦК" (RA.RU.311234) | 4 | 1 | 3 | 1 | 0 | 4 | 3 | 1 | ||
| ООО "ЦМ" (RA.RU.310581) | 239 | 226 | 8 | 0 | 219 | 213 | 6 | |||
| ПАО "ППГХО" (RA.RU.312714) | 18 | 3 | 0 | 15 | 0 | 14 | 0 | 14 | ||
| НИЦ "КУРЧАТОВСКИЙ ИНСТИТУТ" (0521) | 5 | 1 | 0 | 5 | 0 | 0 | 0 | 0 | ||
| ФБУ "ИРКУТСКИЙ ЦСМ" (RA.RU.311392) | РСТ | 95 | 15 | 0 | 90 | 0 | 94 | 0 | 89 | |
| ФБУ "ТОМСКИЙ ЦСМ" (RA.RU.311225) | РСТ | 6 | 1 | 0 | 6 | 0 | 6 | 0 | 6 | |
| ФБУ "НИЖЕГОРОДСКИЙ ЦСМ" (RA.RU.311315) | РСТ | 43 | 8 | 0 | 42 | 0 | 35 | 0 | 35 | |
| ООО "СОЛО-КЛАССИКА" (RA.RU.311426) | 189 | 186 | 1 | 0 | 0 | 0 | 0 | |||
| ООО "ИСКРА" (RA.RU.312715) | 2 | 2 | 0 | 0 | 2 | 2 | 0 | |||
| ООО "ИНЭКС СЕРТ" (RA.RU.312302) | 7 | 7 | 0 | 0 | 7 | 7 | 0 | |||
| ФБУ "УЛЬЯНОВСКИЙ ЦСМ" (RA.RU.311219) | РСТ | 12 | 4 | 0 | 12 | 0 | 7 | 0 | 7 | |
| ФБУ "ВОРОНЕЖСКИЙ ЦСМ" (RA.RU.311467) | РСТ | 3 | 0 | 3 | 0 | 3 | 0 | 3 | ||
| ФБУ "Мордовский ЦСМ" (RA.RU.311375) | РСТ | 18 | 4 | 0 | 18 | 0 | 18 | 0 | 18 | |
| ФБУ "КОСТРОМСКОЙ ЦСМ" (RA.RU.311489) | РСТ | 37 | 12 | 0 | 37 | 0 | 37 | 0 | 37 | |
| ФБУ "САРАТОВСКИЙ ЦСМ ИМ. Б.А. ДУБОВИКОВА" (RA.RU.311232) | РСТ | 24 | 5 | 0 | 24 | 0 | 24 | 0 | 24 | |
| ФБУ "ТЕСТ-С.-ПЕТЕРБУРГ" (RA.RU.311483) | РСТ | 71 | 5 | 52 | 0 | 69 | 5 | 50 | ||
| ФБУ "КРЫМСКИЙ ЦСМ" (RA.RU.310576) | РСТ | 17 | 3 | 0 | 17 | 0 | 17 | 0 | 17 | |
| ООО РМЦ "КАЛИБРОН" (РОСС RU.0001.310096) | 4 | 0 | 3 | 0 | 2 | 0 | 2 | |||
| ФБУ "ЗАБАЙКАЛЬСКИЙ ЦСМ" (RA.RU.311502) | РСТ | 14 | 0 | 14 | 0 | 10 | 0 | 10 | ||
| ООО "ПРОММАШ ТЕСТ" (RA.RU.311368) | 1 | 0 | 0 | 0 | 0 | 0 | 0 | |||
| ФБУ "ЛИПЕЦКИЙ ЦСМ" (RA.RU.311476) | РСТ | 44 | 10 | 0 | 44 | 0 | 39 | 0 | 39 | |
| ООО "ИСКАТЕЛЬ - 2" (RA.RU.311939) | 1 | 0 | 1 | 0 | 0 | 0 | 0 | |||
| АО "ПНТЗ" (RA.RU.312654) | 18 | 5 | 0 | 18 | 0 | 18 | 0 | 18 | ||
| ФБУ "ПЕРМСКИЙ ЦСМ" (RA.RU.311363) | РСТ | 20 | 2 | 0 | 19 | 0 | 7 | 0 | 7 | |
| ООО "ЮМЦ" (РОСС RU.0001.310296) | 3 | 0 | 3 | 0 | 3 | 0 | 3 | |||
| ОАО ФНТЦ "ИНВЕРСИЯ" (RA.RU.311264) | 4 | 0 | 4 | 0 | 4 | 0 | 4 | |||
| ФБУ "ВОЛОГОДСКИЙ ЦСМ" (RA.RU.311504) | РСТ | 5 | 0 | 5 | 0 | 5 | 0 | 5 | ||
| ФБУ "Волгоградский ЦСМ" (RA.RU.311474) | РСТ | 6 | 0 | 6 | 0 | 6 | 0 | 6 | ||
| ФБУ "ВЛАДИМИРСКИЙ ЦСМ" (RA.RU.311222) | РСТ | 4 | 1 | 0 | 4 | 0 | 4 | 0 | 4 | |
| ФБУ "БЕЛГОРОДСКИЙ ЦСМ" (RA.RU.311380) | РСТ | 17 | 4 | 0 | 16 | 0 | 16 | 0 | 16 | |
| ФБУ "ЧЕЛЯБИНСКИЙ ЦСМ" (RA.RU.311503) | РСТ | 82 | 7 | 0 | 72 | 0 | 82 | 0 | 72 | |
| ФБУ "СТАВРОПОЛЬСКИЙ ЦСМ" (РОСС.RU.0001.310109) | РСТ | 1 | 0 | 1 | 0 | 1 | 0 | 1 | ||
| ФБУ "ДАГЕСТАНСКИЙ ЦСМ" (RA.RU.311505) | РСТ | 22 | 1 | 0 | 22 | 1 | 14 | 0 | 14 | |
| ООО "ТАТИНТЕК" (RA.RU.311601) | 8 | 0 | 6 | 0 | 6 | 0 | 6 | |||
| ФБУ "БУРЯТСКИЙ ЦСМ" (RA.RU.311275) | РСТ | 8 | 0 | 6 | 0 | 8 | 0 | 6 | ||
| ООО"ВЕСПРОФ" (RA.RU.311922) | 6 | 1 | 4 | 2 | 0 | 5 | 4 | 1 | ||
| ФБУ "КАБАРДИНО-БАЛКАРСКИЙ ЦСМ" (RA.RU.311487) | РСТ | 3 | 0 | 3 | 0 | 2 | 0 | 2 | ||
| ФБУ "КАЛИНИНГРАДСКИЙ ЦСМ" (RA.RU.311465) | РСТ | 11 | 1 | 0 | 11 | 0 | 7 | 0 | 7 | |
| ФБУ "САМАРСКИЙ ЦСМ" (RA.RU.311429) | РСТ | 35 | 13 | 0 | 35 | 0 | 34 | 0 | 34 | |
| ФБУ "РОСТЕСТ-МОСКВА" (RA.RU.311341) | РСТ | 58 | 0 | 58 | 1 | 45 | 0 | 45 | ||
| ФГБУ "ЦККЛСиМИ" (RA.RU.311709) | 102 | 16 | 0 | 85 | 1 | 102 | 0 | 85 | ||
| ПАО "НИЖНЕКАМСКНЕФТЕХИМ" (RA.RU.310572) | 2 | 0 | 2 | 0 | 2 | 0 | 2 | |||
| ФБУ "РЯЗАНСКИЙ ЦСМ" (RA.RU.311387) | РСТ | 6 | 0 | 4 | 0 | 6 | 0 | 4 | ||
| ФБУ "СЕВАСТОПОЛЬСКИЙ ЦСМ" (RA.RU.310577) | РСТ | 3 | 0 | 3 | 0 | 3 | 0 | 3 | ||
| ФБУ "АЛТАЙСКИЙ ЦСМ" (RA.RU.311486) | РСТ | 16 | 3 | 0 | 16 | 0 | 16 | 0 | 16 | |
| ФБУ "ЯРОСЛАВСКИЙ ЦСМ" (RA.RU.311391) | РСТ | 69 | 15 | 0 | 67 | 0 | 69 | 0 | 67 | |
| ООО "ФЕРРАТА" (RA.RU.310646) | 16 | 4 | 0 | 16 | 0 | 15 | 0 | 15 | ||
| ООО "МЕТЭК" (RA.RU.311259) | 6 | 1 | 0 | 5 | 0 | 5 | 0 | 5 | ||
| ООО "ЦМТ" (RA.RU.310594) | 7 | 1 | 0 | 6 | 0 | 4 | 0 | 4 | ||
| УРАЛЬСКИЙ НИИ МЕТРОЛОГИИ (RA.RU.311473) | РСТ | 8 | 3 | 0 | 8 | 0 | 8 | 0 | 8 | |
| ФБУ "КУРГАНСКИЙ ЦСМ" (035) | РСТ | 1 | 0 | 1 | 0 | 1 | 0 | 1 | ||
| ФБУ "Тверской ЦСМ" (RA.RU.311253) | РСТ | 5 | 1 | 0 | 5 | 0 | 3 | 0 | 3 | |
| ФБУ "УРАЛТЕСТ" (RA.RU.311249) | РСТ | 28 | 0 | 0 | 0 | 0 | 0 | 0 | ||
| АО "ПНТЗ" (0679) | 66 | 0 | 0 | 0 | 0 | 0 | 0 | |||
| ФБУ "ЛИПЕЦКИЙ ЦСМ" (RA.RU.311476) | РСТ | 1 | 0 | 0 | 0 | 0 | 0 | 0 | ||
| ФБУ "НИЖЕГОРОДСКИЙ ЦСМ" (RA.RU.311315) | РСТ | 1 | 0 | 0 | 0 | 0 | 0 | 0 | ||
| ФБУ "ЦСМ РЕСПУБЛИКИ БАШКОРТОСТАН" (RA.RU.311406) | РСТ | 1 | 0 | 0 | 0 | 0 | 0 | 0 | ||
| ООО "СОЛО-КЛАССИКА" (RA.RU.311426) | 3 | 0 | 0 | 0 | 0 | 0 | 0 | |||
| УРАЛЬСКИЙ НИИ МЕТРОЛОГИИ (RA.RU.311285) | 6 | 0 | 0 | 0 | 0 | 0 | 0 | |||
| ФБУ "КРЫМСКИЙ ЦСМ" (RA.RU.310576) | РСТ | 1 | 0 | 0 | 0 | 0 | 0 | 0 | ||
| ФБУ "КУРСКИЙ ЦСМ" (RA.RU.311463) | РСТ | 3 | 0 | 0 | 0 | 0 | 0 | 0 | ||
| ФБУ "ИРКУТСКИЙ ЦСМ" (RA.RU.311392) | РСТ | 3 | 0 | 0 | 0 | 0 | 0 | 0 | ||
| ООО "ЮМЦ" (РОСС RU.0001.310296) | 1 | 0 | 0 | 0 | 0 | 0 | 0 | |||
| ФБУ "КАЛИНИНГРАДСКИЙ ЦСМ" (RA.RU.311465) | РСТ | 1 | 0 | 0 | 0 | 0 | 0 | 0 | ||
| ФБУ "СЕВЕРО-КАВКАЗСКИЙ ЦСМ" (RA.RU.311488) | РСТ | 10 | 0 | 10 | 0 | 10 | 0 | 10 | ||
| ФБУ "ТУЛЬСКИЙ ЦСМ" (RA.RU.311462) | РСТ | 19 | 0 | 19 | 0 | 19 | 0 | 19 | ||
| ФБУ «КУЗБАССКИЙ ЦСМ» (RA.RU.311469) | РСТ | 16 | 7 | 0 | 16 | 0 | 16 | 0 | 16 | |
| Филиал АО «Концерн Росэнергоатом» - Кольская атомная станция (1744) | 1 | 0 | 1 | 0 | 1 | 0 | 1 | |||
| ФБУ "Краснодарский ЦСМ" (RA.RU.311441) | РСТ | 19 | 3 | 1 | 18 | 0 | 18 | 1 | 17 | |
| ФБУ "ТЮМЕНСКИЙ ЦСМ" (RA.RU.311499) | РСТ | 63 | 19 | 0 | 63 | 1 | 52 | 0 | 52 | |
| ООО «ПРОММАШ ТЕСТ МЕТРОЛОГИЯ» (RA.RU.313740) | 59 | 11 | 37 | 22 | 0 | 59 | 37 | 22 | ||
| ООО "ДОНСТАНДАРТМЕТРОЛОГИЯ" (RA.RU.313743) | 3 | 0 | 3 | 0 | 3 | 0 | 3 | |||
| ФБУ "ПРИМОРСКИЙ ЦСМ" (RA.RU.311500) | РСТ | 3 | 0 | 3 | 0 | 3 | 0 | 3 | ||
| ООО "УРАЛКАЛИЙ-РЕМОНТ" (РОСС RU.0001.310273) | 13 | 6 | 0 | 13 | 0 | 13 | 0 | 13 | ||
| ФГБУ "ВНИИИМТ" РОСЗДРАВНАДЗОРА (RA.RU.312253) | 68 | 30 | 15 | 53 | 0 | 68 | 15 | 53 | ||
| Филиал АО «Концерн Росэнергоатом» - Балаковская атомная станция (1744) | 9 | 3 | 0 | 9 | 0 | 0 | 0 | 0 | ||
| ООО "МЕДСЕРВИС" (662) | 1 | 0 | 1 | 0 | 1 | 0 | 1 | |||
| Филиал АО "Концерн Росэнергоатом""Кольская атомная станция" (1744) | 4 | 2 | 0 | 4 | 0 | 4 | 0 | 4 | ||
| ООО "СК-СЕРВИС" (RA.RU.314544) | 45 | 15 | 45 | 0 | 0 | 0 | 0 | 0 | ||
| ФБУ "АРХАНГЕЛЬСКИЙ ЦСМ" (RA.RU.311492) | РСТ | 2 | 0 | 2 | 0 | 2 | 0 | 2 | ||
| АО "МОНДИ СЛПК" (RA.RU.311604) | 2 | 0 | 2 | 0 | 2 | 0 | 2 | |||
| ФБУ "УДМУРТСКИЙ ЦСМ" (RA.RU.311312) | РСТ | 2 | 2 | 0 | 2 | 0 | 2 | 0 | 2 | |
| ООО " ЭЛЕКТРОНИКА " (1525) | 5 | 0 | 5 | 0 | 5 | 0 | 5 | |||
| ОАО "МЕДТЕХНИКА" (RA.RU.311401) | 1 | 0 | 1 | 0 | 1 | 0 | 1 | |||
| ООО "ВЕС СЕРВЕР КОМ" (RA.RU.311842) | 1 | 0 | 1 | 0 | 1 | 0 | 1 | |||
| ПАО "КОРПОРАЦИЯ ВСМПО-АВИСМА" (RA.RU.311434) | 6 | 3 | 0 | 6 | 0 | 6 | 0 | 6 | ||
| ООО «Поверие» (RA.RU.313216) | 3 | 1 | 1 | 2 | 0 | 3 | 1 | 2 | ||
| НИЦ "КУРЧАТОВСКИЙ ИНСТИТУТ" - ВИАМ (RA.RU.312629) | 5 | 5 | 0 | 5 | 0 | 0 | 0 | 0 | ||
| ООО «Метроконтроль» (RA.RU.314002) | 7 | 4 | 0 | 7 | 0 | 7 | 0 | 7 | ||
| ООО "МЦ СЕВР ГРУПП" (RA.RU.314078) | 1 | 1 | 0 | 1 | 0 | 1 | 0 | 1 | ||
| ООО "ПРОФВЕС" (RA.RU.314298) | 1 | 1 | 0 | 0 | 1 | 1 | 0 | |||
| ООО "РОНДОВЕС" (RA.RU.314314) | 1 | 0 | 1 | 0 | 1 | 0 | 1 | |||
| АО "СЛПК" (RA.RU.311604) | 3 | 1 | 0 | 3 | 0 | 3 | 0 | 3 | ||
| ФБУ "ТЕСТ-С.-ПЕТЕРБУРГ" (RA.RU.311501) | 36 | 15 | 0 | 36 | 0 | 35 | 0 | 35 | ||
| ФБУ "СЕВЕРО-КАВКАЗСКИЙ ЦСМ" (RA.RU.311311) | 12 | 5 | 0 | 12 | 0 | 11 | 0 | 11 | ||
| ФБУ "БУРЯТСКИЙ ЦСМ" (10) | 15 | 7 | 0 | 15 | 0 | 15 | 0 | 15 | ||
| ФБУ "ПРИОКСКИЙ ЦСМ" (RA.RU.311265) | 25 | 15 | 0 | 25 | 0 | 20 | 0 | 20 | ||
| ООО "ВАГА" (RA.RU.314785) | 1 | 1 | 0 | 1 | 0 | 1 | 0 | 1 | ||
| ФБУ "ДАЛЬНЕВОСТОЧНЫЙ ЦСМ" (RA.RU.311500) | 3 | 3 | 0 | 3 | 0 | 3 | 0 | 3 | ||
| ООО "НМЗ" (RA.RU.314901) | 2 | 0 | 2 | 0 | 2 | 0 | 2 | |||
| ФБУ "НИЦ ПМ - РОСТЕСТ" (RA.RU.311341) | 36 | 30 | 0 | 36 | 0 | 29 | 0 | 29 | ||
| АКЦИОНЕРНОЕ ОБЩЕСТВО "ГОСУДАРСТВЕННЫЙ НАУЧНО-ИССЛЕДОВАТЕЛЬСКИЙ ИНСТИТУТ "КРИСТАЛЛ"(АО "ГОСНИИ "КРИСТАЛЛ") | 1 | 1 | 0 | 1 | 0 | 0 | 0 | 0 | ||
| ООО ИЦ МИТ (RA.RU.312147) | 1 | 1 | 0 | 1 | 0 | 0 | 0 | 0 | ||
| ФКП "ПЕРМСКИЙ ПОРОХОВОЙ ЗАВОД" (RA.RU.312298) | 2 | 1 | 0 | 2 | 0 | 2 | 0 | 2 |
Стоимость поверки Весы лабораторные (АВ)
| Организация, регион | Стоимость, руб | Средняя стоимость |
|---|---|---|
|
ФБУ Алтайский ЦСМ Алтайский край |
2966 | 2330 |
|
ФБУ Белгородский ЦСМ Белгородская область |
1895 | 2330 |
|
ФБУ Вологодский ЦСМ Вологодская область |
2249 | 2330 |
|
ФБУ Иркутский ЦСМ Иркутская область |
1808 | 2330 |
|
ФБУ Кабардино-Балкарский ЦСМ Кабардино-Балкарская Республика |
1631 | 2330 |
Программное обеспечение
В весах используется встроенное программное обеспечение (ПО). ПО взвешивающего модуля выполняет функции по сбору и передаче измерительной информации; ПО модуля терминала - по обработке, представлению и хранению измерительной информации.
Идентификация программы осуществляется путем просмотра номера версии в меню при обращении к разделам Setup - P7 Info - P7.3 Soft.ver для весов с дисплеем R2.
Идентификация программы осуществляется путем просмотра номера версии в меню при обращении к разделам «Параметры» - «Информация о весах» для весов с дисплеем X2.
Идентификация программы осуществляется путем просмотра номера версии в меню при обращении к разделам «Параметры» - «О системе» для весов с дисплеями 3Y и 4Y.
Уровень защиты программного обеспечения от непреднамеренных и преднамеренных изменений весов, оснащенных устройством юстировки чувствительности встроенной гирей, соответствует среднему уровню по Р 50.2.077-2014.
Влияние ПО учтено при нормировании метрологических характеристик.
Таблица 1 - Идентификационные данные ПО для взвешивающего модуля
|
Идентификационные данные (признаки) |
Значение для типа дисплея | |||
|
R2 |
X2 |
3Y, 4Y |
C32 | |
|
Идентификационное наименование ПО |
Radwag |
Radwag |
Radwag |
Radwag |
|
Номер версии (идентификационный номер) ПО * |
4.0.0 |
2.2.0 |
1.0.0 |
3.0.0 |
* Номер версии (идентификационный номер) ПО не ниже указанного.
Таблица 2 - Идентификационные данные ПО для терминала
|
Идентификационные данные (признаки) |
Значение для типа дисплея | |||
|
R2 |
X2 |
3Y, 4Y |
C32 | |
|
Идентификационное наименование ПО |
Radwag |
Radwag |
Radwag |
Radwag |
|
Номер версии (идентификационный номер) ПО * |
- |
- |
NL 1.8 |
L 1.0.0 |
* Номер версии (идентификационный номер) ПО не ниже указанного .
Знак утверждения типа
Сведения о методиках измерений
Сведения о методиках (методах) измеренийприведены в эксплуатационном документе.
Нормативные и технические документы
Нормативные и технические документы, устанавливающие требования к весам лабораторным серий AS, PS, PM
ГОСТ OIML R 76-1-2011 ГСИ. Весы неавтоматического действия. Часть 1. Метрологические и технические требования. Испытания
ГОСТ 8.021-2015 ГСИ. Государственная поверочная схема для средств измерений массы Техническая документация RADWAG WAGI ELEKTRONICZNE Witold Lewandowski, Польша
Поверка
Поверкаосуществляется по документу Приложение ДА «Методика поверки весов» ГОСТ OIML R 76-1-2011.
Основные средства поверки:
- гири эталонные 1-го, 2-го, 3-го разряда по ГОСТ 8.021-2015.
Допускается применение аналогичных средств поверки, обеспечивающих определение метрологических характеристик поверяемых СИ с требуемой точностью.
Знак поверки наносится на корпус весов.
Изготовитель
RADWAG WAGI ELEKTRONICZNE Witold Lewandowski, Польша
Адрес: ul. Bracka 28, 26-600, Radom, Poland
Телефон: +48 (48) 386-60-00
Факс: +48 (48) 385-00-10
Web-сайт: www.radwag.com
E-mail: radom@radwag.pl
Испытательный центр
Федеральное государственное унитарное предприятие «Всероссийский научноисследовательский институт метрологии им. Д.И. Менделеева»Адрес: 190005, г. Санкт-Петербург, Московский пр., 19
Телефон: (812) 251-76-01, факс: (812) 713-01-14
Web-сайт: www.vniim.ru
E-mail: info@vniim.ru
Принцип действия весов основан на использовании электромагнитной силовой компенсации, при которой вес измеряемого груза уравновешивается силой взаимодействия электрического тока, протекающего по обмотке компенсационной катушки, с магнитным полем, создаваемым между полюсами постоянного магнита. Устойчивое равновесие механической системы весовой ячейки, жестко связанной с компенсационной катушкой, обеспечивается электронным регулятором. Если в нагрузке происходят изменения, то регулятор изменяет ток, протекающий через катушку, до тех пор, пока не восстановится прежнее среднее положение механической системы. Компенсационный ток, пропорциональный массе измеряемого груза, поступает в терминал для последующей обработки и индикации результатов измерений.
Конструктивно весы состоят из взвешивающего модуля и терминала. Взвешивающий модуль включает в себя грузоприемное устройство, грузопередающее устройство, систему электромагнитной компенсации. Терминал содержит контроллер для обработки цифровых данных и сенсорный дисплей для отображения результатов измерений и управления функциями взвешивающего модуля.
Весы серии AS выпускаются в шести моделях: AS 110, AS 160, AS 220, AS 310, AS 60/220, AS 82/220, различающихся максимальной и минимальной нагрузками, действительной ценой деления и габаритными размерами.
Весы серии PS выпускаются в семнадцати моделях: PS 1001, PS 1210, PS 200/2000,
PS 210, PS 250, PS 360, PS 450, PS 600, PS 750, PS 1000, PS 1500, PS 2500, PS 4500, PS 6000, PS 6100, PS 8100, PS 10100, различающихся максимальной и минимальной нагрузками, действительной ценой деления и габаритными размерами.
Весы серии PM выпускаются в четырех моделях: PM 10, PM 15, PM 35, PM 50, различающихся максимальной и минимальной нагрузками, действительной ценой деления.
Весы оснащены следующими устройствами (указанными ниже в соответствии с
ГОСТ OIML R 76-1-2011):
-
- устройством первоначальной установки нуля (Т.2.7.2.4);
-
- полуавтоматическим устройством установки нуля (Т.2.7.2.2);
-
- устройством слежения за нулем (Т.2.7.3);
-
- устройством выборки массы тары (Т.2.7.4);
-
- автоматическим устройством юстировки чувствительности (4.1.2.5);
-
- устройством установки весов по уровню (Т.2.7.1);
-
- вспомогательным показывающим устройством (3.4);
-
- датчиком движения для бесконтактного управления весами и открытия витрины. Весы реализуют следующие функции:
-
- функция взвешивания;
-
- функция счета;
-
- функция дозирования;
-
- функция взвешивания в процентном соотношении;
-
- функция определения плотности;
-
- функция взвешивания животных;
-
- суммирование;
- рецептурное взвешивание;
- функция статистики;
-
- калибровка дозаторов;
-
- функция ввода формулы смеси;
-
- свободный режим;
-
- разбраковка/взвешивание в заданном диапазоне;
-
- отображение - дата/время;
-
- подсветка со спящим режимом.
Электропитание весов осуществляется от сети переменного через блок питания (адаптер).
Весы снабжены защищенными интерфейсами в соответствии с таблицей 1 в зависимости от типа дисплея терминала.




Рисунок 2 - Общий вид весов лабораторных серии PS

Таблица 1
|
Интерфейсы |
Тип дисплея | |||
|
R2 |
X2 |
3Y, 4Y |
C32 | |
|
USB-A |
+ |
+ |
+ |
+ |
|
USB-B |
+ |
+ |
- |
+ |
|
RS 232 |
+ |
+ |
+ |
+ |
|
Ethernet |
- |
+ |
+ |
+ |
|
Inputs/Outputs |
- |
- |
+ |
+ |
|
Wireless Connection |
опционально |
+ |
+ |
+ |
Общий вид весов представлен на рисунках 1, 2 и 3.
Рисунок 3 - Общий вид весов лабораторных серии PM
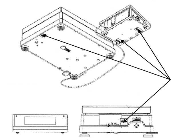
Для защиты весов от несанкционированной настройки и вмешательства, которые могут привести к искажению результатов измерений, весы пломбируются поверх винтов стяжки корпуса контрольной этикеткой изготовителя. В случае вскрытия контрольная этикетка деформируется путем разделения контрольного рисунка, на месте удаления остаётся не смываемый след от этикетки. Схема пломбирования от несанкционированного доступа представлена на рисунках 4, 5, 6, 7 и 8. Обозначение места нанесения знака поверки представлено на рисунке 9.
Рисунок 4 - Схема пломбирования от несанкционированного доступа весов серий AS**/**.R2 и AS**/**.X2
Схема пломбирования контрольными этикетками
Схема пломбирования контрольными этикетками
Рисунок 5 - Схема пломбирования от несанкционированного доступа весов лабораторных серии AS**/**.3Y
Схема пломбирования контрольными этикетками
Рисунок 6 - Схема пломбирования от несанкционированного доступа весов лабораторных серий РS**/**.R2 и РS**/**.X2
Рисунок 7 - Схема пломбирования от несанкционированного доступа весов лабораторных серии PS**/**.3Y
Рисунок 8
|
Г—.............. | |
|
£аСда. ' ■ .rfi-iiL. “z! u 1: | |
|
П= ". 1 | |
|
г---=s t=! | |
- Схема пломбирования от несанкционированного доступа весов лабораторных серии РМ
Рисунок 9 - Обозначение места нанесения знака поверки
Рисунок 10 - Маркировка весов
Расшифровка обозначения весов:
** **/** .*.*.*
-
1 2 3 4 5
1 - AS - весы с d= 0,01/0,1 мг
1 - PS - весы с d= 1/10 мг
-
1 - PM - весы с d= 10/1000 мг
-
2 - **/** -максимальная нагрузка (Max)
-
3 - 3Y, 4Y - модель весов с цветным сенсорным дисплеем 5,7"
3 - R2 - модель весов со стандартным LCD дисплеем
3 - X2 - модель весов с цветным сенсорным дисплеем 5"
-
3 - C32 - модель весов с цветным стандартным LCD дисплеем 5"
-
4 - B - модификация весов с беспроводным дисплеем для 3Y, 4Y.
-
5 - H - модификация весов во влагозащищенном исполнении.
Таблица 3 - Метрологические характеристики
|
Наименование характеристики |
Значение характеристики для моделей | |||||
|
AS 110 |
AS 160 |
AS 220 |
AS 60/220 |
AS 82/220 |
AS 310 | |
|
Максимальная нагрузка, Мах, г |
110 |
160 |
220 |
60/220 |
82/220 |
310 |
|
Минимальная нагрузка, Мт, г |
0,01 |
0,001 |
0,01 | |||
|
Действительная цена деления, d, мг |
0,1 |
0,01/0,1 |
0,1 | |||
|
Поверочный интервал, е, мг |
1 | |||||
|
Число поверочных интервалов, n |
110000 |
160000 |
220000 |
310000 | ||
|
Пределы допускаемой погрешности весов, mpe, при поверке, мг, в интервалах взвешивания: | ||||||
|
от 0,01 г до 50 г включ. |
±0,5 |
±0,5 |
±0,5 |
- |
- |
±0,5 |
|
от 0,001 г до 50 г включ. |
- |
- |
- |
±0,5 |
±0,5 |
- |
|
св. 50 г до 110 г включ. |
±1,0 |
- |
- |
- |
- |
- |
|
св. 50 г до 160 г включ |
- |
±1,0 |
- |
- |
- |
- |
|
св. 50 г до 200 г включ. |
- |
- |
±1,0 |
±1,0 |
±1,0 |
±1,0 |
|
св. 200 до 220 включ. |
- |
- |
±1,5 |
±1,5 |
±1,5 |
- |
|
св. 200 до 310 включ. |
- |
- |
- |
- |
- |
±1,5 |
Таблица 4 - Метрологические характеристики
|
Наименование характеристики |
Значение характеристики для моделей | |||||
|
PS 1001 |
PS 1210 |
PS 200/2000 |
PS 210 |
PS 250 |
PS 360 | |
|
Максимальная нагрузка, Мах, г |
1050 |
1210 |
200/2000 |
210 |
250 |
360 |
|
Минимальная нагрузка, Мт, г |
0,1 |
0,02 | ||||
|
Действительная цена деления, d, мг |
1 |
1/10 |
1 | |||
|
Поверочный интервал, e, мг |
10 |
10/100 |
10 | |||
|
Наименование характеристики |
Значение характеристики для моделей | |||||
|
PS 1001 |
PS 1210 |
PS 200/2000 |
PS 210 |
PS 250 |
PS 360 | |
|
Число поверочных интервалов, n |
105000 |
121000 |
20000 |
21000 |
25000 |
36000 |
|
Пределы допускаемой погрешности весов, mpe, при поверке, мг, в интервалах взвешивания: | ||||||
|
от 0,02 г до 50 г включ. |
- |
- |
±5 |
±5 |
±5 |
±5 |
|
св. 50 г до 200 г включ. |
- |
- |
±10 |
±10 |
±10 |
±10 |
|
от 0,1 г до 500 г включ. |
±5 |
±5 |
- |
- |
- |
- |
|
св. 200 г до 210 г включ |
- |
- |
- |
±15 |
- |
- |
|
св. 200 г до 250 г включ. |
- |
- |
- |
- |
±15 |
- |
|
св. 200 г до 360 г включ. |
- |
- |
- |
- |
- |
±15 |
|
св. 200 г до 500 г включ. |
±50 |
- |
- |
- | ||
|
св. 500 г до 1050 г включ. |
±10 |
- |
- |
- |
- |
- |
|
св. 500 г до 1210 г включ. |
- |
±10 |
- |
- |
- |
- |
|
св. 500 г до 2000 г включ. |
- |
- |
±100 |
- |
- |
- |
Таблица 5 - Метрологические характеристики
|
Наименование характеристики |
Значение характеристики для моделей | |||||
|
PS 450 |
PS 600 |
PS 750 |
PS 1000 |
PS 1500 |
PS 2500 | |
|
Максимальная нагрузка, Мах, г |
450 |
600 |
750 |
1000 |
150 |
2500 |
|
Минимальная нагрузка, Мт, г |
0,02 |
0,5 | ||||
|
Действительная цена деления, d, мг |
1 |
10 | ||||
|
Поверочный интервал, е, мг |
10 |
100 | ||||
|
Число поверочных интервалов, n |
45000 |
60000 |
75000 |
100000 |
15000 |
25000 |
|
Пределы допускаемой погрешности весов, mpe, при поверке, мг, в интервалах взвешивания: | ||||||
|
от 0,02 г до 50 г включ. |
±5 |
±5 |
±5 |
±5 |
- |
- |
|
св. 50 г до 200 г включ. |
±10 |
±10 |
±10 |
±10 |
- |
- |
|
св. 200 г до 450 г включ. |
±15 |
- |
- |
- |
- |
- |
|
св. 200 г до 600 г включ |
- |
±15 |
- |
- |
- |
- |
|
св. 200 г до 750 г включ. |
- |
- |
±15 |
- |
- |
- |
|
св. 200 г до 1000 г включ. |
- |
- |
- |
±15 |
- |
- |
|
от 0,5 г до 500 г включ. |
- |
- |
±50 |
±50 | ||
|
св. 500 г до 1500 г включ. |
- |
- |
- |
±100 |
- | |
|
Наименование характеристики |
Значение характеристики для моделей | |||||
|
PS 450 |
PS 600 |
PS 750 |
PS 1000 |
PS 1500 |
PS 2500 | |
|
св. 500 г до 2000 г включ. |
- |
- |
- |
- |
- |
±100 |
|
св. 2000 г до 2500 г включ. |
- |
- |
- |
- |
- |
±150 |
Таблица 6 - Метрологические характеристики
|
Наименование характеристики |
Значение характеристики для моделей | |||||
|
PS 4500 |
PS 6000 |
PM 10 |
PM 15 |
PM 35 |
PM 50 | |
|
Максимальная нагрузка, Мах, г |
4500 |
6000 |
10000 |
15000 |
35000 |
50000 |
|
Минимальная нагрузка, Мт, г |
0,5 |
5 | ||||
|
Действительная цена деления, d, мг |
10 |
100 | ||||
|
Поверочный интервал, е, мг |
100 |
1000 | ||||
|
Число поверочных интервалов, n |
45000 |
60000 |
100000 |
150000 |
35000 |
50000 |
|
Пределы допускаемой погрешности весов, mpe, при поверке, мг, в интервалах взвешивания: | ||||||
|
от 0,5 г до 500 г включ. |
±50 |
±50 |
- |
- |
- |
- |
|
св. 500 г до 2000 г включ. |
±100 |
±100 |
- |
- |
- |
- |
|
св. 2000 г до 4500 г включ. |
±150 |
- |
- |
- |
- |
- |
|
св. 200 г до 6000 г включ |
- |
±150 |
- |
- |
- |
- |
|
от 1 г до 5000 г включ. |
- |
- |
±50 |
±50 |
- |
- |
|
от 5 г до 5000 г включ. |
- |
- |
- |
- |
±500 |
±500 |
|
св. 200 г до 1000 г включ. |
- |
- |
- |
- |
- |
- |
|
св. 5000 г до 10000 г включ. |
- |
- |
±100 |
- |
- |
- |
|
св. 5000 г до 15100 г включ. |
±100 | |||||
|
св. 5000 г до 20000 г включ. |
- |
- |
- |
- |
±1000 |
±1000 |
|
св. 20000 г до 35000 г включ. |
- |
- |
- |
- |
±1500 |
- |
|
св. 20000 г до 50000 г включ. |
- |
- |
- |
- |
- |
±1500 |
аблица 7 - Метрологические характеристики
|
Наименование характеристики |
Значение |
|
Класс точности весов по ГОСТ OIML R 76-1-2011, для моделей: все модели серии AS, PM 10, PM 15 все модели серии PS, PM 35, PM 50 |
I специальный II высокий |
|
Предел допускаемого размаха |
|mPe| |
|
Диапазон устройства выборки массы тары, кг |
от 0 до Мах |
|
Наименование характеристики |
Значение |
|
Диапазон устройства первоначальной установки нуля |
от 0 до 20 % Мах |
|
Диапазон установки на нуль (суммарный) устройств установки нуля и слежения за нулем |
от 0 до 4 % Мах |
|
Примечание - Согласно п. 3.5.2 ГОСТ OIML R 76-1-2011 пределы допускаемой погрешности в эксплуатации равны удвоенному значению пределов допускаемых погрешностей при первичной поверке. | |
Таблица 8 - Основные технические характеристики
|
Наименование характеристики |
Значение |
|
Время установления показаний, с: для весов серии AS |
от 3 до 6 |
|
для весов серии PS |
от 1,5 до 2 |
|
для весов серии PM |
3 |
|
Параметры электрического питания через адаптер: - напряжение переменного тока, В |
от 110 до 230 |
|
- частота переменного тока, Гц |
от 50 до 60 |
|
Потребляемая мощность, В •А, не более |
60 |
|
Условия эксплуатации: - предельные значения температуры (Tmin, Tmax), °С |
+10, +40 |
|
- относительная влажность воздуха, % |
от 40 до 80 |
|
Средний срок службы весов, лет |
10 |
|
Вероятность безотказной работы за 2000 ч |
0,95 |
Таблица 9 - Основные технические характеристики
|
Обозначение |
Габаритные размеры чашки весов, (диаметр или длина; ширина), мм, не более |
Габаритные размеры весов (длина; ширина; высота), мм, не более |
Масса весов, кг, не более |
|
AS 60/220.R2 AS 82/220.R2 |
0 90 | ||
|
AS 110.R2 AS 160.R2 AS 220.R2 AS 310.R2 |
0 100 |
333;206; 355 |
5,3 |
|
AS 60/220.X2 AS 82/220.X2 |
0 90 | ||
|
AS 110.X2 AS 160.X2 AS 220.X2 AS 310.X2 |
0 100 | ||
|
AS**/**.3Y |
0 100 |
426; 254; 350 |
6,2 |
|
Обозначение |
Габаритные размеры чашки весов, (диаметр или длина; ширина), мм, не более |
Габаритные размеры весов (длина; ширина; высота), мм, не более |
Масса весов, кг, не более |
|
PS 200/2000.R2 PS 600.R2 PS 750.R2 PS 1000.R2 |
128; 128 |
333; 206; 100 |
3,9 |
|
PS 210.R2 PS 360.R2 |
3,7 | ||
|
PS 4500.R2 |
195; 195 |
333;206; 107 |
4,5 |
|
PS 6000.R2 |
4,8 | ||
|
PS 210.X2 PS 360.X2 |
128; 128 |
333; 206; 100 |
3,7 |
|
PS 200/2000.X2 PS 600.X2 PS 750.X2 PS 1000.X2 |
3,9 | ||
|
PS 4500.X2 |
195; 195 |
333, 206, 107 |
4,5 |
|
PS 6000.X2 |
4,8 | ||
|
PS 250.3Y PS 450.3Y |
128; 128 |
425, 251, 168 |
5,3 |
|
5,4 | |||
|
PS 200/2000.3Y PS 600.3Y PS 750.3Y PS 1000.3Y |
5,7 | ||
|
PS 1500.3Y |
195; 195 |
425, 251, 99 |
5,3 |
|
PS 2500.3Y PS 4500.3Y |
5,6 | ||
|
PS 6000.3Y |
5,9 | ||
|
PM 10.C32 PM 15.C32 |
200;185 |
508, 296, 115 |
10,0 |
|
PM 35.C32 PM 50.C32 |
347; 259 |
11,0 | |
|
PM 10.4Y PM 15.4Y |
200; 185 |
508, 296, 115 |
10,0 |
|
PM 35.4Y PM 50.4Y |
347; 259 |
11,0 |

