Номер по Госреестру СИ: 68475-17
68475-17 Термометры электроконтактные
(ТКП-100)
Назначение средства измерений:
Термометры электроконтактные ТКП-100 (далее по тексту - ТКП или прибор) предназначены для измерений и контроля температуры твердых, жидких, газообразных и сыпучих сред.

Внешний вид.
Термометры электроконтактные
Рисунок № 1

Внешний вид.
Термометры электроконтактные
Рисунок № 2

Внешний вид.
Термометры электроконтактные
Рисунок № 3

Внешний вид.
Термометры электроконтактные
Рисунок № 4

Внешний вид.
Термометры электроконтактные
Рисунок № 5

Внешний вид.
Термометры электроконтактные
Рисунок № 6

Внешний вид.
Термометры электроконтактные
Рисунок № 7

Внешний вид.
Термометры электроконтактные
Рисунок № 8

Внешний вид.
Термометры электроконтактные
Рисунок № 9

Внешний вид.
Термометры электроконтактные
Рисунок № 10
Общие сведения
Дата публикации - 06.09.2024
Срок свидетельства - 30.08.2027
Номер записи - 160132
ID в реестре СИ - 382532
Тип производства - серийное
Описание типа
Поверка
Интервал между поверками по ОТ - 4 года; 2 года - для термометров с верхним пределом диапазона измерений +500 °С
Наличие периодической поверки - Да
Методика поверки
Модификации СИ
ТКП 100/М1 совместно с ТС-1088/1 № 10344414, ТКП 100/М1 совместно с ТС №10051326, ТКП 100/М1 совместно с ТС №10051325, ТКП 100/М1 совместно с ТС №10051324, ТКП 100/М1 совместно с ТС №10051323, ТКП 100/М1 совместно с ТС №10051322, ТКП 100/М1 совместно с ТС №10051321, ТКП 100 совместно с ТС-1088/1 №10314154, ТКП 100 совместно с ТС-1088/1 №10314153, ТКП, Термопреобразователь сопротивления ТКП-100Эк-М1-УХЛ4, Термопреобразователь сопротивления ТКП-100Эк, Термопреобразователь сопротивления ТГП-100Эк-М1-УХЛ4, Нет модификации, нет, мод. ТКП-100/М1, мод. ТКП-100, мод. ТГП-100Эк-М1-УХЛ4, исп. ТКП-100/М1, "ТКП-100",
Производитель
Изготовитель - Общество с ограниченной ответственностью Научно-производственное предприятие «ЭЛЕМЕР» (ООО НПП «ЭЛЕМЕР»)
Страна - РОССИЯ
Населенный пункт - г. Москва, г. Зеленоград
Уведомление о начале осуществления предпринимательской деятельности -
Город Омск был основан в 1716 году. Официально получил статус города в 1782 году. С 1934 года - административный центр Омской области. Площадь Омска составляет 566,9 кв. км. Территория города разделена на пять административных округов: Центральный, Советский, Кировский, Ленинский, Октябрьский. Протяженность города Омска вдоль реки Иртыш составляет около 40 км.
Расстояние от Омска до Москвы составляет 2 555 км. Климат Омска резко континентальный. Зима суровая, продолжительная, с устойчивым снежным покровом. Лето теплое, часто жаркое. Весна и осень характеризуются резкими колебаниями температуры. Средняя температура самого теплого месяца (июля): +18˚С. Средняя температура самого холодного месяца (январь): -19˚С.
Численность населения на 1 января 2022 года составляет 1 126 193 человека. Плотность населения составляет 1 949 человек на 1 кв. км. Омск - один из крупнейших городов Западно-Сибирского региона России. Омская область соседствует с Тюменской областью на западе и севере, с Томской и Новосибирской областями на востоке и с Республикой Казахстан на юге и юго-западе.
Отчет "Анализ рынка поверки в Омске" предоставляет исчерпывающую информацию по деятельности организаций, аккредитованных в Национальной системе аккредитации на право поверки средств измерений в городе Омск.
При проведении исследований были введены следующие ограничения:
- в отчете присутствуют организации с первичными или периодическими поверками от 100 шт. с 2017 года и действующими аттестатами аккредитации на текущий год;
- на первом и втором этапах фильтром отсекаются типы СИ с менее чем 10 поверками в год на организацию;
- на первом и втором этапах фильтром отсекаются типы СИ с менее чем 10 поверками в год на организацию;
- место регистрации или осуществления деятельности организаций должно совпадать с выбранным городом;
- топ типов СИ ограничен 500 позициями по каждой организации (сортировка по убыванию количества поверок);
- топ типов СИ ограничен 100 позициями по каждой организации при поиске по видам измерений (сортировка по убыванию количества поверок).
Содержание отчета:
- Список организаций-поверителей, осуществляющих поверку в городе Москва по данным ФСА и ФГИС АРШИН.
- Объемы первичных и периодических поверок за период с 2017г. по н.в.
- Информация о местах осуществления деятельности организаций-поверителей.
- Доля рынка поверок в % среди всех организаций, исследуемого города (предоставление информации в графическом и табличном видах).
- Детальный анализ по каждой из организации, работающей в выбранном городе.
- Анализ деятельности в разрезе первичных, периодических поверок и видов измерений.
- Количество поверок по типам СИ в динамике по годам.
- Индикация импортных аналогов средств поверки (в соответствии с ПЕРЕЧЕНЕМ СИ ОТЕЧЕСТВЕННОГО ПРОИЗВОДСТВА, АНАЛОГИЧНЫХ СРЕДСТВАМ ИЗМЕРЕНИЙ ИМПОРТНОГО ПРОИЗВОДСТВА от 09.2022г)
- Индикация типов СИ по ПП РФ №250 от 20.04.2010 г.
- Быстрый анализ контрагентов организаций-поверителей.
- Анализ цен на поверку СИ по Фед. округу.
Статистика
Кол-во поверок - 798
Выдано извещений - 4
Кол-во периодических поверок - 164
Кол-во средств измерений - 675
Кол-во владельцев - 36
Усредненный год выпуска СИ - 2021
МПИ по поверкам - 2026 дн.
Приказы РСТ, где упоминается данный тип СИ
№1828 от 2017.08.30 Об утверждении типов средств измерений
№1448 от 2022.06.14 ПРИКАЗ_О внесении изменений в сведения об утвержденных типах средств измерений в части продления срока действия СИ (28)
№719 от 2023.04.04 Об установлении методики поверки МП 2550-0404-2023 для измерителей скорости потока ИСП-1М (в дополнение к ранее установленной)
№1874 от 2024.08.14 ПРИКАЗ О внесении изменений в сведения об утвержденных типах СИ (11)
Наличие аналогов СИ: Термометры электроконтактные (ТКП-100)
| ИМПОРТНОЕ СИ № в реестре, наименование СИ, обозначение, изголовитель |
ОТЕЧЕСТВЕННЫЙ АНАЛОГ № в реестре, наименование СИ, обозначение, изголовитель |
|---|
Все средства измерений Общество с ограниченной ответственностью Научно-производственное предприятие «ЭЛЕМЕР» (ООО НПП «ЭЛЕМЕР»)
|
№ в реестре cрок св-ва |
Наименование СИ, обозначение, изголовитель | ОТ, МП | МПИ |
|---|---|---|---|
|
19973-06 09.02.2027 |
Системы поверки термопреобразователей автоматизированные, АСПТ Общество с ограниченной ответственностью Научно-производственное предприятие «ЭЛЕМЕР» (ООО НПП «ЭЛЕМЕР») (РОССИЯ г. Москва, г. Зеленоград) |
ОТ МП |
1 год |
|
27728-09 06.09.2029 |
Преобразователи температуры и влажности измерительные, РОСА-10 Общество с ограниченной ответственностью Научно-производственное предприятие «ЭЛЕМЕР» (ООО НПП «ЭЛЕМЕР») (РОССИЯ г. Москва, г. Зеленоград) |
ОТ |
2 года |
|
32777-06 03.02.2027 |
Термометры сопротивления платиновые вибропрочные эталонные, ПТСВ Общество с ограниченной ответственностью Научно-производственное предприятие «ЭЛЕМЕР» (ООО НПП «ЭЛЕМЕР») (РОССИЯ г. Москва, г. Зеленоград) |
ОТ МП |
1 год, при измерении максимальной температуры - 1000 часов |
|
35062-07 20.04.2027 |
Калибраторы-измерители унифицированных сигналов эталонные, ИКСУ-260 Общество с ограниченной ответственностью Научно-производственное предприятие «ЭЛЕМЕР» (ООО НПП «ЭЛЕМЕР») (РОССИЯ г. Москва, г. Зеленоград) |
ОТ МП |
2 года |
|
43466-15 02.12.2030 |
Комплексы измерительно-вычислительные на базе модулей, ЭЛЕМЕР-EL-4000 Общество с ограниченной ответственностью Научно-производственное предприятие «ЭЛЕМЕР» (ООО НПП «ЭЛЕМЕР») (РОССИЯ г. Москва, г. Зеленоград) |
ОТ МП |
2 года |
|
45007-10 12.11.2030 |
Калибраторы температуры эталонные, "ЭЛЕМЕР-КТ-500" Общество с ограниченной ответственностью Научно-производственное предприятие «ЭЛЕМЕР» (ООО НПП «ЭЛЕМЕР») (РОССИЯ г. Москва, г. Зеленоград) |
ОТ |
1 год |
|
45032-10 12.11.2030 |
Калибраторы температуры эталонные, "ЭЛЕМЕР-КТ-650" Общество с ограниченной ответственностью Научно-производственное предприятие «ЭЛЕМЕР» (ООО НПП «ЭЛЕМЕР») (РОССИЯ г. Москва, г. Зеленоград) |
ОТ |
1 год |
|
45368-10 30.07.2030 |
Комплекты термометров сопротивления платиновых, КТСП Общество с ограниченной ответственностью Научно-производственное предприятие «ЭЛЕМЕР» (ООО НПП «ЭЛЕМЕР») (РОССИЯ г. Москва, г. Зеленоград) |
ОТ МП |
4 года |
|
56318-14 07.12.2028 |
Калибраторы-измерители унифицированных сигналов прецизионные, "ЭЛЕМЕР-ИКСУ-2012" Общество с ограниченной ответственностью Научно-производственное предприятие «ЭЛЕМЕР» (ООО НПП «ЭЛЕМЕР») (РОССИЯ г. Москва, г. Зеленоград) |
ОТ МП |
2 года |
|
57933-14 17.06.2029 |
Термопреобразователи универсальные, ТПУ 0304/М1-СВ, ТПУ 0304/М2-СВ Общество с ограниченной ответственностью Научно-производственное предприятие «ЭЛЕМЕР» (ООО НПП «ЭЛЕМЕР») (РОССИЯ г. Москва, г. Зеленоград) |
ОТ МП |
4 года |
|
57945-14 17.06.2029 |
Регистраторы технологические, КС-1Е, КС-2Е Общество с ограниченной ответственностью Научно-производственное предприятие «ЭЛЕМЕР» (ООО НПП «ЭЛЕМЕР») (РОССИЯ г. Москва, г. Зеленоград) |
ОТ МП |
3 года - для КС-1Е, КС-2Е, КС-1ЕА, КС-2ЕА (с индексом заказа А); 4 года - для КС-1Е, КС-2Е (с индексом заказа В); 5 лет - для КС-1ЕА, КС-2ЕА (с индексом заказа В) |
|
57946-14 17.06.2029 |
Регистраторы технологические, КП-1Е, КП-140Е Общество с ограниченной ответственностью Научно-производственное предприятие «ЭЛЕМЕР» (ООО НПП «ЭЛЕМЕР») (РОССИЯ г. Москва, г. Зеленоград) |
ОТ МП |
3 года - для КП-1Е, КП-140Е, КП-1ЕА, КП-140ЕА (с индексом заказа А); 4 года - для КП-1Е, КП-140Е (с индексом заказа В); 5 лет - для КП-1ЕА, КП-140ЕА (с индексом заказа В) |
|
58668-14 15.07.2029 |
Преобразователи давления эталонные, ПДЭ-020, ПДЭ-020И Общество с ограниченной ответственностью Научно-производственное предприятие «ЭЛЕМЕР» (ООО НПП «ЭЛЕМЕР») (РОССИЯ г. Москва, г. Зеленоград) |
ОТ МП |
2 года - для преобразователей с погрешностью ±0,1 %; 1 год - для остальных преобразователей |
|
58808-14 06.09.2029 |
Термопреобразователи сопротивления из платины и меди и их чувствительные элементы, ТС и ЧЭ Общество с ограниченной ответственностью Научно-производственное предприятие «ЭЛЕМЕР» (ООО НПП «ЭЛЕМЕР») (РОССИЯ г. Москва, г. Зеленоград) |
ОТ МП |
2 года; для диапазона температур -50…350 °С - 4 года |
|
61077-15 14.07.2030 |
Преобразователи термоэлектрические многозонные, ТП-0199 Общество с ограниченной ответственностью Научно-производственное предприятие «ЭЛЕМЕР» (ООО НПП «ЭЛЕМЕР») (РОССИЯ г. Москва, г. Зеленоград) |
ОТ МП |
Первичная поверка до ввода в эксплуатацию |
|
61352-15 02.12.2030 |
Термопреобразователи сопротивления из платины и меди, ТС-1388/1М, ТС-1388/1-1М, ТС-1388/2-1М, ТС-1388/2-3М, ТС-1388/13М Общество с ограниченной ответственностью Научно-производственное предприятие «ЭЛЕМЕР» (ООО НПП «ЭЛЕМЕР») (РОССИЯ г. Москва, г. Зеленоград) |
ОТ МП |
Первичная поверка до ввода в эксплуатацию |
|
61447-15 02.12.2030 |
Термометры электроконтактные, ТКП-150, ТКП-100/М3, ТКП-100/М4 Общество с ограниченной ответственностью Научно-производственное предприятие «ЭЛЕМЕР» (ООО НПП «ЭЛЕМЕР») (РОССИЯ г. Москва, г. Зеленоград) |
ОТ МП |
4 года; 2 года - для термометров электроконтактных ТКП-150, ТКП-100/М3, ТКП-100/М4 с верхним пределом диапазона измерений +500 °С |
|
61859-15 02.10.2021 |
Термометры электроконтактные автономные, ТКП-100БП/М1, ТКП-100БП/М3 Общество с ограниченной ответственностью Научно-производственное предприятие «ЭЛЕМЕР» (ООО НПП «ЭЛЕМЕР») (РОССИЯ г. Москва, г. Зеленоград) |
ОТ МП |
2 года; 4 года - для термометров с верхним пределом диапазона измерений +400 °С |
|
61994-15 30.10.2030 |
Измерители технологические цифровые, ИТЦ 420/М3-5 Общество с ограниченной ответственностью Научно-производственное предприятие «ЭЛЕМЕР» (ООО НПП «ЭЛЕМЕР») (РОССИЯ г. Москва, г. Зеленоград) |
ОТ МП |
3 года - для индекса заказа А; 5 лет - для индекса заказа В |
|
62812-15 12.10.2030 |
Калибраторы давления малогабаритные, "ЭЛЕМЕР-КДМ-020" Общество с ограниченной ответственностью Научно-производственное предприятие «ЭЛЕМЕР» (ООО НПП «ЭЛЕМЕР») (РОССИЯ г. Москва, г. Зеленоград) |
ОТ МП |
2 года |
|
64273-16 24.06.2026 |
Калибраторы давления автоматические, "ЭЛЕМЕР-АКД-12К", "ЭЛЕМЕР-АКД-12КИ" Общество с ограниченной ответственностью Научно-производственное предприятие «ЭЛЕМЕР» (ООО НПП «ЭЛЕМЕР») (РОССИЯ г. Москва, г. Зеленоград) |
ОТ МП |
1 год |
|
64695-16 12.08.2026 |
Калибраторы давления малогабаритные, "ЭЛЕМЕР-КДМ-030" Общество с ограниченной ответственностью Научно-производственное предприятие «ЭЛЕМЕР» (ООО НПП «ЭЛЕМЕР») (РОССИЯ г. Москва, г. Зеленоград) |
ОТ МП |
2 года |
|
65317-16 26.09.2026 |
Преобразователи измерительные (барьеры искрозащиты), "ЭЛЕМЕР-БРИЗ 420-Ех", "ЭЛЕМЕР-БРИЗ 420Р-Ех", "ЭЛЕМЕР-БРИЗ ТМ1-Ех" Общество с ограниченной ответственностью Научно-производственное предприятие «ЭЛЕМЕР» (ООО НПП «ЭЛЕМЕР») (РОССИЯ г. Москва, г. Зеленоград) |
ОТ МП |
5 лет; 2 года - для преобразователей с индексом заказа А |
|
67944-17 07.07.2027 |
Измерители технологические цифровые, ИТЦ 420 Общество с ограниченной ответственностью Научно-производственное предприятие «ЭЛЕМЕР» (ООО НПП «ЭЛЕМЕР») (РОССИЯ г. Москва, г. Зеленоград) |
ОТ МП |
2 года |
|
68355-17 15.08.2027 |
Термометры цифровые малогабаритные, ТЦМ 9410 Общество с ограниченной ответственностью Научно-производственное предприятие «ЭЛЕМЕР» (ООО НПП «ЭЛЕМЕР») (РОССИЯ г. Москва, г. Зеленоград) |
ОТ МП |
2 года; 6 месяцев - для термометров с ТТЦ в диапазоне температур св. +1100 °С |
|
68475-17 30.08.2027 |
Термометры электроконтактные, ТКП-100 Общество с ограниченной ответственностью Научно-производственное предприятие «ЭЛЕМЕР» (ООО НПП «ЭЛЕМЕР») (РОССИЯ г. Москва, г. Зеленоград) |
ОТ МП |
4 года; 2 года - для термометров с верхним пределом диапазона измерений +500 °С |
|
70286-18 26.01.2028 |
Преобразователи давления измерительные, АИР-10U, АИР-10Р Общество с ограниченной ответственностью Научно-производственное предприятие «ЭЛЕМЕР» (ООО НПП «ЭЛЕМЕР») (РОССИЯ г. Москва, г. Зеленоград) |
ОТ МП |
3 года; 5 лет - для преобразователей с пределами допуск. привед. погрешности ±0,5 % |
|
73741-18 29.12.2028 |
Уровнемеры поплавковые потенциометрические, "ЭЛЕМЕР-УПП-11" Общество с ограниченной ответственностью Научно-производственное предприятие «ЭЛЕМЕР» (ООО НПП «ЭЛЕМЕР») (РОССИЯ г. Москва, г. Зеленоград) |
ОТ МП |
2 года - для индекса заказа А; 4 года - для индекса заказа В |
|
73672-18 29.12.2029 |
Термометры сопротивления платиновые эталонные, ЭТС-1С, ЭТС-1К, ЭТС-2С, ЭТС-2К, ЭТС-3М Общество с ограниченной ответственностью Научно-производственное предприятие «ЭЛЕМЕР» (ООО НПП «ЭЛЕМЕР») (РОССИЯ г. Москва, г. Зеленоград) |
ОТ МП |
1 год |
|
73585-18 21.12.2028 |
Уровнемеры радарные, "ЭЛЕМЕР-УР-31" Общество с ограниченной ответственностью Научно-производственное предприятие «ЭЛЕМЕР» (ООО НПП «ЭЛЕМЕР») (РОССИЯ г. Москва, г. Зеленоград) |
ОТ МП |
2 года |
|
73547-18 21.12.2029 |
Манометры цифровые эталонные, "ЭЛЕМЕР-МЦЭ-040" Общество с ограниченной ответственностью Научно-производственное предприятие «ЭЛЕМЕР» (ООО НПП «ЭЛЕМЕР») (РОССИЯ г. Москва, г. Зеленоград) |
ОТ МП |
1 год |
|
75073-19 24.05.2029 |
Калибраторы температуры, "ЭЛЕМЕР-КТ-900К", "ЭЛЕМЕР-КТ-1100К" Общество с ограниченной ответственностью Научно-производственное предприятие «ЭЛЕМЕР» (ООО НПП «ЭЛЕМЕР») (РОССИЯ г. Москва, г. Зеленоград) |
ОТ МП |
1 год - для калибраторов с индексом заказа А; 2 года - для калибраторов с индексом заказа В |
|
76704-19 29.11.2029 |
Преобразователи измерительные (барьеры искрозащиты), "ЭЛЕМЕР-БРИЗ ТМ2-Ех" Общество с ограниченной ответственностью Научно-производственное предприятие «ЭЛЕМЕР» (ООО НПП «ЭЛЕМЕР») (РОССИЯ г. Москва, г. Зеленоград) |
ОТ МП |
5 лет; 2 года - для преобразователей с индексом заказа А |
|
77963-20 24.03.2030 |
Термопреобразователи прецизионные, ПТ 0304-ВТ Общество с ограниченной ответственностью Научно-производственное предприятие «ЭЛЕМЕР» (ООО НПП «ЭЛЕМЕР») (РОССИЯ г. Москва, г. Зеленоград) |
ОТ МП |
2 года; 5 лет - для термопреобразователей с НСХ ПП классов В, С |
|
77865-20 17.03.2030 |
Регистраторы многоканальные технологические, РМТ 79 Общество с ограниченной ответственностью Научно-производственное предприятие «ЭЛЕМЕР» (ООО НПП «ЭЛЕМЕР») (РОССИЯ г. Москва, г. Зеленоград) |
ОТ МП |
2 года - для индекса заказа А; 4 года - для индекса заказа В |
|
78676-20 29.06.2030 |
Калибраторы температуры жидкостные, "ЭЛЕМЕР-ТК-М", "ЭЛЕМЕР-Т" Общество с ограниченной ответственностью Научно-производственное предприятие «ЭЛЕМЕР» (ООО НПП «ЭЛЕМЕР») (РОССИЯ г. Москва, г. Зеленоград) |
ОТ МП |
1 год; для калибраторов с индексом заказа В - 2 года |
|
78838-20 23.07.2030 |
Термопреобразователи с унифицированным выходным сигналом , ТПУ-205 Общество с ограниченной ответственностью Научно-производственное предприятие «ЭЛЕМЕР» (ООО НПП «ЭЛЕМЕР») (РОССИЯ г. Москва, г. Зеленоград) |
ОТ МП |
2 года; 6 месяцев - для ТПУ-205 с ТП с верхним пределом диапазона измерений св. 1100 °C |
|
31654-19 25.03.2029 |
Преобразователи давления измерительные, АИР-10 Общество с ограниченной ответственностью Научно-производственное предприятие «ЭЛЕМЕР» (ООО НПП «ЭЛЕМЕР») (РОССИЯ г. Москва, г. Зеленоград) |
ОТ МП |
3 года – для преобразователей с пределами допускаемой основной приведенной погрешности ±0,1 и ±0,2 %; 5 лет – для преобразователей с пределами допускаемой основной приведенной погрешности ±0,25, ±0,4, ±0,5 и ±0,6 % |
|
79250-20 11.09.2025 |
Расходомеры-счетчики вихревые, ЭЛЕМЕР-РВ Общество с ограниченной ответственностью Научно-производственное предприятие «ЭЛЕМЕР» (ООО НПП «ЭЛЕМЕР») (РОССИЯ г. Москва, г. Зеленоград) |
ОТ МП |
4 года |
|
29934-15 24.09.2030 |
Регистраторы многоканальные технологические, РМТ59, РМТ69 Общество с ограниченной ответственностью Научно-производственное предприятие «ЭЛЕМЕР» (ООО НПП «ЭЛЕМЕР») (РОССИЯ г. Москва, г. Зеленоград) |
ОТ МП |
3 года |
|
80413-20 29.12.2030 |
Преобразователи термоэлектрические, ТП Общество с ограниченной ответственностью Научно-производственное предприятие «ЭЛЕМЕР» (ООО НПП «ЭЛЕМЕР») (РОССИЯ г. Москва, г. Зеленоград) |
ОТ МП |
Исследование "Анализ рынка поверки Дальневосточного федерального округа" предоставляет исчерпывающую информацию об организациях, оказывающих услуги поверки на территории Дальнего Востока России и Восточной Сибири.
Параметры исследований:
- фильтр по работающим в округе организациям-поверителям по данным ФСА и ФГИС АРШИН
- объемы первичных и периодических поверок за период 2017г. по н.в.
- фильтр по местам осуществления деятельности
- предоставление информации в графическом и табличном видах
- детальное рассмотрение деятельности каждой из организаций округа по годам
- анализ в разрезе первичных, периодических поверок и видов измерений
- количество поверок по типам СИ в динамике по годам
- индикация импортных аналогов средств поверки (в соответствии с ПЕРЕЧЕНЕМ СИ ОТЕЧЕСТВЕННОГО ПРОИЗВОДСТВА, АНАЛОГИЧНЫХ СРЕДСТВАМ ИЗМЕРЕНИЙ ИМПОРТНОГО ПРОИЗВОДСТВА от 09.2022г)
- индикация типов СИ по ПП РФ №250 от 20.04.2010 г.
- быстрый анализ контрагентов организаций-поверителей
- анализ цен на поверку СИ по Фед. округу
Кто поверяет Термометры электроконтактные (ТКП-100)
| Наименование организации | Cтатус | Поверенные модификации | Кол-во поверок | Поверок в 2025 году | Первичных поверок | Периодических поверок | Извещений | Для юриков | Для юриков первичные | Для юриков периодические |
|---|---|---|---|---|---|---|---|---|---|---|
| ФБУ "КУРСКИЙ ЦСМ" (RA.RU.311463) | РСТ | 32 | 0 | 32 | 0 | 32 | 0 | 32 | ||
| ООО НПП "ЭЛЕМЕР" (1491) | 2 | 0 | 0 | 0 | 0 | 0 | 0 | |||
| ФБУ "ЦСМ РЕСПУБЛИКИ БАШКОРТОСТАН" (RA.RU.311406) | РСТ | 1 | 0 | 1 | 0 | 1 | 0 | 1 | ||
| ООО "НТЦ "ЭКСИМ" (RA.RU.312325) | 1 | 0 | 1 | 0 | 0 | 0 | 0 | |||
| ФБУ "УРАЛТЕСТ" (RA.RU.311249) | РСТ | 1 | 0 | 1 | 0 | 1 | 0 | 1 | ||
| ФБУ "ТЮМЕНСКИЙ ЦСМ" (RA.RU.311494) | РСТ | 1 | 0 | 1 | 0 | 1 | 0 | 1 | ||
| ФБУ "САРАТОВСКИЙ ЦСМ ИМ. Б.А. ДУБОВИКОВА" (RA.RU.311232) | РСТ | 2 | 0 | 2 | 0 | 2 | 0 | 2 | ||
| ООО "РЕГИОНАЛЬНЫЙ СТАНДАРТ" (RA.RU.312407) | 7 | 0 | 7 | 0 | 0 | 0 | 0 | |||
| ООО НПП "ЭЛЕМЕР" (RA.RU.311317) | 611 | 7 | 549 | 2 | 0 | 54 | 15 | 1 | ||
| ФБУ "РОСТЕСТ-МОСКВА" (RA.RU.311341) | РСТ | 3 | 0 | 3 | 0 | 3 | 0 | 3 | ||
| ФБУ "ИРКУТСКИЙ ЦСМ" (RA.RU.311392) | РСТ | 1 | 0 | 0 | 0 | 0 | 0 | 0 | ||
| ФБУ «Дагестанский ЦСМ» (RA.RU.311505) | РСТ | 20 | 0 | 0 | 0 | 0 | 0 | 0 | ||
| ООО НПП "ЭЛEMEP" (RA.RU.311317) | 2 | 0 | 0 | 0 | 0 | 0 | 0 | |||
| ООО «ПРОММАШ ТЕСТ МЕТРОЛОГИЯ» (RA.RU.313740) | 1 | 0 | 1 | 0 | 1 | 0 | 1 | |||
| ФБУ "СЕВЕРО-КАВКАЗСКИЙ ЦСМ" (RA.RU.311488) | РСТ | 1 | 0 | 1 | 0 | 1 | 0 | 1 | ||
| ФБУ "ТУЛЬСКИЙ ЦСМ" (RA.RU.311462) | РСТ | 4 | 0 | 4 | 0 | 4 | 0 | 4 | ||
| ФБУ "Краснодарский ЦСМ" (RA.RU.311441) | РСТ | 6 | 1 | 0 | 6 | 2 | 6 | 0 | 6 | |
| ФКП "НПО "КЗТМ" (RA.RU.310673) | 3 | 0 | 3 | 0 | 1 | 0 | 1 | |||
| ПАО "ОДК-КУЗНЕЦОВ" (RA.RU.311628) | 3 | 1 | 0 | 3 | 1 | 0 | 0 | 0 | ||
| ФБУ "ОМСКИЙ ЦСМ" (RA.RU.311220) | РСТ | 3 | 1 | 0 | 3 | 0 | 3 | 0 | 3 | |
| ФБУ "РОСТОВСКИЙ ЦСМ" (RA.RU.311306) | РСТ | 2 | 0 | 2 | 0 | 2 | 0 | 2 | ||
| ФБУ "КОСТРОМСКОЙ ЦСМ" (RA.RU.311489) | РСТ | 11 | 6 | 0 | 11 | 0 | 11 | 0 | 11 | |
| АО "НЕФТЕАВТОМАТИКА" (RA.RU.310667) | 5 | 0 | 5 | 1 | 5 | 0 | 5 | |||
| ООО "ТРАНСНЕФТЬ - БАЛТИКА" (RA.RU.311790) | 37 | 37 | 0 | 37 | 0 | 37 | 0 | 37 | ||
| ООО "ГАЗСЕРВИС" (РОСС RU.0001.310365) | 4 | 2 | 0 | 4 | 0 | 4 | 0 | 4 | ||
| ООО "ТЕПЛОСЕРВИС" (RA.RU.314016) | 2 | 2 | 0 | 2 | 0 | 0 | 0 | 0 | ||
| ООО "НМОП" (RA.RU.311359) | 31 | 25 | 0 | 31 | 0 | 31 | 0 | 31 | ||
| ФБУ "ОРЕНБУРГСКИЙ ЦСМ" (RA.RU.311228) | РСТ | 1 | 0 | 1 | 0 | 1 | 0 | 1 |
Стоимость поверки Термометры электроконтактные (ТКП-100)
| Организация, регион | Стоимость, руб | Средняя стоимость |
|---|---|---|
|
ФБУ НИЦ ПМ-Ростест Москва |
887 | 2194 |
|
ФБУ НИЦ ПМ-Ростест Москва |
2700 | 2194 |
|
ФБУ Камчатский ЦСМ Камчатский край |
855 | 2194 |
|
ФБУ Курский ЦСМ Курская область |
502 | 2194 |
|
ФБУ УРАЛТЕСТ Свердловская область |
6024 | 2194 |
Программное обеспечение
Программное обеспечение (ПО) ТКП состоит только из встроенной в микропроцессорный модуль метрологически значимой части ПО. ПО ТКП является фиксированным, незагружаемым и может быть изменено только на предприятии-изготовителе, что соответствует уровню защиты «высокий» (в соответствии с рекомендацией по метрологии Р 50.2.077-2014). Метрологические характеристики ТКП оценены с учетом влияния на них встроенного ПО.
Таблица 1 - Идентификационные данные внутреннего программного обеспечения
|
Идентификационные данные (признаки) |
Значение |
|
Идентификационное наименование ПО |
ТКР-150М МСИС PIC18F2525 v8 89 2017-03-10.hex |
|
Номер версии (идентификационный номер) ПО |
не ниже 8.89 |
|
Цифровой идентификатор ПО |
по номеру версии |
Знак утверждения типа
Знак утверждения типананосится на табличку, прикрепленную к корпусу термометров электроконтактных ТКП-100, термотрансферным способом и (или) на руководство по эксплуатации типографским способом.
Сведения о методиках измерений
Сведения о методиках (методах) измерений
приведены в эксплуатационном документе.
Нормативные и технические документы
Нормативные и технические документы, устанавливающие требования к термометрам электроконтактным ТКП-100
ГОСТ Р 52931-2008 Приборы контроля и регулирования технологических процессов. Общие технические условия
ГОСТ 6651-2009 ГСИ. Термопреобразователи сопротивления из платины, меди и никеля.
Общие технические требования и методы испытаний
ГОСТ 23125-95 Сигнализаторы температуры. Общие технические условия
ТУ 4211-091-13282997-2011 Термометры электроконтактные ТКП-100. Технические условия
Поверка
Поверкаосуществляется по документу НКГЖ 405591.022МП «Термометры электроконтактные ТКП-100. Методика поверки», утвержденному ООО «ИЦРМ» 31.05.2017 г.
Основные средства поверки:
Термометры сопротивления платиновые эталонные ПТС-10М (регистрационный номер в Федеральном информационном фонде 11804-99);
Термометры сопротивления платиновые вибропрочные эталонные ПТСВ-3 (регистрационный номер в Федеральном информационном фонде 32777-06);
Термостаты переливные прецизионные ТПП-1 (регистрационный номер в Федеральном информационном фонде 33744-07);
Термостат с флюидизированной средой FB-08 (регистрационный номер в Федеральном информационном фонде 44370-10);
Калибраторы температуры «ЭЛЕМЕР-КТ-150К», «ЭЛЕМЕР-КТ-200К», «ЭЛЕМЕР-КТ-500К», «ЭЛЕМЕР-КТ-650К» (регистрационный номер в Федеральном информационном фонде 60979-15).
Допускается применение аналогичных средств поверки, обеспечивающих определение метрологических характеристик поверяемых СИ с требуемой точностью.
Знак поверки наносится на свидетельство о поверке и (или) в паспорт.
Изготовитель
Общество с ограниченной ответственностью Научно-производственное предприятие
«ЭЛЕМЕР» (ООО НПП «ЭЛЕМЕР»)
ИНН: 5044003551
Адрес: 124489, г. Москва, г. Зеленоград, проезд 4807, дом 7, строение 1
Юридический адрес: 124460, г. Москва, г. Зеленоград, корп. 1145, н.п. 1
Телефон (факс): (495) 925-51-47 ((499) 710-00-01)
Web-сайт: www.elemer.ru
E-mail: elemer@elemer.ru
Испытательный центр
Общество с ограниченной ответственностью « разработок в области метрологии»Адрес: 142704, Московская область, Ленинский район, г. Видное, Промзона тер., корпус 526 Телефон: +7 (495) 278-02-48
E-mail: info@ic-rm.ru
Принцип действия ТКП, состоящего из первичного преобразователя температуры -термопреобразователя сопротивления (ТС) и электронного блока, основан на зависимости сопротивления платинового термочувствительного элемента (ЧЭ) ТС с номинальной статической характеристикой преобразования (НСХ) типа «Pt100» по ГОСТ 6651-2009 от температуры. Электронный блок ТКП осуществляет аналого-цифровое преобразование параметров электрического сигнала, поступающего от ТС, и передачу его в микропроцессорный модуль, который обеспечивает управление всеми схемами прибора. В зависимости от значения измеренного сигнала ТКП может осуществлять регулирование и управление различными исполнительными устройствами.
ТКП являются переконфигурируемыми приборами. Просмотр и изменение параметров конфигурации ТКП производится посредством кнопочной клавиатуры, расположенной на лицевой панели. Индикация значений измеряемой температуры, в том числе и в виде дискретной графической шкалы с указанием положения уставок относительно диапазона измерений, а также значений уставок и параметров конфигурации происходит на многофункциональном четырехразрядном дисплее. Также на дисплее отображается информация о срабатывании реле каналов сигнализации.
ТКП имеют две уставки и два электромеханических вибростойких реле каналов сигнализации, тип и значение уставок выбираются потребителем.
ТКП являются:
-
- по числу преобразуемых входных сигналов - одноканальными;
-
- по числу каналов сигнализации - двухканальными.
ТКП имеют исполнения:
-
- общепромышленное ТКП-100/М1, ТКП-100/М2;
-
- атомное (повышенной надежности) для эксплуатации на объектах АС и объектах ядерного топливного цикла (ОЯТЦ) ТКП-100А/М1, ТКП-100А/М2.
В зависимости от варианта электрического присоединения к цепям питания и цепям сигнализации ТКП имеют модификации:
-
- ТКП-100/М1 с разъемами 2РМГ14 и 2РМГ22;
-
- ТКП-100/М2 с разъемами GSP 311, GSSNA 300.
Фотографии общего вида ТКП с первичными преобразователями представлены на рисунке 1.
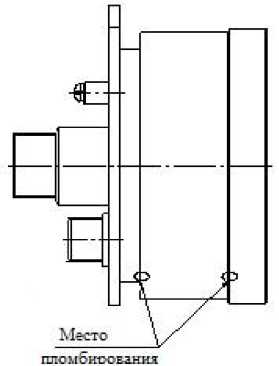
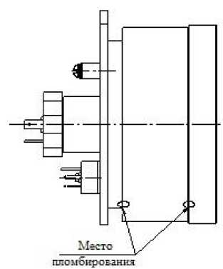
Схема пломбировки от несанкционированного доступа представлена на рисунке 2.
ТС-1088/1
ТС-1088/7


ТС-1088/3, ТС-1088/6
ТС-1088/4
ТС-1088/2, ТС-1088/5

ТС-1088/9
ТС-1288/2
ТС-1388/5ТКП




ТС-1288/10
Рисунок 1 - Общий вид ТКП-100/М1, ТКП-10/М2

ТКП-100/М2
Рисунок 2 - Схема пломбировки от несанкционированного доступа
ТКП-100/М1
Таблица 4 -
|
Наименование |
Обозначение |
Количество |
Примечание |
|
Термометр электроконтактный ТКП-100____ |
НКГЖ.405591.022— |
1 шт. |
Исполнение, модификация ТКП-100 в соот ветствии с заказом |
|
Комплект инструмента и принадлежностей ТКП-100/М1 |
НКГЖ.405.591.052 |
1 шт. |
|
Наименование |
Обозначение |
Количество |
Примечание |
|
Комплект инструмента и принадлежностей ТКП-100/М2 |
НКГЖ.405.591.053 |
1 шт. | |
|
Термометры электроконтактные ТКП-100. Руководство по эксплуатации |
НКГЖ.405591.022РЭ |
1 экз. | |
|
Термометры электроконтактные ТКП-100. Паспорт |
НКГЖ.405591.022-ХХПС |
1 экз. | |
|
Термометры электроконтактные ТКП-100. Методика поверки |
НКГЖ.405591.022МП |
1 экз. |
Таблица 2 - Основные метрологические характеристики
|
Наименование характеристики |
Значение | ||||||
|
Диапазон измерений температуры, °С |
от -50 до +200 |
от -50 до +200 |
от 0 до +500 | ||||
|
Поддиапазоны измерений температуры, °С |
от -50 до +200 от -25 до +35 от -25 до +75 |
от -50 до +200 от 0 до +50 от 0 до +100 от +25 до +125 от +50 до +150 от +100 до +200 |
от 0 до +500 от +100 до +250 от +200 до +300 | ||||
|
Пределы допускаемой основной приведенной погрешности измерений температуры, g0, % (от диапазона измерений) |
±(1,0+*) |
±(0,5+*) |
±(0,25+*) |
±(0,25+*) |
±(1,0+*) |
±(0,5+*) |
±(0,25+*) |
|
Класс точности |
1,0 |
0,5 |
0,25 |
0,25 |
1,0 |
0,5 |
0,25 |
|
Длина монтажной части, мм, не менее |
20, 30, 40, 50, 60, 80 |
100 |
120 |
120 |
120 |
160 |
200 |
|
Пределы допускаемой дополнительной погрешности измерений температуры от изменения температуры окружающей среды в диапазоне рабочих температур, на каждые 10 °С, %/10 °С |
±0,25 | ||||||
|
Наименование характеристики |
Значение |
|
Нормальные условия измерений:
|
от +15 до +25 от 30 до 80 от 84 до 106,7 |
|
Примечание - * - Одна единица наименьшего разряда, выраженная в процентах от диапазона измерений | |
Таблица 3 - Основные технические характеристики
|
Наименование характеристики |
Значение |
|
Параметры электрического питания: - номинальное напряжение постоянного тока, В |
24; 36 |
|
- номинальное напряжение переменного тока, В |
220 |
|
- частота переменного тока, Гц |
50 |
|
Потребляемая мощность, Вт, не более |
5 |
|
Длина монтажной части, мм, не более |
от 20 до 25000 |
|
Масса электронного блока, кг, не более |
0,7 |
|
Рабочие условия измерений: |
от -5 до +50 |
|
- температура окружающей среды*, °С |
от -25 до +70 |
|
- относительная влажность, % |
от -40 до +70 95 |
|
- атмосферное давление, кПа |
от 84 до 106,7 |
|
Средняя наработка на отказ, ч, не менее: - для ТКП-100 |
80000 |
|
- для ТКП-100А |
270000 |
|
Средний срок службы, лет, не менее: - для ТКП-100 |
10 |
|
- для ТКП-100А |
30 |
|
Примечание - * - в зависимости от модификации |

