Номер по Госреестру СИ: 52761-13
52761-13 Системы измерительные
("АЛКО-П")
Назначение средства измерений:
Система измерительная "АЛКО-П" (в дальнейшем - система) предназначена для измерений и учета объема пива (в дальнейшем - измеряемая среда) с удельной электропроводностью от 540"5 до 10 См/м, температуры измеряемой среды, а также подсчета количества бутылок.

Внешний вид.
Системы измерительные
Рисунок № 1

Внешний вид.
Системы измерительные
Рисунок № 2

Внешний вид.
Системы измерительные
Рисунок № 3

Внешний вид.
Системы измерительные
Рисунок № 4

Внешний вид.
Системы измерительные
Рисунок № 5

Внешний вид.
Системы измерительные
Рисунок № 6
Общие сведения
Дата публикации - 02.07.2024
Срок свидетельства - 29.12.2027
Номер записи -
ID в реестре СИ - 364990
Тип производства - серийное
Описание типа
Поверка
Интервал между поверками по ОТ - 1 год
Наличие периодической поверки - Да
Методика поверки
Модификации СИ
АЛКО-П-50ф, АЛКО-П-50, АЛКО-П-40, АЛКО-П-32, АЛКО-П-20-Н, АЛКО-П-20, АЛКО-П, АЛКО-1М-50, АЛКО-1М-32, АЛКО -П-32, АЛКА-П-32, «АЛКО-П-50», DN32, 40, -, "АЛКО-П-50", "АЛКО-П-20", "АЛКО-П", "ALCOSPOT-M" исполнение 2,
Производитель
Изготовитель - Акционерное общество "Арзамасский приборостроительный завод имени П.И. Пландина" (АО "АПЗ")
Страна - РОССИЯ
Населенный пункт - Нижегородская обл., г. Арзамас
Уведомление о начале осуществления предпринимательской деятельности -
Отчет «MV_16. Поверки с применением СИ (Средства измерений, применяемые при поверке)» предназначен для вывода информации о поверках, выполненных с использованием конкретных средств измерений.
Особенности отчета:
-
Начальный этап работы:
Пользователю предоставляется возможность выбрать один из следующих вариантов:
- Ввести регистрационный номер СИ в реестре;
- Указать наименование СИ, применяемого при поверке (достаточно ввести не менее 5 символов).
Для удобства можно также задать временной диапазон поверок, указав год начала и окончания.
-
Условия отображения данных:
Отчет позволяет сформировать и отобразить данные о поверках только в случае, если их количество не превышает 40 000 записей. При превышении этого лимита результат не отображается, и пользователю предлагается уточнить параметры поиска.
-
Информация в таблице:
Таблица содержит ключевую информацию о поверках, такие как:
- Регистрационный номер типа СИ;
- Наименование типа СИ;
- Заводской номер;
- Организация, выполнившая поверку;
- Дата проведения поверки;
- Срок действия поверки;
- Номер свидетельства о поверке;
- Владелец СИ;
- Дополнительные сведения.
-
Детализация данных:
Данные можно детализировать, переходя по ссылкам на документы поверок. Это позволяет получить доступ к полным результатам поверок и соответствующим документам.
-
Удобство анализа:
Отчет предоставляет структурированный и удобный доступ к данным о поверках с применением средств измерений, обеспечивая инструмент для анализа и контроля метрологической деятельности.
Бесплатный
Статистика
Кол-во поверок - 1324
Выдано извещений - 4
Кол-во периодических поверок - 833
Кол-во средств измерений - 429
Кол-во владельцев - 76
Усредненный год выпуска СИ - 2018
МПИ по поверкам - 14039 дн.
Приказы РСТ, где упоминается данный тип СИ
№1558 от 2024.06.28 ПРИКАЗ О внесении изменений в сведения об утвержденных типах СИ (7)
№1150 от 2015.10.01 О переоформлении свидетельств об утверждении типа средств измерений
№129 от 2013.02.14 Об утверждении типа средств измерений (Регистрационный номер в Гос.реесте СИ 52745-13,22484-13,51746-13 по 52748-13,24605-13,52749-13 по 52764-13,21790-13)
№3022 от 2017.12.29 О продлении срока действия свидетельств об утверждении типа средств измерений
№2159 от 2022.08.30 ПРИКАЗ_О внесении изменений в сведения об утвержденных типах средств измерений в части продления срока действия СИ (21)
№3416 от 2022.12.30 О закреплении документов национальной системы стандартизации за техническим комитетом по стандартизации "Атомная техника" (ТК 322)
Наличие аналогов СИ: Системы измерительные ("АЛКО-П")
| ИМПОРТНОЕ СИ № в реестре, наименование СИ, обозначение, изголовитель |
ОТЕЧЕСТВЕННЫЙ АНАЛОГ № в реестре, наименование СИ, обозначение, изголовитель |
|---|
Все средства измерений Акционерное общество "Арзамасский приборостроительный завод имени П.И. Пландина" (АО "АПЗ")
|
№ в реестре cрок св-ва |
Наименование СИ, обозначение, изголовитель | ОТ, МП | МПИ |
|---|---|---|---|
|
13869-13 10.08.2028 |
Счетчики холодной и горячей воды крыльчатые, типа СВК Акционерное общество "Арзамасский приборостроительный завод имени П.И. Пландина" (АО "АПЗ") (РОССИЯ Нижегородская обл., г. Арзамас) |
ОТ МП |
4 года - для гор.воды, 6 лет - хол.; с 01.04.2015 г. - все 6 лет |
|
16604-13 18.05.2028 |
Расходомеры-счетчики турбинные, РСТ Акционерное общество "Арзамасский приборостроительный завод имени П.И. Пландина" (АО "АПЗ") (РОССИЯ Нижегородская обл., г. Арзамас) |
ОТ МП |
3 года |
|
39094-13 01.11.2029 |
Теплосчетчики многоканальные, ТС-11 Акционерное общество "Арзамасский приборостроительный завод имени П.И. Пландина" (АО "АПЗ") (РОССИЯ Нижегородская обл., г. Арзамас) |
ОТ МП |
4 года |
|
52761-13 29.12.2027 |
Системы измерительные, "АЛКО-П" Акционерное общество "Арзамасский приборостроительный завод имени П.И. Пландина" (АО "АПЗ") (РОССИЯ Нижегородская обл., г. Арзамас) |
ОТ МП |
1 год |
|
95304-25 23.04.2030 |
Счетчики воды крыльчатые, СВК Акционерное общество "Арзамасский приборостроительный завод имени П.И. Пландина" (АО "АПЗ") (РОССИЯ Нижегородская обл., г. Арзамас) |
ОТ МП |
6 лет |
Исследование "Анализ рынка поверки Северо-Западного федерального округа" предоставляет исчерпывающую информацию об организациях, оказывающих услуги поверки в Северо-Западном регионе.
Параметры исследований:
- фильтр по работающим в округе организациям-поверителям по данным ФСА и ФГИС АРШИН
- объемы первичных и периодических поверок за период 2017г. по н.в.
- фильтр по местам осуществления деятельности
- предоставление информации в графическом и табличном видах
- детальное рассмотрение деятельности каждой из организаций округа по годам
- анализ в разрезе первичных, периодических поверок и видов измерений
- количество поверок по типам СИ в динамике по годам
- индикация импортных аналогов средств поверки (в соответствии с ПЕРЕЧЕНЕМ СИ ОТЕЧЕСТВЕННОГО ПРОИЗВОДСТВА, АНАЛОГИЧНЫХ СРЕДСТВАМ ИЗМЕРЕНИЙ ИМПОРТНОГО ПРОИЗВОДСТВА от 09.2022г)
- индикация типов СИ по ПП РФ №250 от 20.04.2010 г.
- быстрый анализ контрагентов организаций-поверителей
- анализ цен на поверку СИ по Фед. округу
Кто поверяет Системы измерительные ("АЛКО-П")
| Наименование организации | Cтатус | Поверенные модификации | Кол-во поверок | Поверок в 2025 году | Первичных поверок | Периодических поверок | Извещений | Для юриков | Для юриков первичные | Для юриков периодические |
|---|---|---|---|---|---|---|---|---|---|---|
| ФБУ "КЕМЕРОВСКИЙ ЦСМ" (30063-12) | РСТ | 6 | 0 | 0 | 0 | 6 | 0 | 0 | ||
| ФБУ "НОВОСИБИРСКИЙ ЦСМ" (RA.RU.311258) | РСТ | 47 | 6 | 0 | 46 | 0 | 35 | 0 | 35 | |
| ФБУ "ПЕНЗЕНСКИЙ ЦСМ" (RA.RU.311246) | РСТ | 10 | 2 | 0 | 9 | 0 | 7 | 0 | 7 | |
| ФБУ "СТАВРОПОЛЬСКИЙ ЦСМ" (RA.RU.311311) | РСТ | 30 | 0 | 0 | 0 | 0 | 0 | 0 | ||
| ФБУ "ТЕСТ-С.-ПЕТЕРБУРГ" (RA.RU.311501) | 3 | 0 | 0 | 0 | 0 | 0 | 0 | |||
| ФБУ "ДАГЕСТАНСКИЙ ЦСМ" (RA.RU.311505) | РСТ | 2 | 0 | 0 | 0 | 0 | 0 | 0 | ||
| ФБУ "КОМСОМОЛЬСКИЙ ЦСМ" (70) | РСТ | 3 | 0 | 0 | 0 | 0 | 0 | 0 | ||
| ФБУ "КРАСНОЯРСКИЙ ЦСМ" (RA.RU.311479) | РСТ | 19 | 4 | 0 | 17 | 0 | 19 | 0 | 17 | |
| ФБУ "ЦСМ РЕСПУБЛИКИ БАШКОРТОСТАН" (RA.RU.311406) | РСТ | 4 | 0 | 4 | 0 | 4 | 0 | 4 | ||
| ФБУ "ХАБАРОВСКИЙ ЦСМ" (RA.RU.311510) | РСТ | 48 | 8 | 0 | 48 | 2 | 48 | 0 | 48 | |
| ФБУ "СМОЛЕНСКИЙ ЦСМ" (RA.RU.311305) | РСТ | 11 | 0 | 11 | 0 | 11 | 0 | 11 | ||
| ФБУ "КАМЧАТСКИЙ ЦСМ" (RA.RU.311296) | РСТ | 27 | 0 | 20 | 0 | 20 | 0 | 20 | ||
| ФГУП "ВНИИМ ИМ. Д.И.МЕНДЕЛЕЕВА" (RA.RU.311541) | РСТ | 28 | 6 | 0 | 28 | 0 | 28 | 0 | 28 | |
| ФБУ "УРАЛТЕСТ" (RA.RU.311249) | РСТ | 4 | 0 | 3 | 0 | 3 | 0 | 3 | ||
| ФБУ "КЕМЕРОВСКИЙ ЦСМ" (RA.RU.311469) | РСТ | 3 | 0 | 0 | 0 | 0 | 0 | 0 | ||
| ФБУ "НИЖЕГОРОДСКИЙ ЦСМ" (RA.RU.311315) | РСТ | 2 | 0 | 2 | 0 | 0 | 0 | 0 | ||
| ФБУ «Череповецкий ЦСМ» (49) | РСТ | 8 | 0 | 0 | 0 | 0 | 0 | 0 | ||
| ООО "ИНЭКС СЕРТ" (RA.RU.312302) | 18 | 10 | 8 | 0 | 18 | 10 | 8 | |||
| ФБУ "РОСТОВСКИЙ ЦСМ" (RA.RU.311306) | РСТ | 9 | 0 | 7 | 0 | 0 | 0 | 0 | ||
| ФБУ "ВОРОНЕЖСКИЙ ЦСМ" (RA.RU.311467) | РСТ | 38 | 10 | 0 | 38 | 0 | 31 | 0 | 31 | |
| ФБУ "ТЕСТ-С.-ПЕТЕРБУРГ" (RA.RU.311483) | РСТ | 9 | 0 | 9 | 0 | 9 | 0 | 9 | ||
| ФБУ «Удмуртский ЦСМ» (RA.RU.311312) | РСТ | 6 | 0 | 0 | 0 | 0 | 0 | 0 | ||
| ФБУ "КОМСОМОЛЬСКИЙ ЦСМ" (RA.RU.311461) | РСТ | 3 | 0 | 3 | 0 | 0 | 0 | 0 | ||
| ФБУ "ЛИПЕЦКИЙ ЦСМ" (RA.RU.311476) | РСТ | 24 | 6 | 0 | 24 | 0 | 24 | 0 | 24 | |
| ФБУ "Краснодарский ЦСМ" (RA.RU.311441) | РСТ | 29 | 0 | 11 | 0 | 26 | 0 | 8 | ||
| ФБУ "УДМУРТСКИЙ ЦСМ" (RA.RU.311312) | РСТ | 37 | 6 | 0 | 37 | 0 | 31 | 0 | 31 | |
| ФГУП «СНИИМ» (73) | РСТ | 3 | 0 | 0 | 0 | 0 | 0 | 0 | ||
| ФБУ "СТАВРОПОЛЬСКИЙ ЦСМ" (РОСС.RU.0001.310109) | РСТ | 26 | 0 | 12 | 0 | 19 | 0 | 5 | ||
| ФБУ "ДАГЕСТАНСКИЙ ЦСМ" (RA.RU.311505) | РСТ | 17 | 1 | 0 | 17 | 0 | 15 | 0 | 15 | |
| ФБУ «Северо-Осетинский ЦСМ» (RA.RU.311509) | РСТ | 1 | 0 | 0 | 0 | 0 | 0 | 0 | ||
| ФБУ "АДЫГЕЙСКИЙ ЦСМ" (RA.RU.311388) | РСТ | 5 | 0 | 5 | 0 | 5 | 0 | 5 | ||
| ФБУ "КАЛИНИНГРАДСКИЙ ЦСМ" (RA.RU.311465) | РСТ | 22 | 4 | 0 | 22 | 0 | 20 | 0 | 20 | |
| ФБУ «Ставропольский ЦСМ» (RA.RU.311422) | РСТ | 24 | 0 | 0 | 0 | 0 | 0 | 0 | ||
| ФБУ "САМАРСКИЙ ЦСМ" (RA.RU.311429) | РСТ | 16 | 3 | 0 | 16 | 0 | 12 | 0 | 12 | |
| ООО "ФИРМА ЭТАЛОН-Р" (RA.RU.311690) | 116 | 84 | 11 | 0 | 70 | 65 | 5 | |||
| ФБУ «Ярославский ЦСМ» (RA.RU.311391) | РСТ | 4 | 0 | 0 | 0 | 0 | 0 | 0 | ||
| ФБУ "АЛТАЙСКИЙ ЦСМ" (RA.RU.311486) | РСТ | 53 | 7 | 0 | 53 | 0 | 45 | 0 | 45 | |
| ФБУ "ЦСМ в Липецкой области" (62) | 1 | 0 | 0 | 0 | 0 | 0 | 0 | |||
| ФБУ "ТУЛЬСКИЙ ЦСМ" (RA.RU.311348) | РСТ | 3 | 0 | 0 | 0 | 0 | 0 | 0 | ||
| ФБУ «Курский ЦСМ» (RA.RU.311463) | РСТ | 1 | 0 | 0 | 0 | 0 | 0 | 0 | ||
| ФБУ "РОСТОВСКИЙ ЦСМ" (РОСС RU.0001.310392) | РСТ | 1 | 0 | 0 | 0 | 0 | 0 | 0 | ||
| ФБУ "Краснодарский ЦСМ" (RA.RU.311388) | РСТ | 3 | 0 | 0 | 0 | 0 | 0 | 0 | ||
| ФБУ "ЛИПЕЦКИЙ ЦСМ" (RA.RU.311476) | РСТ | 2 | 0 | 0 | 0 | 0 | 0 | 0 | ||
| ФБУ "ХАБАРОВСКИЙ ЦСМ" (RA.RU.311273) | РСТ | 7 | 0 | 0 | 0 | 0 | 0 | 0 | ||
| ООО "ФИРМА ЭТАЛОН-Р" (RA.RU.311690) | 74 | 0 | 0 | 0 | 0 | 0 | 0 | |||
| ФБУ "РЯЗАНСКИЙ ЦСМ" (56) | РСТ | 2 | 0 | 0 | 0 | 0 | 0 | 0 | ||
| ФБУ "САМАРСКИЙ ЦСМ" (RA.RU.311251) | РСТ | 2 | 0 | 0 | 0 | 0 | 0 | 0 | ||
| ФБУ "СМОЛЕНСКИЙ ЦСМ" (14) | РСТ | 20 | 0 | 0 | 0 | 0 | 0 | 0 | ||
| ФБУ "ЦСМ РЕСПУБЛИКИ БАШКОРТОСТАН" (RA.RU.311406) | РСТ | 2 | 0 | 0 | 0 | 0 | 0 | 0 | ||
| ФБУ "НОВОСИБИРСКИЙ ЦСМ" (RA.RU.311258) | РСТ | 6 | 0 | 0 | 0 | 0 | 0 | 0 | ||
| ФБУ "ПЕНЗЕНСКИЙ ЦСМ" (RA.RU.311246) | РСТ | 4 | 0 | 0 | 0 | 0 | 0 | 0 | ||
| ФБУ «Комсомольский ЦСМ» (70) | РСТ | 6 | 0 | 0 | 0 | 0 | 0 | 0 | ||
| ФБУ "ВОРОНЕЖСКИЙ ЦСМ" (RA.RU.311467) | РСТ | 1 | 0 | 0 | 0 | 0 | 0 | 0 | ||
| ФБУ «Пензенский ЦСМ» (RA.RU.311246) | РСТ | 15 | 0 | 0 | 0 | 0 | 0 | 0 | ||
| ФБУ "Брянский ЦСМ" (38) | РСТ | 1 | 0 | 0 | 0 | 0 | 0 | 0 | ||
| ФБУ «Нижегородский ЦСМ» (RA.RU.311315) | РСТ | 5 | 0 | 0 | 0 | 0 | 0 | 0 | ||
| ФБУ «ЦСМ Республики Башкортостан» (RA.RU.311406) | РСТ | 3 | 0 | 0 | 0 | 0 | 0 | 0 | ||
| ФБУ "СЕВЕРО-КАВКАЗСКИЙ ЦСМ" (RA.RU.311488) | РСТ | 37 | 0 | 37 | 0 | 35 | 0 | 35 | ||
| ФБУ "ТУЛЬСКИЙ ЦСМ" (RA.RU.311462) | РСТ | 25 | 0 | 25 | 0 | 25 | 0 | 25 | ||
| ФБУ «КУЗБАССКИЙ ЦСМ» (RA.RU.311469) | РСТ | 44 | 12 | 0 | 44 | 0 | 44 | 0 | 44 | |
| ФБУ "Краснодарский ЦСМ" (RA.RU.311441) | РСТ | 150 | 29 | 0 | 150 | 0 | 138 | 0 | 138 | |
| ФБУ "ЦСМ ИМ. А.М. МУРАТШИНА В РЕСПУБЛИКЕ БАШКОРТОСТАН" (RA.RU.311406) | РСТ | 6 | 2 | 0 | 6 | 0 | 6 | 0 | 6 | |
| ФБУ "ЧУВАШСКИЙ ЦСМ" (RA.RU.311221) | РСТ | 3 | 2 | 0 | 3 | 0 | 3 | 0 | 3 | |
| ФБУ "ТОМСКИЙ ЦСМ" (RA.RU.311225) | РСТ | 13 | 7 | 0 | 13 | 0 | 13 | 0 | 13 | |
| ФБУ "БЕЛГОРОДСКИЙ ЦСМ" (RA.RU.311380) | РСТ | 1 | 1 | 0 | 1 | 0 | 1 | 0 | 1 | |
| ФБУ "РЯЗАНСКИЙ ЦСМ" (RA.RU.311387) | РСТ | 1 | 0 | 1 | 0 | 1 | 0 | 1 | ||
| ФБУ "КОСТРОМСКОЙ ЦСМ" (RA.RU.311489) | РСТ | 2 | 2 | 0 | 2 | 0 | 2 | 0 | 2 | |
| ООО "РИМЕЙК" (RA.RU.311565) | 2 | 1 | 0 | 2 | 0 | 0 | 0 | 0 | ||
| ООО «ПРОММАШ ТЕСТ МЕТРОЛОГИЯ» (RA.RU.313740) | 18 | 11 | 0 | 18 | 1 | 18 | 0 | 18 | ||
| ООО «МетрЛифтСервис» (RA.RU.314115) | 8 | 0 | 8 | 0 | 8 | 0 | 8 | |||
| ФБУ "ТЕСТ-С.-ПЕТЕРБУРГ" (RA.RU.311501) | 6 | 3 | 0 | 6 | 0 | 6 | 0 | 6 | ||
| ФБУ "СЕВЕРО-КАВКАЗСКИЙ ЦСМ" (RA.RU.311311) | 36 | 16 | 0 | 36 | 0 | 36 | 0 | 36 | ||
| ФБУ "ПРИОКСКИЙ ЦСМ" (RA.RU.311265) | 12 | 10 | 0 | 12 | 0 | 12 | 0 | 12 | ||
| ФБУ "ДАЛЬНЕВОСТОЧНЫЙ ЦСМ" (RA.RU.311500) | 6 | 0 | 6 | 0 | 6 | 0 | 6 | |||
| ФБУ "КУРСКИЙ ЦСМ" (RA.RU.311463) | РСТ | 1 | 1 | 0 | 1 | 0 | 1 | 0 | 1 | |
| АО "АПЗ" (РОСС СОБ 3.00199.2014) | 78 | 23 | 78 | 0 | 1 | 0 | 0 | 0 | ||
| ФБУ "ОРЕНБУРГСКИЙ ЦСМ" (RA.RU.311228) | РСТ | 1 | 1 | 0 | 1 | 0 | 1 | 0 | 1 |
Стоимость поверки Системы измерительные ("АЛКО-П")
| Организация, регион | Стоимость, руб | Средняя стоимость |
|---|---|---|
|
ФБУ Белгородский ЦСМ Белгородская область |
1745 | 5347 |
|
ФБУ НИЦ ПМ-Ростест Москва |
2169 | 5347 |
|
ФБУ НИЦ ПМ-Ростест Москва |
2003 | 5347 |
|
ФБУ Иркутский ЦСМ Иркутская область |
1971 | 5347 |
|
ФБУ Кабардино-Балкарский ЦСМ Кабардино-Балкарская Республика |
1957 | 5347 |
Программное обеспечение
Программное обеспечение, записанное в микроконтроллер СВ, производит обработку данных, поступающих от датчиков, и вывод результатов измерений на табло.
Запись программного обеспечения в микроконтроллер осуществляется через технологический разъем, находящийся внутри электронного блока СВ и при выходе из производства пломбируется пломбами ОТК и ЦСМ, согласно рис. 1. Конструкция СВ не допускает каким либо иным способом запись программного обеспечения в микроконтроллер.
Таблица 1 - Идентификационные данные программного обеспечения, записанного в СВ
|
Наименование программного обеспечения |
Идентификационное наименование ПО |
Номер версии (идентификаци онный номер) ПО |
Цифровой идентификатор ПО (контрольная сумма исполняемого кода) |
Алгоритм вычисления цифрового идентификатора ПО |
|
W_5_00.txt |
ЛГФИ.00242 |
версия 5.00 |
C5FA |
16-ти битная сумма всех байт, входящих в файл кода программы |
Уровень защиты программного обеспечения от непреднамеренных и преднамеренных изменений - "С" согласно МИ 3286-2010.
Знак утверждения типа
Знак утверждения типананосится на лицевую панель вычислителя СВ методом трафаретной печати и на титульный лист паспорта - типографским способом.
Сведения о методиках измерений
Сведения о методиках (методах) измерений
изложены в руководстве по эксплуатации ЛГФИ.407219.009 РЭ.
Нормативные и технические документы
Нормативные и технические документы, устанавливающие требования к системам измерительным «АЛКО-П»
-
1. ГОСТ Р 52931-2008 Приборы контроля и регулирования технологических процессов. Общие технические условия
-
2. ГОСТ 12.2.007.0-75 ССБТ. Изделия электротехнические. Общие требования безопасности.
-
3. ЛГФИ.407219.009 ТУ Системы измерительные "АЛКО-П". Технические условия.
Поверка
Поверкаосуществляется по документу ЛГФИ.407219.009 МИ "ГСИ. Система измерительная "АЛКО-П". Методика поверки".
Основное поверочное оборудование:
- поверочная установка, диапазон измерений от 0,05 до 250 м 3/ ч , погрешность ±0,15 %;
- мерник образцовый металлический второго разряда по ГОСТ 8.400-80, номинальная вместимость 200 дм3, погрешность ±0,1 %;
- магазин сопротивлений Р4831, сопротивление от 80 до 200 Ом, класс 0,02.
Изготовитель
Акционерное общество «Арзамасский приборостроительный завод имени П.И. Пландина» (АО «АПЗ»)
607220, г. Арзамас Нижегородской обл., ул.50 лет ВЛКСМ, дом 8а
ИНН 5243001742
Факс: (831-47) 7-95-77, 7-95-26
www: oaoapz.com; E-mail: apz@oaoapz.com
Испытательный центр
Федеральное государственное унитарное предприятие «Всероссийский научноисследовательский институт метрологической службы» (ФГУП «ВНИИМС ») Адрес: 119361, г. Москва, ул. Озерная, д.46Тел./факс: (495)437-55-77 / 437-56-66
E-mail: office@vniims.ru, www.vniims.ru
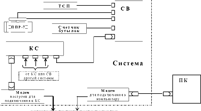
Система включает в себя специализированный вычислитель СВ-5 (в дальнейшем - СВ), контроллер связи КС, модем и устройства, именуемые в дальнейшем датчиками:
-
- первичный преобразователь расхода ППР7 (электромагнитный) для измерений расхода среды;
-
- термопреобразователь сопротивления платиновый с градуировочной характеристикой 100П типа ТСП001 (Госреестр №41750-09) для измерений температуры среды (в дальнейшем - ТСП);
-
- универсальный счетчик бутылок УСБ-3 (УСБ-5) или управляющий модуль учета продукции УМУП (в дальнейшем - счетчик бутылок) для измерений количества бутылок, прошедших через зону контроля счетчика.
По заказу потребителя система может поставляться без счетчика бутылок.
Сигналы от всех перечисленных датчиков передаются на специализированный вычислитель СВ, который осуществляет их обработку, индикацию и архивацию параметров измеряемой среды.
В системе предусмотрена возможность передачи информации на персональный компьютер типа ПЭВМ (в дальнейшем - ПК), а также в единую государственную автоматизированную информационную систему учета объема производства и оборота этилового спирта, алкогольной и спиртосодержащей продукции (ЕГАИС).
Контролер связи КС позволяет использовать один ПК для вывода информации с нескольких систем. Максимальное количество таких систем - 4. Возможно каскадное включение 4-х КС. В этом случае имеется возможность использовать один ПК для вывода информации с 13-ти систем.
Модем обеспечивает передачу информации между СВ и ПК посредством телефонной линии.
Система выводит на индикатор СВ и экран дисплея следующие параметры: суммарный объем измеряемой среды при рабочей температуре и приведенный к температуре 20 °С; текущий объемный расход; температуру измеряемой среды; суммарное количество бутылок, прошедших по линии розлива; текущее время и текущую дату; сообщения об ошибках.
Система также обеспечивает: сохранение ранее измеренных значений объемов, количества бутылок и времени наработки при отключении питания системы с отметкой в памяти момента отключения; индикацию показателей за смену с возможностью сброса текущей индикации; хранение в архиве шестнадцати сброшенных информаций о показателях за смену; создание суточного архива глубиной 5 лет, часового глубиной 6 месяцев и возможность вывода из архивов на собственный индикатор информации о суммарных объемах, температуре, количестве бутылок, отключении питания системы и ошибках за любые сутки пяти лет или за любой час шести месяцев по отношению к текущей дате, индицируемой СВ; вывод на экран ПК информации из архивов; возможность корректировки текущей даты и текущего времени, изменения масштабирующего коэффициента, ввода кода пользователя системы, изменения пароля пользователя.
Датчики системы имеют степень защиты не хуже IP54 по ГОСТ 14254-96 и могут эксплуатироваться согласно ПУЭ “Правила устройства электроустановок” в помещениях класса: -В-1б.
Лист № 2
Всего листов 5 ППР7 взаимозаменяем в комплекте с СВ; каждая из остальных компонент системы обладает взаимозаменяемостью.
Конкретный состав системы (наличие в системе счетчиков бутылок, контроллера КС, модемов и кабелей) определяется вариантом поставки (по заказу потребителя).
Общий вид СВ и места пломбирования приведены на рисунке 1.
'I



ДАТЧИКИ

И

1-пломба завода-изготовителя; 2-клеймо поверителя;
3-пломба специалиста, проводившего пуско-наладочные работы
Рисунок 1 - Общий вид СВ и места пломбирования
Схема соединений компонент системы и подключения ее к ПК приведена на рисунке 2.
к телефонной линии
Рисунок 2 - Схема соединений компонент системы и подключения ее к ПК
Таблица 2
|
Наименование параметра |
Значение параметра | ||||||
|
Диаметр условного прохода ППР7, мм |
20 |
32 |
40 |
50 |
80 |
100 |
150 |
|
Максимальный расход (С)ша\). л/с (м3/ч) |
1,00 (3,60) |
3,33 (12,0) |
4,00 (14,4) |
6,4 (23,04) |
22,2 (80) |
33,3 (120) |
69,4 (250) |
|
Минимальный расход (Qmin), л/с (м3/ч) |
0,034 (0,12) |
0,22 (0,80) |
0,40 (1,44) |
0,64 (2,30) |
0,8 (2,88) |
1,26 (4,54) |
3,2 (11,52) |
|
Масса ППР7, кг, не более |
4,0 |
4,3 |
5,0 |
6,0 |
9,0 |
11,0 |
37,0 |
Масса СВ не более 4,0 кг. Масса КС не более 4,0 кг.
Пределы допускаемой относительной погрешности при измерении объема при рабочей температуре и объема, приведенного к температуре 20°С, ±0,5 %.
Диапазон температуры измеряемой среды от минус 5 до 35 °С.
Пределы допускаемой абсолютной погрешности измерений температуры ±0,5 °С. Температура среды при промывке паром не более до 120 °С.
Давление измеряемой среды не более 1,6 МПа.
Длина соединительных кабелей между СВ и датчиками - не более 50 м.
+-22
Электропитание - от сети переменного тока частотой (50±1) Гц напряжением (220 -33 ) В. Потребляемая мощность не более 250 В-А.
Система устойчива к воздействию внешнего постоянного магнитного поля напряженностью до 400 А/м и переменного магнитного поля с частотой 50 Гц напряженностью до 80 А/м.
Таблица 3 - Климатические условия эксплуатации системы
|
Наименование параметра |
Значение параметра для: | |
|
ППР7, ТСП, счетчика бутылок |
вычислителя СВ, контроллера связи, КС, модемов | |
|
Температура окружающей среды, °С |
от 5 до 40 °С |
от 15 до 35°С |
|
Относительная влажность |
не более 98 % |
не более 80 % |
|
при температуре |
не более 25 °С |
не более 25°С |
Средняя наработка на отказ - не менее 12000 ч.
Средний срок службы - не менее 8 лет.

