Номер по Госреестру СИ: 95475-25
95475-25 Комплексы измерительно-вычислительные объема газа
(ТАУ-СГЭКР)
Назначение средства измерений:
Комплексы измерительно-вычислительные объема газа ТАУ-СГЭКР (далее - комплекс) предназначены для измерения объема и объемного расхода неагрессивного, сухого газа при рабочих и стандартных условиях (температура 293,15 К, давление 101,325 кПа), а также для измерения температуры, абсолютного давления и контроля технологических параметров (разности давлений, температуры при наличии преобразователей).

Внешний вид.
Комплексы измерительно-вычислительные объема газа
Рисунок № 1

Внешний вид.
Комплексы измерительно-вычислительные объема газа
Рисунок № 2

Внешний вид.
Комплексы измерительно-вычислительные объема газа
Рисунок № 3

Внешний вид.
Комплексы измерительно-вычислительные объема газа
Рисунок № 4
Программное обеспечение
Программное обеспечение (далее - ПО) комплексов является встроенным ПО корректора и разделено на метрологически значимую и метрологически незначимую части. Идентификационные данные метрологически значимой части приведены в таблице 1. ПО комплекса защищено многоуровневой системой защиты, которая предоставляет доступ только уполномоченным пользователям и одновременно определяет, какие из данных пользователь может вводить или изменять. Уровни доступа пользователей задают доступ к изменению данных по паролю через пользовательские интерфейсы. Для защиты параметров, подлежащих калибровке, используется калибровочный замок, который открывается нажатием кнопки на плате, защищаемой пломбой поверителя.
Уровень защиты ПО от непреднамеренных и преднамеренных изменений «высокий» в соответствии с Р 50.2.077-2014.
Таблица 1 - Идентификационные данные ПО
|
Идентификационные данные (признаки) |
Значение | |
|
Идентификационное наименование ПО |
AXIFLOW |
ТАУ-ЭК22 |
|
Номер версии ПО (VersM, ВерсМ) |
3.ХХ* |
1.ХХ* |
|
Цифровой идентификатор ПО (ChkM, ТестМ) |
51694** |
47614** |
|
Алгоритм вычисления цифрового идентификатора ПО |
CRC16 |
CRC32 |
|
* Номер версии состоит из двух частей: старшая часть (до точки) номер версии метрологически значимой части ПО, младшая часть - номер версии метрологически незначимой части. Контрольная сумма для метрологически значимой части ПО. | ||
Знак утверждения типа
Знак утверждения типананосится на шильдик, расположенный на крепежной пластине корректора, методом термопечати, металлографики и/или гравировки и на титульные листы эксплуатационной документации типографским способом.
Сведения о методиках измерений
Сведения о методиках (методах) измеренияприведены в п. 3 руководства по эксплуатации УРГП.407369.019 РЭ.
Нормативные и технические документы
Нормативные документы, устанавливающие требования к средству измеренийПостановление Правительства Российской Федерации от 16 ноября 2020 г. № 1847 «Об утверждении перечня измерений, относящихся к сфере государственного регулирования обеспечения единства измерений» (перечень, пункт 6.7.1);
Приказ Росстандарта от 11 мая 2022 г. № 1133 «Об утверждении Государственной поверочной схемы для средств измерений объемного и массового расходов газа»;
Приказ Росстандарта от 31 августа 2021 г. № 1904 «Об утверждении Государственной поверочной схемы для средств измерений разности давлений до 1-105 Па»;
Приказ Росстандарта от 19 ноября 2024 г. № 2712 «Об утверждении Государственной поверочной схемы для средств измерений температуры»;
Приказ Росстандарта от 6 декабря 2019 г. № 2900 «Об утверждении Государственной поверочной схемы для средств измерений абсолютного давления в диапазоне 1-10-1 - 1407 Па»
ГОСТ Р 52931-2008 Приборы контроля и регулирования технологических процессов. Общие технические условия;
УРГП.407369.019 ТУ «Комплексы измерительно-вычислительные объема газа ТАУ-СГЭКР. Технические условия».
ПравообладательОбщество с ограниченной ответственностью «ТАУГАЗ» (ООО «ТАУГАЗ») ИНН 5243041600
Юридический адрес: 607222, Нижегородская обл., г.о. город Арзамас, г. Арзамас, ул. Рабочий Порядок, д. 14, помещ. 4
Поверка
Поверка», крышки импульсных входов с помощью проволоки и свинцовой (пластмассовой) пломбы и путем нанесения знака поверки на специальную мастику;- на счетчике газа путем пломбирования крышки счетного механизма счетчика с помощью проволоки и свинцовой (пластмассовой) пломбы;
- в местах присоединения преобразователя температуры к корпусу счетчика газа с помощью проволоки и свинцовой (пластмассовой) пломбы (за исключением случаев удаленного монтажа);
- в местах соединения импульсных линий преобразователя давления с помощью проволоки и свинцовой (пластмассовой) пломбы (за исключением случаев удаленного монтажа);
- в месте присоединения датчика импульсов с помощью проволоки и свинцовой (пластмассовой) пломбы.
Пломбу поставщика газа наносят:
-
- на ручку крана в открытом положении после выполнения монтажных работ;
-
- на места присоединения преобразователей температуры и давления в комплексах, имеющих в своем составе счетчики газа без предусмотренного места отбора температуры и давления, а также при удаленном монтаже корректора после выполнения монтажных работ.
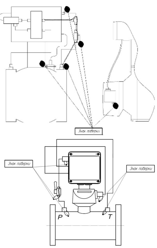
Схемы пломбировки от несанкционированного доступа, обозначение места нанесения знака поверки представлены на рисунках 2, 3.
Рисунок 1 - Общий вид основных исполнений комплексов
Место нанесения знака поверки
Место нанесения \ знака поверки
Рисунок 2 - Схема пломбировки от несанкционированного доступа корректора, обозначение места нанесения знака поверки
Рисунок 3 - Схема пломбировки от несанкционированного доступа счетчика газа, обозначение места нанесения знака поверки
Заводской номер в виде 10 арабских цифр наносится методом термопечати, металлографики и/или гравировки на шильдик, расположенный на крепежной пластине корректора. Места нанесения заводского номера и знака утверждения типа представлены на рисунке 4.
Место нянесення лнякя утверэжния типа
Место нанесения
-иводскпгл номера
Рисунок 4 - Место нанесения заводского номера и знака утверждения типа
Программное обеспечениеПрограммное обеспечение (далее - ПО) комплексов является встроенным ПО корректора и разделено на метрологически значимую и метрологически незначимую части. Идентификационные данные метрологически значимой части приведены в таблице 1. ПО комплекса защищено многоуровневой системой защиты, которая предоставляет доступ только уполномоченным пользователям и одновременно определяет, какие из данных пользователь может вводить или изменять. Уровни доступа пользователей задают доступ к изменению данных по паролю через пользовательские интерфейсы. Для защиты параметров, подлежащих калибровке, используется калибровочный замок, который открывается нажатием кнопки на плате, защищаемой пломбой поверителя.
Уровень защиты ПО от непреднамеренных и преднамеренных изменений «высокий» в соответствии с Р 50.2.077-2014.
Таблица 1 - Идентификационные данные ПО
|
Идентификационные данные (признаки) |
Значение | |
|
Идентификационное наименование ПО |
AXIFLOW |
ТАУ-ЭК22 |
|
Номер версии ПО (VersM, ВерсМ) |
3.ХХ* |
1.ХХ* |
|
Цифровой идентификатор ПО (ChkM, ТестМ) |
51694** |
47614** |
|
Алгоритм вычисления цифрового идентификатора ПО |
CRC16 |
CRC32 |
|
* Номер версии состоит из двух частей: старшая часть (до точки) номер версии метрологически значимой части ПО, младшая часть - номер версии метрологически незначимой части. Контрольная сумма для метрологически значимой части ПО. | ||
Таблица 2 - Метрологические характеристики
|
Наименование параметра |
Значение |
|
Диапазон объемного расхода при рабочих условиях*, м3/ч: | |
|
- исполнение ТАУ-СГЭКР-Т |
от 5 до 4000 |
|
- исполнение ТАУ-СГЭКР-Р |
от 0,4 до 650,0 |
|
Диапазон измерений абсолютного давления , МПа |
от 0,08 до 7,50 |
|
Диапазон измерений температуры газа, °С |
от -23 до +60 от -30 до +60 |
|
Диапазон измерений температуры для контроля технологических параметров (дополнительный преобразователь температуры), °С |
от -40 до +60 |
|
Диапазон измерений разности давлений , кПа |
от 0 до 40 |
|
Пределы допускаемой относительной погрешности измерения объема газа при рабочих условиях, %: | |
|
- в диапазоне объемных расходов при рабочих условиях | |
|
от Qмин до Qt |
±2,0 |
|
- в диапазоне объемных расходов при рабочих условиях | |
|
от Qt до Qмакс включ. |
±1,0 |
|
- в диапазоне объемных расходов при рабочих условиях | |
|
от ^^мин до Qмакс со счетчиками исполнения «2У» |
±0,9 |
|
Пределы допускаемой относительной погрешности измерения абсолютного давления, % |
±0,35 |
|
Пределы допускаемой относительной погрешности измерения температуры, % |
±0,1 |
|
Пределы допускаемой относительной погрешности приведения объема газа к стандартным условиям с учетом | |
|
погрешности измерения давления, температуры и вычисления коэффициента коррекции, % |
±0,37 |
|
Пределы допускаемой относительной погрешности измерения объема газа, приведенного к стандартным условиям, без учета погрешности определения исходных данных для вычисления коэффициента сжимаемости, %: | |
|
- в диапазоне объемных расходов при рабочих условиях | |
|
от Qмин до Qt |
±2,1 |
|
- в диапазоне объемных расходов при рабочих условиях | |
|
от Qt до Qмакс включ. |
±1,1 |
|
- в диапазоне объемных расходов при рабочих условиях | |
|
от ^^мин до Qмакс со счетчиками в исполнении «2У» |
±1,0 |
|
Пределы допускаемой приведенной к верхнему пределу измерений погрешности измерений разности давлений, %: | |
|
- основной |
±0,1 |
|
- дополнительной от изменения температуры | |
|
окружающей среды в диапазоне рабочих температур на каждые 10 °С |
±0,1 |
|
Пределы допускаемой абсолютной погрешности измерений температуры для контроля технологических параметров (дополнительный преобразователь температуры), °С |
±1 |
|
Наименование параметра |
Значение |
|
Нормальные условия измерений:
|
от +15 до +25 95 от 84,0 до 106,7 |
|
* Диапазон измерений объемного расхода комплекса при рабочих условиях определяется типоразмером применяемого счетчика. ** Диапазон измерений определяется диапазоном применяемого преобразователя давления (разности давлений). Примечание - Приняты следующие обозначения: Qi^ - минимальный объемный расход при рабочих условиях, м3/ч; Qt - значение переходного объемного расхода при рабочих условиях, которое зависит от типа счетчика, м3/ч; Qмакс - максимальный объемный расход при рабочих условиях, м3/ч. | |
Таблица 3 - Основные технические характеристики
|
Наименование параметра |
Значение |
|
Измеряемая среда |
Природный газ по ГОСТ 5542-2022, пропан, аргон, азот, воздух и другие неагрессивные сухие газы |
|
Выходной импульсный сигнал:
|
30 100 4 |
|
Интерфейс связи |
RS-232/RS-485, оптический интерфейс по ГОСТ IEC 61107-2011, GSM* |
|
Параметры электрического питания:
|
7,2 9±0,9 |
|
Условия эксплуатации: **
|
от -40 до +60 95 от 84,0 до 106,7 |
|
Габаритные размеры исполнение ТАУ-СГЭКР-Т, мм, не более:
|
от 240 до 500 от 450 до 690 от 240 до 600 |
|
Габаритные размеры исполнение ТАУ-СГЭКР-Р, мм, не более:
|
от 240 до 520 от 480 до 545 от 305 до 530 |
|
Масса, кг, не более:
|
от 10,3 до 78,5 от 18 до 47 |
|
Наименование параметра |
Значение |
|
Маркировка взрывозащиты |
1 Ex ib IIB T4 Gb Х |
|
* Для комплексов со смарт корректором АКСИФЛОУ. ** Определяется характеристиками средств измерений, входящих в состав комплекса. Конкретное значение приводится в паспорте на комплекс. | |
Таблица 4 - Показатели надежности
|
Наименование параметра |
Значение |
|
Средний срок службы, лет |
12 |
|
Средняя наработка на отказ, ч |
100000 |
наносится на шильдик, расположенный на крепежной пластине корректора, методом термопечати, металлографики и/или гравировки и на титульные листы эксплуатационной документации типографским способом.
Комплектность средства измеренийТаблица 5 - Комплектность средства измерений
|
Наименование |
Обозначение |
Количество |
|
Комплекс измерительно-вычислительный объема газа ТАУ-СГЭКР |
- |
1 |
|
Руководство по эксплуатации |
УРГП.407369.019 РЭ |
1 |
|
Паспорт* |
УРГП.407369.019 ПС |
1 |
|
Комплект монтажных частей |
- |
1** |
|
* В бумажной и/или электронной форме. Поставляется по заказу. | ||
Изготовитель
Общество с ограниченной ответственностью «ТАУГАЗ» (ООО «ТАУГАЗ») ИНН 5243041600Адрес: 607222, Нижегородская обл., г.о. город Арзамас, г. Арзамас, ул. Рабочий Порядок, д. 14, помещ. 4
Телефон: (831)235-70-10
E-mail: info@argze.ru
Испытательный центр
Общество с ограниченной ответственностью Центр Метрологии «СТП» (ООО ЦМ «СТП»)Адрес: 420107, Республика Татарстан, г. Казань, ул. Петербургская, д. 50, к. 5, оф. 7 Телефон: (843) 214-20-98, факс: (843) 227-40-10
E-mail: office@ooostp.ru
Web-сайт: http://www.ooostp.ru
Принцип действия комплекса основан на вычислении объема газа, приведенного к стандартным условиям, на основе измеренного счетчиком газа объема газа при рабочих условиях, а также температуры и давлении газа в трубопроводе, измеренных корректором и вычисленного или подстановочного значения коэффициента сжимаемости. Информация о рабочем объеме со счетчиков в корректор передается c помощью импульсного электрического сигнала.
Комплексы состоят из счетчика газа, корректора и коммутационных элементов. Опционально комплекс может включать преобразователь разности (перепада) давлений и дополнительный преобразователь температуры, входящие в состав корректора, для контроля технологических параметров.
В комплексе используется корректор объема газа ТАУ-ЭК (регистрационный номер 92613-24 в Федеральном информационном фонде по обеспечению единства измерений (далее -ФИФОЕИ) или смарт корректор АКСИФЛОУ (регистрационный номер 93499-24 в ФИФОЕИ).
В зависимости от типа применяемого счетчика комплексы имеют два исполнения:
-
- ТАУ-СГЭКР-Т на базе счетчиков газа турбинных ТАУ-ТСГ (регистрационный номер 93082-24 в ФИФОЕИ), счетчиков газа СГ (регистрационный номер 14124-14 в ФИФОЕИ);
-
- ТАУ-СГЭКР-Р на базе счетчиков газа ротационных РВГ (регистрационный номер 87075-22 в ФИФОЕИ).
Корректор может быть смонтирован удаленно от счетчика газа. В случае установки корректора на стену (кронштейн) при заказе согласуется длина кабеля преобразователя температуры, импульсных трубок преобразователя давления и разности давлений, длина импульсного кабеля к датчикам импульсов. Комплекс может иметь исполнение с вертикальным расположением счетчика.
Температура газа измеряется термопреобразователем сопротивления Pt500 (500П) по ГОСТ 6651-2009, входящим в состав корректора и установленным в потоке газа. Давление газа измеряется преобразователем давления, входящим в состав корректора.
Комплексы обеспечивают выполнение следующих функций:
-
- измерение объема газа при рабочих условиях, температуры и давления газа;
-
- вычисление коэффициента сжимаемости по ГОСТ 30319.2-2015, ГОСТ Р 70927-2023;
-
- вычисление объема газа, приведенного к стандартным условиям;
-
- обработку, отображение и хранение измеренной информации и настроечных параметров комплекса;
-
- ведение архива потребления газа, нештатных ситуаций и изменения условно-постоянных величин;
-
- передачу измеренной и рассчитанной информации по цифровым интерфейсам;
-
- опционально измерение разности давлений и температуры для контроля технологических параметров;
-
- передачу данных по каналу GSM и выдачу на верхний уровень текущих и архивных данных (комплексы со смарт корректором АКСИФЛОУ).
Структура условного обозначения комплекса:
ТАУ-СГЭКР-[1]-[2]-[3]-[4]/[5], где:
ТАУ-СГЭКР - наименование комплекса;
-
[1] - обозначение применяемого счетчика: турбинный - Т, ротационный - Р;
-
[2] - верхний предел измерения абсолютного давления, МПа;
-
[3] - максимальный измеряемый объемный расход газа при рабочих условиях, определяемый установленным в состав комплекса счетчиком газа согласно его описанию типа, м3/ч;
-
[4] - наличие высокочастотного датчика импульсов ДИ-В - «В», при отсутствии датчика импульсов ДИ-В символ «В» отсутствует;
-
[5] - максимальное допустимое рабочее избыточное давление счетчика газа, МПа. Общий вид основных исполнений комплексов представлен на рисунке 1.
Знак поверки наносится путем давления на пломбы:
-
- на корректор путем пломбирования пластиковой крышки, закрывающей доступ к плате управления, клеммам подключения преобразователей давления и температуры, кнопке перевода в режим «Поверка», крышки импульсных входов с помощью проволоки и свинцовой (пластмассовой) пломбы и путем нанесения знака поверки на специальную мастику;
-
- на счетчике газа путем пломбирования крышки счетного механизма счетчика с помощью проволоки и свинцовой (пластмассовой) пломбы;
-
- в местах присоединения преобразователя температуры к корпусу счетчика газа с помощью проволоки и свинцовой (пластмассовой) пломбы (за исключением случаев удаленного монтажа);
-
- в местах соединения импульсных линий преобразователя давления с помощью проволоки и свинцовой (пластмассовой) пломбы (за исключением случаев удаленного монтажа);
-
- в месте присоединения датчика импульсов с помощью проволоки и свинцовой (пластмассовой) пломбы.
Пломбу поставщика газа наносят:
-
- на ручку крана в открытом положении после выполнения монтажных работ;
-
- на места присоединения преобразователей температуры и давления в комплексах, имеющих в своем составе счетчики газа без предусмотренного места отбора температуры и давления, а также при удаленном монтаже корректора после выполнения монтажных работ.
Схемы пломбировки от несанкционированного доступа, обозначение места нанесения знака поверки представлены на рисунках 2, 3.
Рисунок 1 - Общий вид основных исполнений комплексов
Место нанесения знака поверки
Место нанесения \ знака поверки
Рисунок 2 - Схема пломбировки от несанкционированного доступа корректора, обозначение места нанесения знака поверки
Рисунок 3 - Схема пломбировки от несанкционированного доступа счетчика газа, обозначение места нанесения знака поверки
Заводской номер в виде 10 арабских цифр наносится методом термопечати, металлографики и/или гравировки на шильдик, расположенный на крепежной пластине корректора. Места нанесения заводского номера и знака утверждения типа представлены на рисунке 4.
Место нянесення лнякя утверэжния типа
Место нанесения
-иводскпгл номера
Рисунок 4 - Место нанесения заводского номера и знака утверждения типа
Таблица 2 - Метрологические характеристики
|
Наименование параметра |
Значение |
|
Диапазон объемного расхода при рабочих условиях*, м3/ч: | |
|
- исполнение ТАУ-СГЭКР-Т |
от 5 до 4000 |
|
- исполнение ТАУ-СГЭКР-Р |
от 0,4 до 650,0 |
|
Диапазон измерений абсолютного давления , МПа |
от 0,08 до 7,50 |
|
Диапазон измерений температуры газа, °С |
от -23 до +60 от -30 до +60 |
|
Диапазон измерений температуры для контроля технологических параметров (дополнительный преобразователь температуры), °С |
от -40 до +60 |
|
Диапазон измерений разности давлений , кПа |
от 0 до 40 |
|
Пределы допускаемой относительной погрешности измерения объема газа при рабочих условиях, %: | |
|
- в диапазоне объемных расходов при рабочих условиях | |
|
от Qмин до Qt |
±2,0 |
|
- в диапазоне объемных расходов при рабочих условиях | |
|
от Qt до Qмакс включ. |
±1,0 |
|
- в диапазоне объемных расходов при рабочих условиях | |
|
от ^^мин до Qмакс со счетчиками исполнения «2У» |
±0,9 |
|
Пределы допускаемой относительной погрешности измерения абсолютного давления, % |
±0,35 |
|
Пределы допускаемой относительной погрешности измерения температуры, % |
±0,1 |
|
Пределы допускаемой относительной погрешности приведения объема газа к стандартным условиям с учетом | |
|
погрешности измерения давления, температуры и вычисления коэффициента коррекции, % |
±0,37 |
|
Пределы допускаемой относительной погрешности измерения объема газа, приведенного к стандартным условиям, без учета погрешности определения исходных данных для вычисления коэффициента сжимаемости, %: | |
|
- в диапазоне объемных расходов при рабочих условиях | |
|
от Qмин до Qt |
±2,1 |
|
- в диапазоне объемных расходов при рабочих условиях | |
|
от Qt до Qмакс включ. |
±1,1 |
|
- в диапазоне объемных расходов при рабочих условиях | |
|
от ^^мин до Qмакс со счетчиками в исполнении «2У» |
±1,0 |
|
Пределы допускаемой приведенной к верхнему пределу измерений погрешности измерений разности давлений, %: | |
|
- основной |
±0,1 |
|
- дополнительной от изменения температуры | |
|
окружающей среды в диапазоне рабочих температур на каждые 10 °С |
±0,1 |
|
Пределы допускаемой абсолютной погрешности измерений температуры для контроля технологических параметров (дополнительный преобразователь температуры), °С |
±1 |
|
Наименование параметра |
Значение |
|
Нормальные условия измерений:
|
от +15 до +25 95 от 84,0 до 106,7 |
|
* Диапазон измерений объемного расхода комплекса при рабочих условиях определяется типоразмером применяемого счетчика. ** Диапазон измерений определяется диапазоном применяемого преобразователя давления (разности давлений). Примечание - Приняты следующие обозначения: Qi^ - минимальный объемный расход при рабочих условиях, м3/ч; Qt - значение переходного объемного расхода при рабочих условиях, которое зависит от типа счетчика, м3/ч; Qмакс - максимальный объемный расход при рабочих условиях, м3/ч. | |
Таблица 3 - Основные технические характеристики
|
Наименование параметра |
Значение |
|
Измеряемая среда |
Природный газ по ГОСТ 5542-2022, пропан, аргон, азот, воздух и другие неагрессивные сухие газы |
|
Выходной импульсный сигнал:
|
30 100 4 |
|
Интерфейс связи |
RS-232/RS-485, оптический интерфейс по ГОСТ IEC 61107-2011, GSM* |
|
Параметры электрического питания:
|
7,2 9±0,9 |
|
Условия эксплуатации: **
|
от -40 до +60 95 от 84,0 до 106,7 |
|
Габаритные размеры исполнение ТАУ-СГЭКР-Т, мм, не более:
|
от 240 до 500 от 450 до 690 от 240 до 600 |
|
Габаритные размеры исполнение ТАУ-СГЭКР-Р, мм, не более:
|
от 240 до 520 от 480 до 545 от 305 до 530 |
|
Масса, кг, не более:
|
от 10,3 до 78,5 от 18 до 47 |
|
Наименование параметра |
Значение |
|
Маркировка взрывозащиты |
1 Ex ib IIB T4 Gb Х |
|
* Для комплексов со смарт корректором АКСИФЛОУ. ** Определяется характеристиками средств измерений, входящих в состав комплекса. Конкретное значение приводится в паспорте на комплекс. | |
Таблица 4 - Показатели надежности
|
Наименование параметра |
Значение |
|
Средний срок службы, лет |
12 |
|
Средняя наработка на отказ, ч |
100000 |

