Номер по Госреестру СИ: 93089-24
93089-24 Измерители интервалов времени
(ТМХ06-12)
Назначение средства измерений:
Измерители интервалов времени ТМХ06-12 (далее - ТМХ06-12) предназначены для измерения временных интервалов между положительными фронтами импульсных сигналов.

Внешний вид.
Измерители интервалов времени
Рисунок № 1

Внешний вид.
Измерители интервалов времени
Рисунок № 2
Общие сведения
Дата публикации - 06.09.2024
Срок свидетельства - 30.08.2029
Номер записи - 194895
ID в реестре СИ - 1418690
Тип производства - серийное
Описание типа
Поверка
Интервал между поверками по ОТ - 1 год
Наличие периодической поверки - Да
Методика поверки
Модификации СИ
Нет модификации,
Производитель
Изготовитель - Федеральное государственное унитарное предприятие "Всероссийский научно-исследовательский институт физико-технических и радиотехнических измерений" (ФГУП "ВНИИФТРИ")
Страна - РОССИЯ
Населенный пункт - Московская обл., г. Солнечногорск, рабочий поселок Менделеево
Уведомление о начале осуществления предпринимательской деятельности - Да
Отчет позволяет наглядно в виде графа показать основных клинетов организации-поверителя и связи между ними. На графе представлено два типа связей: 1 - связи между выбранной организацией-повериетлем и ее клиентами (красные линии) и 2 - связи между клиентами и иными поверителями (серые линии).
В качестве исходных данных берутся поверки организации-поверителя за последние пол года. Для удобства отображения максимальное количество связей (красные линии) ограничено 2000 (можно поиграться фильтрами). Количество вторичных связей (серые линии) ограничено 10.
Для удобства отображения данных сделано ограничение в виде минимального количества поверок (100 штук), необходимых для формирования связи. Т.е., если между выбранной организацией и клиентмом за все время было сделано менее 100 поверок, то такая связь формироваться не будет.
Статистика
Кол-во поверок - 2
Выдано извещений - 0
Кол-во периодических поверок - 0
Кол-во средств измерений - 2
Кол-во владельцев - 1
Усредненный год выпуска СИ - 2024
МПИ по поверкам - 364 дн.
Приказы РСТ, где упоминается данный тип СИ
№2064 от 2024.08.30 ПРИКАЗ_Об утверждении типов средств измерений (17)
Наличие аналогов СИ: Измерители интервалов времени (ТМХ06-12)
| ИМПОРТНОЕ СИ № в реестре, наименование СИ, обозначение, изголовитель |
ОТЕЧЕСТВЕННЫЙ АНАЛОГ № в реестре, наименование СИ, обозначение, изголовитель |
|---|
Все средства измерений Федеральное государственное унитарное предприятие "Всероссийский научно-исследовательский институт физико-технических и радиотехнических измерений" (ФГУП "ВНИИФТРИ")
|
№ в реестре cрок св-ва |
Наименование СИ, обозначение, изголовитель | ОТ, МП | МПИ |
|---|---|---|---|
|
53401-13 23.04.2029 |
Гидрофоны, ГИ55 Федеральное государственное унитарное предприятие "Всероссийский научно-исследовательский институт физико-технических и радиотехнических измерений" (ФГУП "ВНИИФТРИ") (РОССИЯ Московская обл., г. Солнечногорск, рабочий поселок Менделеево) |
ОТ МП |
2 года |
|
54732-13 15.06.2029 |
Стандарт-титры со значением pH=7,00 для приготовления буферного раствора - рабочего эталона pH 2-го разряда, СТ-pH-2 (pH=7,00) Федеральное государственное унитарное предприятие "Всероссийский научно-исследовательский институт физико-технических и радиотехнических измерений" (ФГУП "ВНИИФТРИ") (РОССИЯ Московская обл., г. Солнечногорск, рабочий поселок Менделеево) |
ОТ МП |
Первичная поверка при вводе в эксплуатацию |
|
54733-13 15.06.2029 |
Буферные растворы со значением pH=7,00 - рабочие эталоны pH 2-го разряда, БР-pH (pH=7,00) Федеральное государственное унитарное предприятие "Всероссийский научно-исследовательский институт физико-технических и радиотехнических измерений" (ФГУП "ВНИИФТРИ") (РОССИЯ Московская обл., г. Солнечногорск, рабочий поселок Менделеево) |
ОТ МП |
Первичная поверка при вводе в эксплуатацию |
|
66695-17 27.02.2027 |
Комплекты для измерений соединителей коаксиальных, КИСК-3,5М Федеральное государственное унитарное предприятие "Всероссийский научно-исследовательский институт физико-технических и радиотехнических измерений" (ФГУП "ВНИИФТРИ") (РОССИЯ Московская обл., г. Солнечногорск, рабочий поселок Менделеево) |
ОТ МП |
1 год |
|
66717-17 27.02.2027 |
Комплекты для измерений соединителей коаксиальных, КИСК-16М Федеральное государственное унитарное предприятие "Всероссийский научно-исследовательский институт физико-технических и радиотехнических измерений" (ФГУП "ВНИИФТРИ") (РОССИЯ Московская обл., г. Солнечногорск, рабочий поселок Менделеево) |
ОТ МП |
1 год |
|
66718-17 27.02.2027 |
Комплекты для измерений соединителей коаксиальных, КИСК-7М Федеральное государственное унитарное предприятие "Всероссийский научно-исследовательский институт физико-технических и радиотехнических измерений" (ФГУП "ВНИИФТРИ") (РОССИЯ Московская обл., г. Солнечногорск, рабочий поселок Менделеево) |
ОТ МП |
1 год |
|
73901-19 08.02.2029 |
Гидрофоны, ГИ60 Федеральное государственное унитарное предприятие "Всероссийский научно-исследовательский институт физико-технических и радиотехнических измерений" (ФГУП "ВНИИФТРИ") (РОССИЯ Московская обл., г. Солнечногорск, рабочий поселок Менделеево) |
ОТ МП |
1 год |
|
81123-20 |
Комплексы стационарных средств оценки эксплуатационных характеристик, Федеральное государственное унитарное предприятие "Всероссийский научно-исследовательский институт физико-технических и радиотехнических измерений" (ФГУП "ВНИИФТРИ") (РОССИЯ Московская обл., г. Солнечногорск, рабочий поселок Менделеево) |
ОТ МП |
1 год |
|
73236-18 27.11.2024 |
Системы измерительные, К6-19 Федеральное государственное унитарное предприятие "Всероссийский научно-исследовательский институт физико-технических и радиотехнических измерений" (ФГУП "ВНИИФТРИ") (РОССИЯ Московская обл., г. Солнечногорск, рабочий поселок Менделеево) |
2 года | |
|
73235-18 27.11.2024 |
Комплекты транспортируемые системы, К6-19 Федеральное государственное унитарное предприятие "Всероссийский научно-исследовательский институт физико-технических и радиотехнических измерений" (ФГУП "ВНИИФТРИ") (РОССИЯ Московская обл., г. Солнечногорск, рабочий поселок Менделеево) |
2 года | |
|
66384-17 12.01.2022 |
Анализаторы спектра цифровые узкополосные восьмиканальные, АСЦУ-8к "Тополь" Федеральное государственное унитарное предприятие "Всероссийский научно-исследовательский институт физико-технических и радиотехнических измерений" (ФГУП "ВНИИФТРИ") (РОССИЯ Московская обл., г. Солнечногорск, рабочий поселок Менделеево) |
1 год | |
|
66383-17 12.01.2022 |
Анализаторы спектра цифровые третьоктавные четырехканальные, АСЦТ-4к "Тополь" Федеральное государственное унитарное предприятие "Всероссийский научно-исследовательский институт физико-технических и радиотехнических измерений" (ФГУП "ВНИИФТРИ") (РОССИЯ Московская обл., г. Солнечногорск, рабочий поселок Менделеево) |
1 год | |
|
64768-16 12.08.2021 |
Осциллографы цифровые запоминающие, С8-203/2, С8-203/4 Федеральное государственное унитарное предприятие "Всероссийский научно-исследовательский институт физико-технических и радиотехнических измерений" (ФГУП "ВНИИФТРИ") (РОССИЯ Московская обл., г. Солнечногорск, рабочий поселок Менделеево) |
ОТ МП |
1 год |
|
64767-16 12.08.2021 |
Осциллографы цифровые запоминающие, С8-205/2, С8-205/4 Федеральное государственное унитарное предприятие "Всероссийский научно-исследовательский институт физико-технических и радиотехнических измерений" (ФГУП "ВНИИФТРИ") (РОССИЯ Московская обл., г. Солнечногорск, рабочий поселок Менделеево) |
ОТ МП |
1 год |
|
53401-13 06.05.2023 |
Гидрофоны, ГИ55 Федеральное государственное унитарное предприятие "Всероссийский научно-исследовательский институт физико-технических и радиотехнических измерений" (ФГУП "ВНИИФТРИ") (РОССИЯ Московская обл., г. Солнечногорск, рабочий поселок Менделеево) |
2 года | |
|
43471-21 26.10.2026 |
Рабочие эталоны активности ионов натрия в водных растворах, РЭАИ- Na Федеральное государственное унитарное предприятие "Всероссийский научно-исследовательский институт физико-технических и радиотехнических измерений" (ФГУП "ВНИИФТРИ") (РОССИЯ Московская обл., г. Солнечногорск, рабочий поселок Менделеево) |
ОТ МП |
Первичная поверка до ввода в эксплуатацию |
|
43476-21 26.10.2026 |
Рабочие эталоны активности ионов хлора в водных растворах, РЭАИ-Cl Федеральное государственное унитарное предприятие "Всероссийский научно-исследовательский институт физико-технических и радиотехнических измерений" (ФГУП "ВНИИФТРИ") (РОССИЯ Московская обл., г. Солнечногорск, рабочий поселок Менделеево) |
ОТ МП |
Первичная поверка до ввода в эксплуатацию |
|
43473-21 26.10.2026 |
Рабочие эталоны активности ионов фтора в водных растворах, РЭАИ-F Федеральное государственное унитарное предприятие "Всероссийский научно-исследовательский институт физико-технических и радиотехнических измерений" (ФГУП "ВНИИФТРИ") (РОССИЯ Московская обл., г. Солнечногорск, рабочий поселок Менделеево) |
ОТ МП |
Первичная поверка до ввода в эксплуатацию |
|
87558-22 02.12.2027 |
Термометры сопротивления родий-железные эталонные капсульные, ТСРЖ-Э Федеральное государственное унитарное предприятие "Всероссийский научно-исследовательский институт физико-технических и радиотехнических измерений" (ФГУП "ВНИИФТРИ") (РОССИЯ Московская обл., г. Солнечногорск, рабочий поселок Менделеево) |
ОТ МП |
1 год |
|
89909-23 04.09.2028 |
Генераторы влажного газа эталонные , Север-4 Федеральное государственное унитарное предприятие "Всероссийский научно-исследовательский институт физико-технических и радиотехнических измерений" (ФГУП "ВНИИФТРИ") (РОССИЯ Московская обл., г. Солнечногорск, рабочий поселок Менделеево) |
ОТ МП |
1 год |
|
89897-23 |
Установка акустическая поверочная, ПЗД-1 Федеральное государственное унитарное предприятие "Всероссийский научно-исследовательский институт физико-технических и радиотехнических измерений" (ФГУП "ВНИИФТРИ") (РОССИЯ Московская обл., г. Солнечногорск, рабочий поселок Менделеево) |
ОТ МП |
1 год |
|
90024-23 |
Анализатор спектра третьоктавный многоканальный, АС-УЭЗД-6 Федеральное государственное унитарное предприятие "Всероссийский научно-исследовательский институт физико-технических и радиотехнических измерений" (ФГУП "ВНИИФТРИ") (РОССИЯ Московская обл., г. Солнечногорск, рабочий поселок Менделеево) |
ОТ МП |
2 года |
|
90025-23 |
Гидрофоны измерительные, ГИ21 Федеральное государственное унитарное предприятие "Всероссийский научно-исследовательский институт физико-технических и радиотехнических измерений" (ФГУП "ВНИИФТРИ") (РОССИЯ Московская обл., г. Солнечногорск, рабочий поселок Менделеево) |
ОТ МП |
1 год |
|
90026-23 |
Гидрофоны измерительные, ГИ59 Федеральное государственное унитарное предприятие "Всероссийский научно-исследовательский институт физико-технических и радиотехнических измерений" (ФГУП "ВНИИФТРИ") (РОССИЯ Московская обл., г. Солнечногорск, рабочий поселок Менделеево) |
ОТ МП |
1 год |
|
90027-23 15.09.2028 |
Приемники гидроакустические комбинированные, КГП10М Федеральное государственное унитарное предприятие "Всероссийский научно-исследовательский институт физико-технических и радиотехнических измерений" (ФГУП "ВНИИФТРИ") (РОССИЯ Московская обл., г. Солнечногорск, рабочий поселок Менделеево) |
ОТ МП |
1 год |
|
90028-23 15.09.2028 |
Приемники гидроакустические комбинированные, КГП1М Федеральное государственное унитарное предприятие "Всероссийский научно-исследовательский институт физико-технических и радиотехнических измерений" (ФГУП "ВНИИФТРИ") (РОССИЯ Московская обл., г. Солнечногорск, рабочий поселок Менделеево) |
ОТ МП |
1 год |
|
90046-23 20.09.2028 |
Вибропреобразователи трехкомпонентные, АГ303 Федеральное государственное унитарное предприятие "Всероссийский научно-исследовательский институт физико-технических и радиотехнических измерений" (ФГУП "ВНИИФТРИ") (РОССИЯ Московская обл., г. Солнечногорск, рабочий поселок Менделеево) |
ОТ МП |
1 год |
|
90411-23 03.11.2028 |
Меры размеров частиц в водной среде, МРЧ-0, 10 Федеральное государственное унитарное предприятие "Всероссийский научно-исследовательский институт физико-технических и радиотехнических измерений" (ФГУП "ВНИИФТРИ") (РОССИЯ Московская обл., г. Солнечногорск, рабочий поселок Менделеево) |
ОТ МП |
Первичная поверка до ввода в эксплуатацию |
|
90412-23 03.11.2028 |
Меры размеров частиц в водной среде, МРЧ-0, 07 Федеральное государственное унитарное предприятие "Всероссийский научно-исследовательский институт физико-технических и радиотехнических измерений" (ФГУП "ВНИИФТРИ") (РОССИЯ Московская обл., г. Солнечногорск, рабочий поселок Менделеево) |
ОТ МП |
Первичная поверка до ввода в эксплуатацию |
|
90433-23 |
Датчик давления тензорезистивный, ХТЕ-190М Федеральное государственное унитарное предприятие "Всероссийский научно-исследовательский институт физико-технических и радиотехнических измерений" (ФГУП "ВНИИФТРИ") (РОССИЯ Московская обл., г. Солнечногорск, рабочий поселок Менделеево) |
ОТ МП |
1 год |
|
91456-24 28.02.2029 |
Ваттметры проходного типа волноводные термисторные, М1-37 Федеральное государственное унитарное предприятие "Всероссийский научно-исследовательский институт физико-технических и радиотехнических измерений" (ФГУП "ВНИИФТРИ") (РОССИЯ Московская обл., г. Солнечногорск, рабочий поселок Менделеево) |
ОТ МП |
1 год |
|
91442-24 28.02.2029 |
Ваттметры оконечного типа, М3-122 Федеральное государственное унитарное предприятие "Всероссийский научно-исследовательский институт физико-технических и радиотехнических измерений" (ФГУП "ВНИИФТРИ") (РОССИЯ Московская обл., г. Солнечногорск, рабочий поселок Менделеево) |
ОТ МП |
1 год |
|
91611-24 |
Установка для векторно-фазовых измерений на базе автономной донной станции с глубоководным и мелководным носителями первичных измерительных преобразователей, УВИ-А Федеральное государственное унитарное предприятие "Всероссийский научно-исследовательский институт физико-технических и радиотехнических измерений" (ФГУП "ВНИИФТРИ") (РОССИЯ Московская обл., г. Солнечногорск, рабочий поселок Менделеево) |
ОТ МП |
2 года |
|
91612-24 |
Установка для скалярных и векторно-фазовых измерений в натурных условиях, УВИ-М Федеральное государственное унитарное предприятие "Всероссийский научно-исследовательский институт физико-технических и радиотехнических измерений" (ФГУП "ВНИИФТРИ") (РОССИЯ Московская обл., г. Солнечногорск, рабочий поселок Менделеево) |
ОТ МП |
2 года |
|
91678-24 22.03.2029 |
Измерители мощности термисторные унифицированные, М3-121 Федеральное государственное унитарное предприятие "Всероссийский научно-исследовательский институт физико-технических и радиотехнических измерений" (ФГУП "ВНИИФТРИ") (РОССИЯ Московская обл., г. Солнечногорск, рабочий поселок Менделеево) |
ОТ МП |
1 год |
|
91680-24 22.03.2029 |
Стандарт-титры pH, Обозначение отсутствует Федеральное государственное унитарное предприятие "Всероссийский научно-исследовательский институт физико-технических и радиотехнических измерений" (ФГУП "ВНИИФТРИ") (РОССИЯ Московская обл., г. Солнечногорск, рабочий поселок Менделеево) |
ОТ МП |
Первичная поверка до ввода в эксплуатацию |
|
91666-24 22.03.2029 |
Системы автоматизированные информационно-измерительные коммерческого учета электроэнергии ООО "Газпром энерго" ООО "Газпром добыча Уренгой", Обозначение отсутствует Федеральное государственное унитарное предприятие "Всероссийский научно-исследовательский институт физико-технических и радиотехнических измерений" (ФГУП "ВНИИФТРИ") (РОССИЯ Московская обл., г. Солнечногорск, рабочий поселок Менделеево) |
ОТ МП |
4 года |
|
91884-24 |
Установка для многопараметрических многоканальных комплексных измерений параметров физических полей кораблей, УВИ-С Федеральное государственное унитарное предприятие "Всероссийский научно-исследовательский институт физико-технических и радиотехнических измерений" (ФГУП "ВНИИФТРИ") (РОССИЯ Московская обл., г. Солнечногорск, рабочий поселок Менделеево) |
ОТ МП |
2 года |
|
91902-24 |
Установка для моделирования измерений параметров первичного и вторичного гидроакустического поля объектов, УЭЗД-6 Федеральное государственное унитарное предприятие "Всероссийский научно-исследовательский институт физико-технических и радиотехнических измерений" (ФГУП "ВНИИФТРИ") (РОССИЯ Московская обл., г. Солнечногорск, рабочий поселок Менделеево) |
ОТ МП |
2 года |
|
92177-24 20.05.2029 |
Осциллографы цифровые универсальные, С8-3000 Федеральное государственное унитарное предприятие "Всероссийский научно-исследовательский институт физико-технических и радиотехнических измерений" (ФГУП "ВНИИФТРИ") (РОССИЯ Московская обл., г. Солнечногорск, рабочий поселок Менделеево) |
ОТ МП |
1 год |
|
92307-24 10.06.2029 |
Меры размеров частиц в водной среде, МРЧ-0, 4 Федеральное государственное унитарное предприятие "Всероссийский научно-исследовательский институт физико-технических и радиотехнических измерений" (ФГУП "ВНИИФТРИ") (РОССИЯ Московская обл., г. Солнечногорск, рабочий поселок Менделеево) |
ОТ МП |
Первичная поверка до ввода в эксплуатацию |
|
92308-24 10.06.2029 |
Меры размеров частиц в водной среде, МРЧ-0, 5 Федеральное государственное унитарное предприятие "Всероссийский научно-исследовательский институт физико-технических и радиотехнических измерений" (ФГУП "ВНИИФТРИ") (РОССИЯ Московская обл., г. Солнечногорск, рабочий поселок Менделеево) |
ОТ МП |
Первичная поверка до ввода в эксплуатацию |
|
92309-24 10.06.2029 |
Меры размеров частиц в водной среде, МРЧ-0, 2 Федеральное государственное унитарное предприятие "Всероссийский научно-исследовательский институт физико-технических и радиотехнических измерений" (ФГУП "ВНИИФТРИ") (РОССИЯ Московская обл., г. Солнечногорск, рабочий поселок Менделеево) |
ОТ МП |
Первичная поверка до ввода в эксплуатацию |
|
92310-24 10.06.2029 |
Меры размеров частиц в водной среде, МРЧ-0, 3 Федеральное государственное унитарное предприятие "Всероссийский научно-исследовательский институт физико-технических и радиотехнических измерений" (ФГУП "ВНИИФТРИ") (РОССИЯ Московская обл., г. Солнечногорск, рабочий поселок Менделеево) |
ОТ МП |
Первичная поверка до ввода в эксплуатацию |
|
92499-24 28.06.2029 |
Измерители мощности ультразвукового излучения, ИМУИ Федеральное государственное унитарное предприятие "Всероссийский научно-исследовательский институт физико-технических и радиотехнических измерений" (ФГУП "ВНИИФТРИ") (РОССИЯ Московская обл., г. Солнечногорск, рабочий поселок Менделеево) |
ОТ МП |
1 год |
|
92871-24 13.08.2029 |
Растворы буферные, Бр-2-pH Федеральное государственное унитарное предприятие "Всероссийский научно-исследовательский институт физико-технических и радиотехнических измерений" (ФГУП "ВНИИФТРИ") (РОССИЯ Московская обл., г. Солнечногорск, рабочий поселок Менделеево) |
ОТ МП |
Первичная поверка до ввода в эксплуатацию |
|
92874-24 13.08.2029 |
Генераторы сигналов многофункциональные малогабаритные, ГСММ Федеральное государственное унитарное предприятие "Всероссийский научно-исследовательский институт физико-технических и радиотехнических измерений" (ФГУП "ВНИИФТРИ") (РОССИЯ Московская обл., г. Солнечногорск, рабочий поселок Менделеево) |
ОТ МП |
2 года |
|
92871-24 13.08.2029 |
Растворы буферные, Бр-2-pH Федеральное государственное унитарное предприятие "Всероссийский научно-исследовательский институт физико-технических и радиотехнических измерений" (ФГУП "ВНИИФТРИ") (РОССИЯ Московская обл., г. Солнечногорск, рабочий поселок Менделеево) |
ОТ МП |
Первичная поверка до ввода в эксплуатацию |
|
92874-24 13.08.2029 |
Генераторы сигналов многофункциональные малогабаритные, ГСММ Федеральное государственное унитарное предприятие "Всероссийский научно-исследовательский институт физико-технических и радиотехнических измерений" (ФГУП "ВНИИФТРИ") (РОССИЯ Московская обл., г. Солнечногорск, рабочий поселок Менделеево) |
ОТ МП |
2 года |
|
93089-24 30.08.2029 |
Измерители интервалов времени, ТМХ06-12 Федеральное государственное унитарное предприятие "Всероссийский научно-исследовательский институт физико-технических и радиотехнических измерений" (ФГУП "ВНИИФТРИ") (РОССИЯ Московская обл., г. Солнечногорск, рабочий поселок Менделеево) |
ОТ МП |
1 год |
|
93188-24 12.09.2029 |
Комплекты для измерений соединителей коаксиальных, КИСК-3, 5М2 Федеральное государственное унитарное предприятие "Всероссийский научно-исследовательский институт физико-технических и радиотехнических измерений" (ФГУП "ВНИИФТРИ") (РОССИЯ Московская обл., г. Солнечногорск, рабочий поселок Менделеево) |
ОТ МП |
1 год |
|
93189-24 12.09.2029 |
Комплекты для измерений соединителей коаксиальных, КИСК-7М2 Федеральное государственное унитарное предприятие "Всероссийский научно-исследовательский институт физико-технических и радиотехнических измерений" (ФГУП "ВНИИФТРИ") (РОССИЯ Московская обл., г. Солнечногорск, рабочий поселок Менделеево) |
ОТ МП |
1 год |
|
93302-24 26.09.2029 |
Меры счетной концентрации частиц в воде, МСК-В-0, 2 Федеральное государственное унитарное предприятие "Всероссийский научно-исследовательский институт физико-технических и радиотехнических измерений" (ФГУП "ВНИИФТРИ") (РОССИЯ Московская обл., г. Солнечногорск, рабочий поселок Менделеево) |
ОТ МП |
Первичная поверка до ввода в эксплуатацию |
|
93303-24 26.09.2029 |
Меры счетной концентрации частиц в воде, МСК-В-0, 07 Федеральное государственное унитарное предприятие "Всероссийский научно-исследовательский институт физико-технических и радиотехнических измерений" (ФГУП "ВНИИФТРИ") (РОССИЯ Московская обл., г. Солнечногорск, рабочий поселок Менделеево) |
ОТ МП |
Первичная поверка до ввода в эксплуатацию |
|
93304-24 26.09.2029 |
Меры счетной концентрации частиц в воде, МСК-В-0, 5 Федеральное государственное унитарное предприятие "Всероссийский научно-исследовательский институт физико-технических и радиотехнических измерений" (ФГУП "ВНИИФТРИ") (РОССИЯ Московская обл., г. Солнечногорск, рабочий поселок Менделеево) |
ОТ МП |
Первичная поверка до ввода в эксплуатацию |
|
93305-24 26.09.2029 |
Меры счетной концентрации частиц в воде, МСК-В-0, 3 Федеральное государственное унитарное предприятие "Всероссийский научно-исследовательский институт физико-технических и радиотехнических измерений" (ФГУП "ВНИИФТРИ") (РОССИЯ Московская обл., г. Солнечногорск, рабочий поселок Менделеево) |
ОТ МП |
Первичная поверка до ввода в эксплуатацию |
|
93319-24 27.09.2029 |
Меры счетной концентрации частиц в воде, МСК-В-0, 4 Федеральное государственное унитарное предприятие "Всероссийский научно-исследовательский институт физико-технических и радиотехнических измерений" (ФГУП "ВНИИФТРИ") (РОССИЯ Московская обл., г. Солнечногорск, рабочий поселок Менделеево) |
ОТ МП |
Первичная поверка до ввода в эксплуатацию |
|
93320-24 27.09.2029 |
Меры счетной концентрации частиц в воде, МСК-В-0, 1 Федеральное государственное унитарное предприятие "Всероссийский научно-исследовательский институт физико-технических и радиотехнических измерений" (ФГУП "ВНИИФТРИ") (РОССИЯ Московская обл., г. Солнечногорск, рабочий поселок Менделеево) |
ОТ МП |
Первичная поверка до ввода в эксплуатацию |
|
93531-24 21.10.2029 |
Меры размеров частиц в водной среде, МРЧ-1 Федеральное государственное унитарное предприятие "Всероссийский научно-исследовательский институт физико-технических и радиотехнических измерений" (ФГУП "ВНИИФТРИ") (РОССИЯ Московская обл., г. Солнечногорск, рабочий поселок Менделеево) |
ОТ МП |
Первичная поверка до ввода в эксплуатацию |
|
93532-24 21.10.2029 |
Меры размеров частиц в водной среде, МРЧ-0, 6 Федеральное государственное унитарное предприятие "Всероссийский научно-исследовательский институт физико-технических и радиотехнических измерений" (ФГУП "ВНИИФТРИ") (РОССИЯ Московская обл., г. Солнечногорск, рабочий поселок Менделеево) |
ОТ МП |
Первичная поверка до ввода в эксплуатацию |
|
93533-24 21.10.2029 |
Меры размеров частиц в водной среде, МРЧ-0, 7 Федеральное государственное унитарное предприятие "Всероссийский научно-исследовательский институт физико-технических и радиотехнических измерений" (ФГУП "ВНИИФТРИ") (РОССИЯ Московская обл., г. Солнечногорск, рабочий поселок Менделеево) |
ОТ МП |
Первичная поверка до ввода в эксплуатацию |
|
93534-24 21.10.2029 |
Меры размеров частиц в водной среде, МРЧ-0, 8 Федеральное государственное унитарное предприятие "Всероссийский научно-исследовательский институт физико-технических и радиотехнических измерений" (ФГУП "ВНИИФТРИ") (РОССИЯ Московская обл., г. Солнечногорск, рабочий поселок Менделеево) |
ОТ МП |
Первичная поверка до ввода в эксплуатацию |
|
93671-24 31.10.2029 |
Меры счетной концентрации частиц в воде, МСК-В-0, 6 Федеральное государственное унитарное предприятие "Всероссийский научно-исследовательский институт физико-технических и радиотехнических измерений" (ФГУП "ВНИИФТРИ") (РОССИЯ Московская обл., г. Солнечногорск, рабочий поселок Менделеево) |
ОТ МП |
Первичная поверка до ввода в эксплуатацию |
|
93672-24 31.10.2029 |
Меры счетной концентрации частиц в воде, МСК-В-0, 7 Федеральное государственное унитарное предприятие "Всероссийский научно-исследовательский институт физико-технических и радиотехнических измерений" (ФГУП "ВНИИФТРИ") (РОССИЯ Московская обл., г. Солнечногорск, рабочий поселок Менделеево) |
ОТ МП |
Первичная поверка до ввода в эксплуатацию |
|
93673-24 31.10.2029 |
Меры счетной концентрации частиц в воде, МСК-В-0, 8 Федеральное государственное унитарное предприятие "Всероссийский научно-исследовательский институт физико-технических и радиотехнических измерений" (ФГУП "ВНИИФТРИ") (РОССИЯ Московская обл., г. Солнечногорск, рабочий поселок Менделеево) |
ОТ МП |
Первичная поверка до ввода в эксплуатацию |
|
93674-24 31.10.2029 |
Меры счетной концентрации частиц в воде, МСК-В-1 Федеральное государственное унитарное предприятие "Всероссийский научно-исследовательский институт физико-технических и радиотехнических измерений" (ФГУП "ВНИИФТРИ") (РОССИЯ Московская обл., г. Солнечногорск, рабочий поселок Менделеево) |
ОТ МП |
Первичная поверка до ввода в эксплуатацию |
|
94336-25 14.01.2030 |
Гидрофоны, ГИ713 Федеральное государственное унитарное предприятие "Всероссийский научно-исследовательский институт физико-технических и радиотехнических измерений" (ФГУП "ВНИИФТРИ") (РОССИЯ Московская обл., г. Солнечногорск, рабочий поселок Менделеево) |
ОТ МП |
1 год |
Отчет IS_5 представляет собой мощный инструмент, позволяющий получить сводную информацию по сфере ОЕИ и соотношении между импортными, отечественными и недружественными СИ по группам средств измерений (более 10 тыс. групп). Отчет позволяет оперативно выделить группы средств измерений, имеющих проблемы с импортозамещением и наличием отечественных аналогов.
Для построения отчета необходимо предварительно сконфигурировать параметры его отображения: выбрать год (2019-2022), объём списка анализируемых групп СИ (урезанный, умеренный или расширенный), тип поверок (все поверки или только первичные) и минимальное количество поверок по группе СИ (группы с меньшим количеством поверок отображаться не будут). Результаты обработки данных будут представлены в табличной форме. Таблица обладает функцией поиска и сортировки по любой из колонок.
Таблица содержит 13 колонок:
- Наименование группы СИ
- Количество отечественных производителей в штуках и процентах
- Количество отечественных типов СИ в штуках и процентах
- Количество поверок по отечественным СИ (всех или первичных в штуках)
- Количество поверок по отечественным СИ (всех или первичных в %)
- Количество импортных производителей в штуках и процентах
- Количество импортных типов СИ в штуках и процентах
- Количество поверок по импортным СИ (всех или первичных в штуках)
- Количество поверок по импортным СИ (всех или первичных в %)
- Количество производителей из недружественных стран в штуках и процентах
- Количество недружественных типов СИ в штуках и процентах
- Количество поверок по недружественных СИ (всех или первичных в штуках)
- Количество поверок по недружественных СИ (всех или первичных в %)
Список дружественных и недружественных стран сформирован в соответствии с Распоряжением Правительства РФ от 05.03.2022 N 430-р <Об утверждении перечня иностранных государств и территорий, совершающих недружественные действия в отношении Российской Федерации, российских юридических и физических лиц>.
Кто поверяет Измерители интервалов времени (ТМХ06-12)
| Наименование организации | Cтатус | Поверенные модификации | Кол-во поверок | Поверок в 2025 году | Первичных поверок | Периодических поверок | Извещений | Для юриков | Для юриков первичные | Для юриков периодические |
|---|---|---|---|---|---|---|---|---|---|---|
| ФГУП "ВНИИФТРИ" (RA.RU.311478) | РСТ | 2 | 2 | 0 | 0 | 2 | 2 | 0 |
Стоимость поверки Измерители интервалов времени (ТМХ06-12)
| Организация, регион | Стоимость, руб | Средняя стоимость |
|---|
Программное обеспечение
Программное обеспечение (далее ПО) ТМХ06-12 представлено встроенным ПО ПЛИС и встроенным ПО микропроцессора. Встроенное ПО метрологически значимое, реализовано на ПЛИС, обеспечивает измерение интервалов времени и передачу измерительной информации на микропроцессор. Встроенное ПО микропроцессора обеспечивает управление ПЛИС, интерфейс пользователя (индикация и клавиатура) и веб-интерфейс по протоколу TCP/IP. ПО может быть проверено, установлено или переустановлено только на заводе-изготовителе с использованием специальных программно-технических средств. Доступ ограничен пломбировкой.
Веб-интерфейс открывается в окне браузера на ПЭВМ, подключенного к ТМХ06-12 по сети Ethernet, не является метрологически значимым, обеспечивает отображение результатов измерений и сведений об ТМХ06-12 , предназначен для управления и визуализации результатов работы изделия.
Конструкция средства измерений исключает возможность несанкционированного влияния на ПО и измерительную информацию.
Таблица 1
|
Идентификационные данные (признаки) |
Значение |
|
1 |
2 |
|
Идентификационное наименование ПО |
- |
|
Номер версии (идентификационный номер) ПО |
не ниже firmware version 1.3 |
Уровень защиты ПО от непреднамеренных и преднамеренных изменений «высокий» в соответствии с Р 50.2.077-2014.
Знак утверждения типа
Знак утверждения типа наносится в левом верхнем углу передней панели ТМХ06-12. Знак поверки в виде оттиска клейма или наклейки с изображением знака поверки может наносится на свободном от надписей пространстве на лицевой или верхней панели ТМХ06-12. Заводской номер, состоящий из номера по порядку и года выпуска записанных через пробел, наносится на задней стенке корпуса ТМХ06-12 в виде наклейки обеспечивающей сохранность номера, возможность прочтения и идентификацию каждого экземпляра в процессе эксплуатации. Ограничение доступа к местам настройки (регулировки) осуществляется путем нанесения стикера-наклейки, захватывающей верхнюю и заднюю стенку корпуса ТМХ06-12Общий вид ТМХ06-12 с указанием мест пломбировки, мест нанесения знака утверждения типа, знака поверки и заводского номера приведены на рисунке 2.
Рисунок 2 - Общий вид ТМХ06-12 с указанием мест пломбировки, мест нанесения знака утверждения типа, знака поверки, заводского номера
Программное обеспечениеПрограммное обеспечение (далее ПО) ТМХ06-12 представлено встроенным ПО ПЛИС и встроенным ПО микропроцессора. Встроенное ПО метрологически значимое, реализовано на ПЛИС, обеспечивает измерение интервалов времени и передачу измерительной информации на микропроцессор. Встроенное ПО микропроцессора обеспечивает управление ПЛИС, интерфейс пользователя (индикация и клавиатура) и веб-интерфейс по протоколу TCP/IP. ПО может быть проверено, установлено или переустановлено только на заводе-изготовителе с использованием специальных программно-технических средств. Доступ ограничен пломбировкой.
Веб-интерфейс открывается в окне браузера на ПЭВМ, подключенного к ТМХ06-12 по сети Ethernet, не является метрологически значимым, обеспечивает отображение результатов измерений и сведений об ТМХ06-12 , предназначен для управления и визуализации результатов работы изделия.
Конструкция средства измерений исключает возможность несанкционированного влияния на ПО и измерительную информацию.
Таблица 1
|
Идентификационные данные (признаки) |
Значение |
|
1 |
2 |
|
Идентификационное наименование ПО |
- |
|
Номер версии (идентификационный номер) ПО |
не ниже firmware version 1.3 |
Уровень защиты ПО от непреднамеренных и преднамеренных изменений «высокий» в соответствии с Р 50.2.077-2014.
Метрологические и технические характеристики
Таблица 2 - Метрологические характеристики
|
Наименование характеристики |
Значение |
|
Диапазон измеряемых интервалов времени, с |
от -0,5 до 0,5 |
|
Пределы допускаемой абсолютной погрешности измерения интервалов времени*, нс |
±0,1 |
|
* Примечание: характеристика указана при следующих параметрах входного опорного сигнала:
| |
Таблица 3 - Основные технические
|
Наименование характеристики |
Значение |
|
Цена единицы младшего разряда, пс |
1 |
|
Количество входов импульсных сигналов |
6 |
|
Входное сопротивление, Ом |
50 |
|
Время установления рабочего режима, мин, не более |
15 |
|
Условия эксплуатации:
(мм рт. ст.)
|
от +15 до +30 до 80 от 84 до 106,7 (от 630 до 800) от 198 до 242 от 45 до 55 |
таблицы 3
|
Наименование характеристики |
Значение |
|
Полная потребляемая мощность, В^А, не более |
25 |
|
Габаритные размеры, мм, не более | |
|
длина |
334 |
|
ширина |
483 |
|
высота |
44 |
|
Масса, кг, не более |
4 |
Знак утверждения типа наносится типографским способом на титульный лист руководства по эксплуатации, формуляр и на переднюю панель ТМХ06-12 технологическим способом.
Сведения о методиках измерений
Сведения о методиках (методах) измерений
приведены в документе «Измеритель интервалов времени ТМХ06-12. Руководство по эксплуатации. МФРН.411144.003 РЭ», раздел 2 «Использование по назначению».
Нормативные и технические документы
Нормативные документы, устанавливающие требования к средству измерений.Приказ Росстандарта от 26 сентября 2022 г. № 2360 «Об утверждении Государственной поверочной схемы для средств измерений времени и частоты»;
условия МФРН.411144.003 ТУ. «Измеритель интервалов
времени
Технические
ТМХ06-12».
Правообладательгосударственное унитарное предприятие «Всероссийский
научно-
Федеральное
исследовательский институт физико-технических и радиотехнических измерений» (ФГУП «ВНИИФТРИ»)
ИНН 5044000102
Адрес юридического лица: 141570, Московская обл., г. Солнечногорск,
рп. Менделеево, промзона ФГУП «ВНИИФТРИ»
Испытательный центр
Федеральное государственное унитарное предприятие «Всероссийский научноисследовательский институт физико-технических и радиотехнических измерений» (ФГУП «ВНИИФТРИ»)Адрес: 141570, Московская обл., г. Солнечногорск, рп. Менделеево, промзона ФГУП «ВНИИФТРИ»
Правообладатель
государственное унитарное предприятие «Всероссийскийнаучно-
Федеральное
исследовательский институт физико-технических и радиотехнических измерений» (ФГУП «ВНИИФТРИ»)
ИНН 5044000102
Адрес юридического лица: 141570, Московская обл., г. Солнечногорск,
рп. Менделеево, промзона ФГУП «ВНИИФТРИ»
Принцип действия ТМХ06-12 заключается в измерении смещения положительного фронта входного импульса относительно собственной шкалы времени, формируемой на основе опорной частоты. Источником опорной частоты является внешний генератор с синусоидальным сигналом частотой 5, 10 или 100 МГц и со следующими значениями метрологических характеристик или лучше: относительная погрешность по частоте ±1^10-12; нестабильность частоты опорного генератора на интервале времени измерения 1 с 1^10-12, длительность фронта импульсного сигнала 3 нс. Частота внешнего опорного генератора определяется автоматически. Интервал времени между двух входных импульсных сигналов рассчитывается как разность смещений входных сигналов относительно собственной шкалы времени.
Конструктивно ТМХ06-12 выполнен в виде моноблока высотой 1U для установки в стандартные 19 дюймовые шкафы.
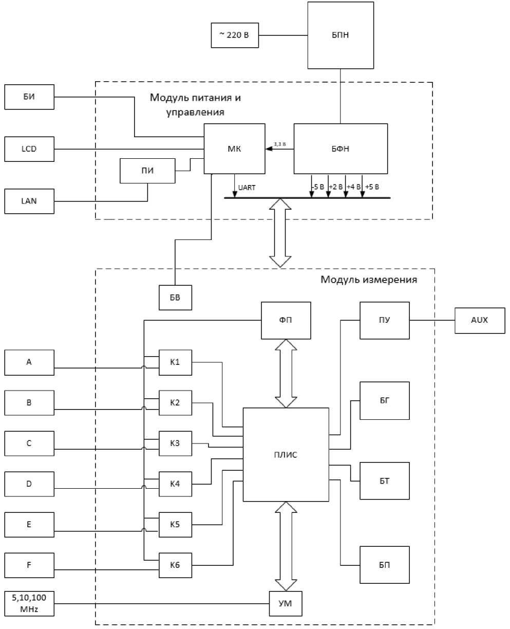
Структурная схема ТМХ06-12 представлена на рисунке 1. Сигналы с входных разъемов A-F поступают на входы компараторов К1-К6. Компараторы сравнивают уровни напряжения входных сигналов и порогового напряжения, сформированного формирователем порога (ФП) и переходят в соответствующее логическое состояние, представленное в виде дифференциального напряжения. Сигнал опорной частоты поступает на вход умножителя опорной частоты (УМ), на выходе которого формируется дифференциальный сигнал частотой 100 МГц. Дифференциальные сигналы с выходов К1-К6 и УМ поступают на входы программируемой логической интегральной микросхемы (ПЛИС). Внутри ПЛИС измерительные сигналы поступают на блоки точных измерений и счетчик грубых измерений. Результаты грубых и точных измерений поступают на спецпроцессор, где проходят математическую обработку и передаются на контроллер управления. Спецпроцессор также осуществляет управление значением пороговых напряжений на входных компараторах и настраивает умножитель опорной частоты.
Контроллер управления получает измерительную информацию, вычисляет интервалы времени между настроенными пользователем парами каналов, после чего выводит результаты вычислений на индикатор, расположенный на передней панели, а также по запросу отправляет их по локальной сети. Настройка порогов каналов, а также выбор пары каналов производится с помощью кнопок на передней панели и LCD дисплея, а также удаленно с помощью веб-интерфейса. Для исключения влияния изменения температуры окружающей среды на результаты измерения прибор имеет блок вентилятора (БВ) с автоматической корректировкой частоты вращения вентилятора для термостатирования ПЛИС.
Блок формирования напряжений (БФН) обеспечивает наличие необходимых значений напряжения питания.
Рисунок 1 - Структурная схема ТМХ06-12
На схеме используются следующие сокращения:
-
- AUX - выход 1 Гц;
-
- БГ - блок генерации тактового сигнала;
-
- БП - блок памяти;
-
- ПУ - преобразователь уровня сигнала;
-
- БТ - датчик температуры ПЛИС;
-
- БПН - блок преобразования переменного напряжения питания;
-
- БИ - блок индикации измерений;
-
- МК - контроллер управления;
-
- LCD - жидкокристаллический экран;
-
- ПИ - блок преобразования интерфейсов;
-
- LAN - разъем для подключения прибора к локальной сети;
-
- 220 В - разъем входного питания от сети переменного тока 220 В/50 Гц.
-
- БВ - блок вентилятора.
Знак утверждения типа наносится в левом верхнем углу передней панели ТМХ06-12. Знак поверки в виде оттиска клейма или наклейки с изображением знака поверки может наносится на свободном от надписей пространстве на лицевой или верхней панели ТМХ06-12. Заводской номер, состоящий из номера по порядку и года выпуска записанных через пробел, наносится на задней стенке корпуса ТМХ06-12 в виде наклейки обеспечивающей сохранность номера, возможность прочтения и идентификацию каждого экземпляра в процессе эксплуатации. Ограничение доступа к местам настройки (регулировки) осуществляется путем нанесения стикера-наклейки, захватывающей верхнюю и заднюю стенку корпуса ТМХ06-12
Общий вид ТМХ06-12 с указанием мест пломбировки, мест нанесения знака утверждения типа, знака поверки и заводского номера приведены на рисунке 2.
Рисунок 2 - Общий вид ТМХ06-12 с указанием мест пломбировки, мест нанесения знака утверждения типа, знака поверки, заводского номера
Таблица 2 - Метрологические характеристики
|
Наименование характеристики |
Значение |
|
Диапазон измеряемых интервалов времени, с |
от -0,5 до 0,5 |
|
Пределы допускаемой абсолютной погрешности измерения интервалов времени*, нс |
±0,1 |
|
* Примечание: характеристика указана при следующих параметрах входного опорного сигнала:
| |
Таблица 3 - Основные технические
|
Наименование характеристики |
Значение |
|
Цена единицы младшего разряда, пс |
1 |
|
Количество входов импульсных сигналов |
6 |
|
Входное сопротивление, Ом |
50 |
|
Время установления рабочего режима, мин, не более |
15 |
|
Условия эксплуатации:
(мм рт. ст.)
|
от +15 до +30 до 80 от 84 до 106,7 (от 630 до 800) от 198 до 242 от 45 до 55 |
таблицы 3
|
Наименование характеристики |
Значение |
|
Полная потребляемая мощность, В^А, не более |
25 |
|
Габаритные размеры, мм, не более | |
|
длина |
334 |
|
ширина |
483 |
|
высота |
44 |
|
Масса, кг, не более |
4 |

