Номер по Госреестру СИ: 57964-14
57964-14 Аппаратура системы внутриреакторного контроля для атомных электростанций
(Гиндукуш F)
Назначение средства измерений:
Аппаратура системы внутриреакторного контроля для атомных электростанций «Гиндукуш-F» (далее - аппаратура «Гиндукуш-F») предназначена для измерений аналоговых сигналов в виде напряжения и силы постоянного тока, сопротивления, преобразования измеренных аналоговых сигналов в цифровой код, регистрации и передачи по каналам связи в другие системы и комплексы, а также выдачи сигналов управления и сигнализации.

Внешний вид.
Аппаратура системы внутриреакторного контроля для атомных электростанций
Рисунок № 1

Внешний вид.
Аппаратура системы внутриреакторного контроля для атомных электростанций
Рисунок № 2
Программное обеспечение
Программное обеспечение (ПО) аппаратуры «Гиндукуш-F» состоит из внутреннего программного обеспечения блоков БУП-42Р и БПА, а также внешнего программного обеспечения, использующегося для поверки аппаратуры «Гиндукуш-F».
Внутреннее ПО, влияющее на метрологические характеристики, устанавливается в энергонезависимую память блоков при изготовлении и в процессе эксплуатации изменению не подлежит, доступ к нему отсутствует. Стойки, в которых установлены блоки БУП-42Р и БПА, находятся в запираемых на ключ помещениях. Ключ выдается
Лист № 4 Всего листов 7 ответственным лицом при оформлении наряда на проведение работ. Класс защиты внутреннего ПО от изменений - высокий в соответствии с Р 50.2.077-2014.
Метрологические характеристики аппаратуры «Гиндукуш-F», указанные в таблице 2, нормированы с учетом влияния внутреннего ПО.
Внешнее ПО используется для поверки аппаратуры «Гиндукуш-F». Оно устанавливается на сервисный компьютер, входящий в комплект поставки. На компьютере используется программное разграничение прав доступа. Вход в операционную систему осуществляется по паролю. Класс защиты его от изменений -средний в соответствии с Р 50.2.077-2013.
Идентификационные данные программного обеспечения аппаратуры приведены в таблице 1.
Таблица 1 - Идентификационные данные программного обеспечения
|
Идентификационные данные (признаки) |
Значения | |
|
Идентификационное наименование ПО |
«Программа измерения входных сигналов» ПКЕМ.00727-01 |
«Программное обеспечение сервисного компьютера (СК) для проведения поверки измерительных каналов» ПКЕМ.00802-01 |
|
Номер версии (идентификационный номер) ПО |
не ниже 1.1.0 |
Не ниже 2.1.0 |
|
Цифровой идентификатор ПО |
номер версии | |
|
Алгоритм вычисления цифрового идентификатора |
не используется | |
Знак утверждения типа
Знак утверждения типаЗнак утверждения типа наносится на лицевую панель шкафа аппаратуры и на титульный лист формуляра.
Сведения о методиках измерений
Сведения о методиках (методах) измерений
Сведения о методиках (методах) измерений указаны в документе на каждый шкаф аппаратуры «Устройство информационно-измерительное УИ-2ХХРХ. Руководство по эксплуатации. КУМП.468157.ХХХ РЭ».
Нормативные и технические документы
Нормативные и технические документы, устанавливающие требования к аппаратуре системы внутриреакторного контроля для атомных электростанций «Гиндукуш F»
ГОСТ Р 8.565-96 Метрологическое обеспечение эксплуатации атомных станций. Основные положения.
КУМП.468157.001 ТУ Аппаратура системы внутриреакторного контроля для АЭС с РУ ВВЭР-1200 «Гиндукуш-F». Технические условия.
Поверка
ПоверкаПоверка выполняется в соответствии с документом КУМП.468157.001 МП «Аппаратура системы внутриреакторного контроля для атомных станций «Гиндукуш -F». Методика поверки», утвержденным ФГУП «ВНИИМС» в мае 2014 г.
Перечень основного поверочного оборудования:
-
- мультиметр цифровой 34410A; пределы допускаемой основной погрешности в режиме измерения напряжения постоянного тока U на пределе 100 мВ ±(0,003%^U+0,0035% диапазона); на пределе 10 В, ±(0,003%^U + 0,0005% диапазона);
-
- меры электрического сопротивления однозначные МС 3050, номинальные значения 50, 100, 150, 200 и 250 Ом кл. т. 0,002.
Изготовитель
e-mail: nrcki@nrcki.ru
Заявитель
Россия, 123060, г. Москва, ул. Расплетина, д. 5, стр.1 тел/факс: +7 (499) 198-84-32
e-mail: sniipasc@ascur.ru
Испытательный центр
E-mail: office@vniims.ru , www.vniims.ru
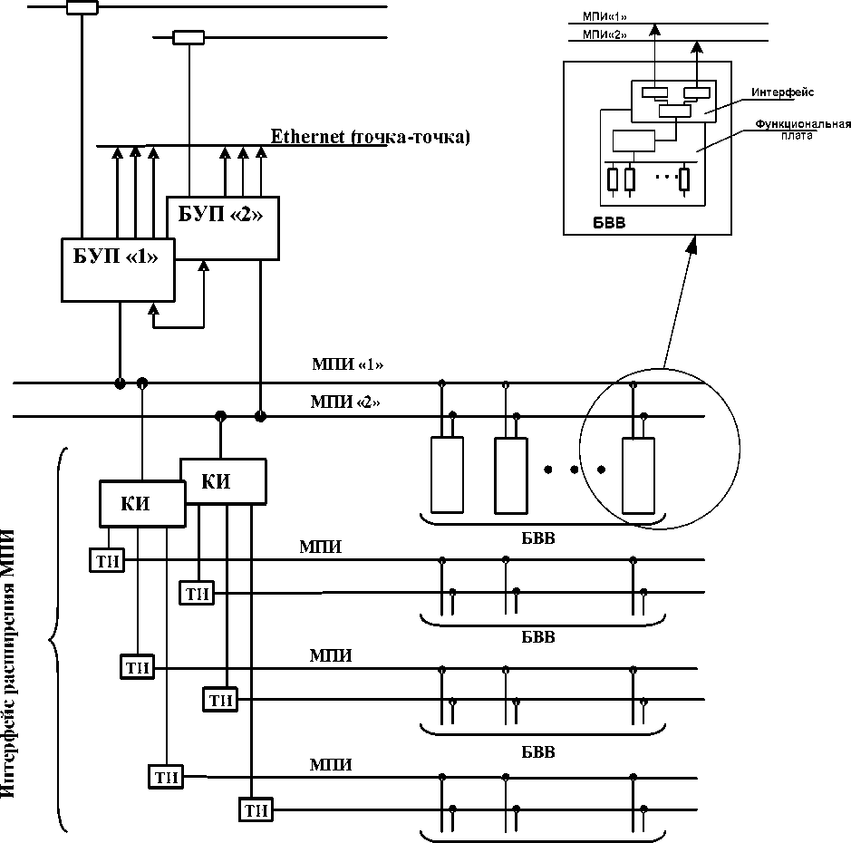
Аппаратура «Гиндукуш-F» осуществляет прием аналоговых и дискретных сигналов с первичных преобразователей из состава системы внутриреакторного контроля (СВРК) АСУ ТП энергоблоков атомных электростанций с реакторами типа ВВЭР (водоводяной энергетический реактор), выдачу дискретных сигналов, преобразование измеренных аналоговых сигналов в цифровой код, запоминание и обработку информации, контроль выхода технологических параметров за установленные пределы, обмен информацией с ЭВМ и другими системами реакторной установки.
Структурная схема аппаратуры «Гиндукуш-F» представлена на рисунке 1. Аппаратура «Гиндукуш-F» реализована по схеме магистрально-модульной структуры с организацией управления по принципу «master-slave» и состоит из двух блоков управления БУП «1» и БУП «2» типа БУП-42Р, каждый из которых обеспечивает управление отдельной информационной магистралью (МПИ), и блоков ввода-вывода (БВВ), имеющих интерфейс с дублированной магистралью.
Блоки электрически и конструктивно объединены в законченную специфицированную единицу - шкаф, в котором расположены до четырех каркасов, связанных друг с другом магистралью МПИ. Типовые исполнения шкафов отличаются по составу и количеству входящих в них блоков. Фото общего вида щкафов комплексов приведено на рисунке 2.
В целях повышения надежности и помехоустойчивости работы интерфейс МПИ разбит на несколько автономных участков - интерфейсные шины в каждом каркасе гальванически изолированы друг от друга и объединяются интерфейсом расширения МПИ (КИ-ТИ), также имеющим гальваническую изоляцию.
Для обеспечения надежности энергоснабжения питание осуществляется по двум независимым входам. Сетевое напряжение преобразуется в напряжение 24 В постоянного тока, которое используется для питания всех блоков и элементов, входящих в состав шкафа.
Блоки БУП-42Р предназначены для управления работой блоков ввода-вывода и блока контроля и диагностики, подключенных к интерфейсу МПИ в шкафу аппаратуры, а также для обмена информацией с внешними абонентами по интерфейсу Ethernet IEEE 802.3. Питание БУП-42Р обеспечивается от внешней шины +24 В, в системе из двух БУП-42Р блоки получают электропитание от разных шин +24 В для обеспечения высокого коэффициента готовности.
Ethernet (TCP/IP)
БВВ
БУП «1», БУП «2» - блоки управления;
БВВ - блоки ввода-вывода;
МПИ - магистраль передачи информации; ТИ - терминал интерфейса;
КИ - коммутатор интерфейса.
Рисунок 1 - Структурная схема аппаратуры «Гиндукуш-F»
БВВ осуществляют непосредственную связь с оборудованием АЭС - принимают аналоговые и цифровые сигналы от датчиков технологического процесса и формируют релейные сигналы для управления исполнительными механизмами и устройствами.
Каждый блок имеет собственный микропроцессор, реализующий все функции блока (ввод, обработка, вывод, контроль, диагностика собственных неисправностей); два одинаковых резервирующих друг друга шинных интерфейса, которые через свои двухпортовые запоминающие устройства по шине ввода/вывода обеспечивают обмен данными с БУП-42Р.
Рисунок 2 Фото общего вида шкафов аппаратуры «Гиндукуш-F»
К БВВ относятся: БВЦ-260Р - блок ввода релейных сигналов; БВЦ-261Р - блок ввода потенциальных сигналов; БВЦ-262Р - блок вывода релейных сигналов; БКХ-34Р -блок контроля и диагностики; БПА-64Р, БПА-65Р, БПА-66Р, БПА-67Р, БПА-68Р -преобразователи аналого-цифровые (АЦП).
Аппаратура «Гиндукуш-F» размещается в помещениях электротехнических и радиотехнических средств АСУ ТП АЭС постоянного пребывания персонала зоны свободного режима.
Аппаратура «Гиндукуш-F» является сейсмостойкой и пожаробезопасной, а также соответствует требованиям электромагнитной совместимости и помехозащищенности в соответствии с требованиями нормативных документов.
Комплектность аппаратуры «Гиндукуш-F» определяется проектом из типов и числа блоков, указанных в таблице 3.
Таблица 3 - Комплектность аппаратуры «Гиндукуш-F»
|
Наименование компонентов аппаратуры |
Обозначение |
Количество |
|
Блок управления БУП-42Р |
КУМП.468332.002 |
2 |
|
Блок ввода релейных сигналов БВЦ-260Р |
КУМП.467762.001 |
согласно проекту |
|
Блок ввода потенциальных сигналов БВЦ-261Р |
КУМП.467762.002 | |
|
Блок вывода релейных сигналов БВЦ-262Р |
КУМП.467762.003 | |
|
Преобразователь (DC/DC) БПН-64Р |
КУМП.468151.001 | |
|
Узел преобразования интерфейсов ППЦ-198Р |
КУМП.468152.001 |
2 |
|
Узел преобразования интерфейсов ППЦ-199Р |
КУМП.468152.002 |
не менее 2 |
|
Блок контроля и диагностики БКХ-34Р |
КУМП.468213.002 |
1 |
|
Преобразователь аналого-цифровой БПА-64Р |
КУМП.468154.018 |
согласно проекту |
|
Преобразователь аналого-цифровой БПА-65Р |
КУМП.468154.019 | |
|
Преобразователь аналого-цифровой БПА-66Р |
КУМП.468154.020 | |
|
Преобразователь аналого-цифровой БПА-67Р |
КУМП.468154.021 | |
|
Преобразователь аналого-цифровой БПА-68Р |
КУМП.468154.022 | |
|
Шкаф компоновочный |
1 | |
|
Комплект эксплуатационной документации |
1 | |
|
Методика поверки |
КУМП.468157.001 МП |
1 |
|
Блок формирования БФА-09Р |
КУМП.468171.001 |
1 |
|
Примечание - Исполнения шкафов аппаратуры «Гиндукуш-F» - согласно КУМП.468157.001 ТУ. | ||
Основные метрологические характеристики аппаратуры «Гиндукуш-F»
определяются входящими в их состав измерительными блоками, указанными в таблице 2.
|
Таблица 2 - Метрологические ха |
рактеристики аппаратуры «Гиндукуш- |
F» | |||
|
Тип входного сигнала |
АЦП |
Количество каналов |
Диапазон изменения входного сигнала |
Выходной сигнал |
Пределы допускаемой основной погрешности, приведённой к верхнему пределу измерений, % |
|
Ток низкого уровня |
БПА-64Р |
7 |
от минус 0,5 до 5 мкА | ||
|
Напряжение низкого уровня (сигналы от термопар) |
БПА-65Р |
8 |
от 0 до 20 мВ |
24 бит |
± 0,04 |
Окончание таблицы 2
|
Тип входного сигнала |
АЦП |
Количество каналов |
Диапазон изменения входного сигнала |
Выходной сигнал |
Пределы допускаемой основной погрешности, приведённой к верхнему пределу измерений, % |
|
Напряжение нормированного уровня |
БПА-66Р |
8 |
от 0 до 10 В |
24 бит |
± 0,04 |
|
Ток нормированного уровня |
БПА-68Р |
8 |
от 0 до 20 мА от 4 до 20 мА | ||
|
Сопротивление (сигналы от термопреобразователей сопротивления) |
БПА-67Р |
4 |
от 50 до 250 Ом |
Примечание - в состав аппаратуры «Гиндукуш-F» не входят первичные измерительные преобразователи СВРК.
Пределы допускаемой дополнительной погрешности от изменения температуры, приведённой к верхнему пределу измерений, для всех видов измеряемых величин составляет ±0,02 % на 10 °С.
Рабочие условия применения:
-
- температура
-
- относительная влажность
-
- напряжение питания
-
- частота питания
от 10 до 35 °С; до 80 % (при 25 °С);
220
+22
-33
В;
50 ± 2 Гц.
Потребляемая мощность на шкаф аппаратуры не превышает 350 ВА. Габаритные размеры шкафов ВхШхГ,
мм, не более: 2000х1000х600
Масса шкафа, кг, не более 300.

