№2666 от 05.12.2025
Приказ Федерального агентства по техническому регулированию и метрологии (Росстандарт)
# 736011
ПРИКАЗ О внесении изменений в сведения об утвержденных типах СИ (1)
Приказы по основной деятельности по агентству Вн. Приказ № 2666 от 05.12.2025

МИНИСТЕРСТВО ПРОМЫШЛЕННОСТИ И ТОРГОВЛИ РОССИЙСКОЙ ФЕДЕРАЦИИ
ФЕДЕРАЛЬНОЕ АГЕНТСТВО
ПО ТЕХНИЧЕСКОМУ РЕГУЛИРОВАНИЮ И МЕТРОЛОГИИ
(Росстандарт)
ПРИКАЗ
05 декабря 2025 г.

2666
Москва
О внесении изменений в сведения об утвержденном типе средства измерений
В соответствии с Административным регламентом по предоставлению Федеральным агентством по техническому регулированию и метрологии государственной услуги по утверждению типа стандартных образцов или типа средств измерений, утвержденным приказом Федерального агентства по техническому регулированию и метрологии от 12 ноября 2018 г. № 2346, п р и к а з ы в а ю:
1. Внести изменения в сведения об утвержденном типе средства измерений в части конструктивных изменений, влияющих на его метрологические характеристики, согласно приложению к настоящему приказу.
2. Утвердить измененное описание типа средства измерений, прилагаемое
к настоящему приказу.
3. Распространить действие методики поверки средства измерений, установленной согласно приложению к настоящему приказу,
на средства измерений, находящиеся в эксплуатации.
4. ФБУ «НИЦ ПМ - Ростест» внести сведения об утвержденном типе средства измерений согласно приложению к настоящему приказу в Федеральный информационный фонд по обеспечению единства измерений в соответствии с Порядком создания и ведения Федерального информационного фонда по обеспечению единства измерений, передачи
сведений в него и внесения изменений в данные сведения, предоставления содержащихся в нем документов и сведений, утвержденным приказом Министерства промышленности и торговли Российской Федерации
от 28 августа 2020 г. № 2906.
5. Контроль за испоЛрениеми настоящего приказа составляю за собой хранится в системе электронного документооборота
Заместитель руководителя
Федерального агентства по техническому регулированию и метрологии
СВЕДЕНИЯ О СЕРТИФИКАТЕ ЭП
Сертификат: 7B1801563EA497F787EAF40A918A8D6F
Кому выдан: Лазаренко Евгений Русланович
Действителен: с 19.05.2025 до 12.08.2026
\____________________-_______________
Е.Р. Лазаренко
ПРИЛОЖЕНИЕ
к приказу Федерального агентства по техническому регулированию
и метрологии
ОТ « 06 » декабря 2025 Г. № 2666
Сведения об утвержденном типе средства измерений, подлежащие изменению в части конструктивных изменений, влияющих на метрологические характеристики средства измерений
|
№ п/п |
Наименование типа |
Обозначение типа |
Заводской номер |
Регистрационный номер в ФИФ |
Правообладатель |
Отменяемая методика поверки |
Действие методики поверки сохраняется |
Устанавливаемая методика поверки |
Интервал между поверками |
Добавляем ый изготовите ль |
Дата утвер ж-дения акта испыт а-ний |
Заявитель |
Юридичес кое лицо, проводивш ее испытания |
|
1 |
2 |
3 |
4 |
5 |
6 |
7 |
8 |
9 |
10 |
11 |
12 |
13 |
14 |
|
1. |
Счетчики жидкости камерные лопастные |
ВМ |
Модификаци я BM05CUL11 FW2M с зав. № РМ0141; модификация BM08CDUL1 1FI2M с зав. № РМ0104; модификация BM10CUL11 FW2M с зав. № РМ0117; модификация BM15CUL11 FI2M с зав. № РМ0118 |
92880-24 |
Фирма Chongqing Endurance Industry Stock Co., Ltd, Китай |
МП 208-054 2024 |
РТ-МП-803- 208-2025 |
2 года - для счетчиков с пределами допускаемой относительной погрешности измерений объема ±0,15 %; 5 лет - для счетчиков с пределами допускаемой относительной погрешности измерений объема ±0,2 % |
22.10 .2025 |
Общество с ограниченн ой ответствен ностью «БАЛТИН ТЕРТАНК» (ООО «БАЛТИН ТЕРТАНК» ), г. Санкт-Петербург |
ФБУ «НИЦ ПМ Ростест», г. Москва |
УТВЕРЖДЕНО приказом Федерального агентства по техническому регулированию и метрологии 0Т « 05 » декабря 2025 Г. № 2666
Лист № 1 Регистрационный № 92880-24 Всего листов 7
ОПИСАНИЕ ТИПА СРЕДСТВА ИЗМЕРЕНИЙ
Счетчики жидкости камерные лопастные ВМНазначение средства измерений
Счетчики жидкости камерные лопастные ВМ (далее - счетчики) предназначены для измерений объема светлых нефтепродуктов, таких как бензин, керосин, дизельное топливо, авиационный керосин и другие жидкости.
Описание средства измерений
Принцип действия счетчиков основан на преобразовании перепада давления, возникающего при протекании жидкости между входным и выходным патрубками счетчика, во вращение ротора, находящегося в измерительной камере, которое затем передается через редуктор на счетный механизм. Под давлением жидкости ротор с лопастями приходит в движение, лопасти захватывают определенный объем жидкости и перемещают его к выходу.
Счетчик, в зависимости от модификации, состоит из преобразователя объема, механического сумматора, дозатора с нагнетательным насосом для подачи присадок и датчика импульсов. Преобразователь объема состоит из корпуса с измерительной камерой, ротора с лопастями, подводящего и отводящего патрубков.
Корпус выполнен из стали, ротор из алюминия, боковые крышки выполнены из стали, лопатки - из графитосодержащего материала, обеспечивающего смазывающие свойства при трении их о стенки и ротор. Высокая точность измерений достигается благодаря минимальным внутренним зазорам между движущимися частями счетчика.
Счетчики, в зависимости от вида рабочей среды и выполняемой задачи, отличаются друг от друга диапазонами расходов.
Счетный механизм приводится в исходное положение вручную.
Нагнетательный насос дозатора соединен с ротором счетчика. При вращении ротора нагнетательный насос подает присадку в определенном соотношении к основному объему, измеренному счетчиком. Дозатор имеет несколько режимов дозирования, в зависимости от положения вентилей, входящих в состав дозатора (с соотношением объема присадки к объему счетчика 0; 0,1; 0,2 и 0,3 %).
Дополнительно счетчик может быть оснащен стрелочным указателем расхода, для визуального наблюдения за изменением расхода.
Счетчик может быть окрашен в различные цвета, в зависимости от требований заказчика.
В зависимости от комплектации счетчики выпускаются в следующих модификациях:
BM x x x x x x x x x x
1 2 3 4 5 6 7 8 9 10
-
1. Диаметр условного прохода (05 - 50 мм, 08 - 80 мм, 10 - 100 мм, 15 - 150 мм).
-
2. Рабочее давление (B - 1,0 МПа, C - 1,6 МПа).
-
3. Присоединение к трубопроводу (U - вход и выход счетчика находятся на одной оси и направлены в противоположные стороны (рисунки 1, 2, 3, 5, 6), L - вход и выход счетчика направлены фланцами вверх (рисунок 3), для ВМ08 T/DU/DL/H: T - (до 120 м3/ч) фланцы в противоположном направлении, DU - (до 120 м3/ч) вход и выход счетчика находятся на одной оси и направлены в противоположные стороны, DL - (до 120 м3/ч) вход и выход счетчика направлены фланцами вверх, H - (до 120 м3/ч) вход и выход вверх).
-
4. Направление вращения (L - левый вход и правый выход, R - правый вход и левый выход).
-
5. Исполнение (1 - стандартное, 2 - с дозатором).
-
6. Коэффициент добавления присадок насоса (1 - без дозатора 0 %; 2 - дозатор - 0 %; 0,1 %; 0,2 %, 0,3 %; 3 - дозатор - 0 %; 0,1 %).
-
7. Передатчик (E - датчик импульсов, F - механический сумматор и датчик импульсов, M - механический сумматор).
-
8. Стрелочный указатель расхода (W - без указателя, I - с указателем).
-
9. Температурное исполнение (1 - до минус 35 °C, 2 - до минус 45 °C).
-
10. Класс точности (S - Стандарт - 0,20, M - Мастер - 0,15).
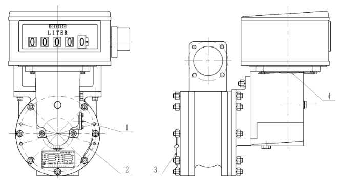
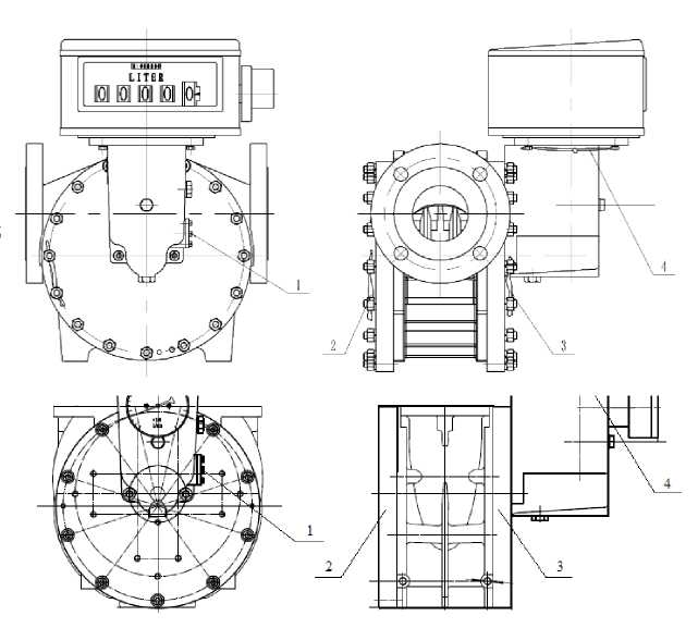
Внешний вид счетчиков показан на рисунках 1-6.
Рисунок 1 - Счетчик с отсчетным устройством
Рисунок 3 - Счетчик с дозатором
Рисунок 4 - Счетчик (фланцы вверх) с отсчетным устройством и датчиком импульсов
Рисунок 2 - Счетчик с отсчетным устройством и дозатором

Рисунок 6 - Счетчик с отсчетным устройством, дозатором и датчиком импульсов
Рисунок 5 - Счетчик с отсчетным устройством, указателем расхода и дозатором
Пломбирование счетчиков осуществляется посредством свинцовых пломб, установленных с помощью проволоки, пропущенной через специальные отверстия винтов крепления, расположенных на корпусе счетчика и механическом сумматоре.
Места пломбирования счетчиков показаны на рисунке 7.
Нанесение знака поверки на счетчики не предусмотрено.
Счетчик ВМ05

Счетчик ВМ08 (DU/DL)

Счетчик ВМ08 T
Счетчик

Счетчик ВМ10
Счетчик ВМ15
Рисунок 7 - Места пломбирования счетчиков. Позиции 1-5
Наименование счетчиков, их заводские номера, основные технические характеристики указываются на маркировочной табличке с помощью металлографической печати (металлографии) или гравировки. Маркировочные таблички крепятся на фланце со стороны счетного механизма. Заводской номер счетчика состоит из буквенно-цифровых символов.
Пример маркировочной таблички представлен на рисунке 8.
° I BM08BUL22M125__floneter °Nominal diameter I M Imm Flow range I 6-SO ~~ln?/h Nominal pressure | 1Q jMPa Mediun | iiqMoil |
Accuracy grade I itadt Medium Tern. I -41-80 I x
Exp-factory No. | XP0QQ2 j Exp-factory datej 2024j у ГП M
Address: N0.6 Vangliu Road, New North Zone, Chongqing China
o Chongqing Endurance Industry Stock Co.,Ltd оРисунок 8 - Маркировочная табличка
Метрологические и технические характеристики
Таблица 1
|
Наименование характеристики |
Значение | |||||
|
Модификация |
BM05 |
ВМ08 |
ВМ10 |
ВМ15 | ||
|
Диаметр условного прохода Ду, мм |
50 |
80 |
100 |
150 | ||
|
Qmin, м3/ч |
3 |
6 |
12 |
20 | ||
|
Qmax, м3/ч |
30 |
80 120 |
150 |
240 | ||
|
Минимальный измеряемый объем, дм3 |
50 |
100 |
100 |
1000 | ||
|
Порог чувствительности, дм3/мин |
3 |
9 |
18 |
26 | ||
|
Перепад давления при Qmax и вязкости 1 мм2/с, кПа |
20 |
45 |
47 |
50 | ||
|
Рабочее давление, МПа |
,0 ; 1,6 | |||||
|
Пределы допускаемой относительной погрешности измерений объема, % |
±0,15; ±0,2 | |||||
|
Диапазон температуры, °С:
|
от -45 до +80 от -40 до +50 | |||||
|
Параметры датчика импульсов:
|
от 5 до 36 30 200 | |||||
|
Параметры счетного механизма:
3
3
|
5 0,1 8 1 | |||||
|
Габаритные размеры (ДхШ*В), мм, не более |
385x380 x400 |
440x490 x517 |
440x610 x543 |
440x765 x592 | ||
|
Масса, кг, не более |
40 |
68 |
116 |
169 | ||
Таблица 2 - Показатели надежности
|
Наименование характеристики |
Значение |
|
Средняя наработка на отказ, ч |
51000 |
|
Срок службы, лет |
13 |
Знак утверждения типа
наносится на титульный лист руководства по эксплуатации и паспорт счетчика типографским способом.
Комплектность средства измерений
Таблица 3
|
Наименование |
Обозначение |
Количество |
Примечание |
|
Счетчик жидкости камерный лопастной ВМ |
ВМ05, BM08, ВМ10, ВМ15 |
1 шт. |
В зависимости от заказа |
|
Руководство по эксплуатации |
РЭ |
1 экз. | |
|
Паспорт |
ПС |
1 экз. | |
|
Комплект монтажных частей |
- |
1 шт. |
по заказу |
Сведения о методиках (методах) измерений
приведены в руководстве по эксплуатации счетчика, раздел 1 «Введение» п. 1.3 «Принцип работы и метод измерений».
Нормативные и технические документы, устанавливающие требования к средству измерений
Приказ Росстандарта от 26.09.2022 № 2356 Об утверждении Государственной поверочной схемы для средств измерений массы и объема жидкости в потоке, объема жидкости и вместимости при статических измерениях, массового и объемного расходов жидкости
Техническая документация изготовителя
Правообладатель
Фирма Chongqing Endurance Industry Stock Co., Ltd, Китай
Адрес: No.6 Yangliu Road, New North Zone, Chongqing, China
Тел./факс: +86-(023) 67850670/67871271
Web-сайт: www.naide.com.cn
E-mail: aoqian@naide.cn
Изготовитель
Фирма Chongqing Endurance Industry Stock Co., Ltd, Китай
Адрес: No.6 Yangliu Road, New North Zone, Chongqing, China
Тел./факс: +86-(023) 67850670/67871271
Web-сайт: www.naide.com.cn
E-mail: aoqian@naide.cn
Испытательный центр
Федеральное бюджетное учреждение «Научно-исследовательский центр прикладной метрологии - Ростест»
(ФБУ «НИЦ ПМ - Ростест»)
Юридический адрес: 117418, г. Москва, Нахимовский пр-кт, д. 31
Адрес места осуществления деятельности: 119361, г. Москва, ул. Озерная, д. 46 Телефон: +7 (495) 544-00-00
Web-сайт: www.rostest.ru
E-mail: info@rostest.ru
Уникальный номер записи в реестре аккредитованных лиц 30004-13

